GM Service Manual Online
For 1990-2009 cars only
Makes
🢒
Chevrolet
🢒
1996
🢒
Chevy G Van
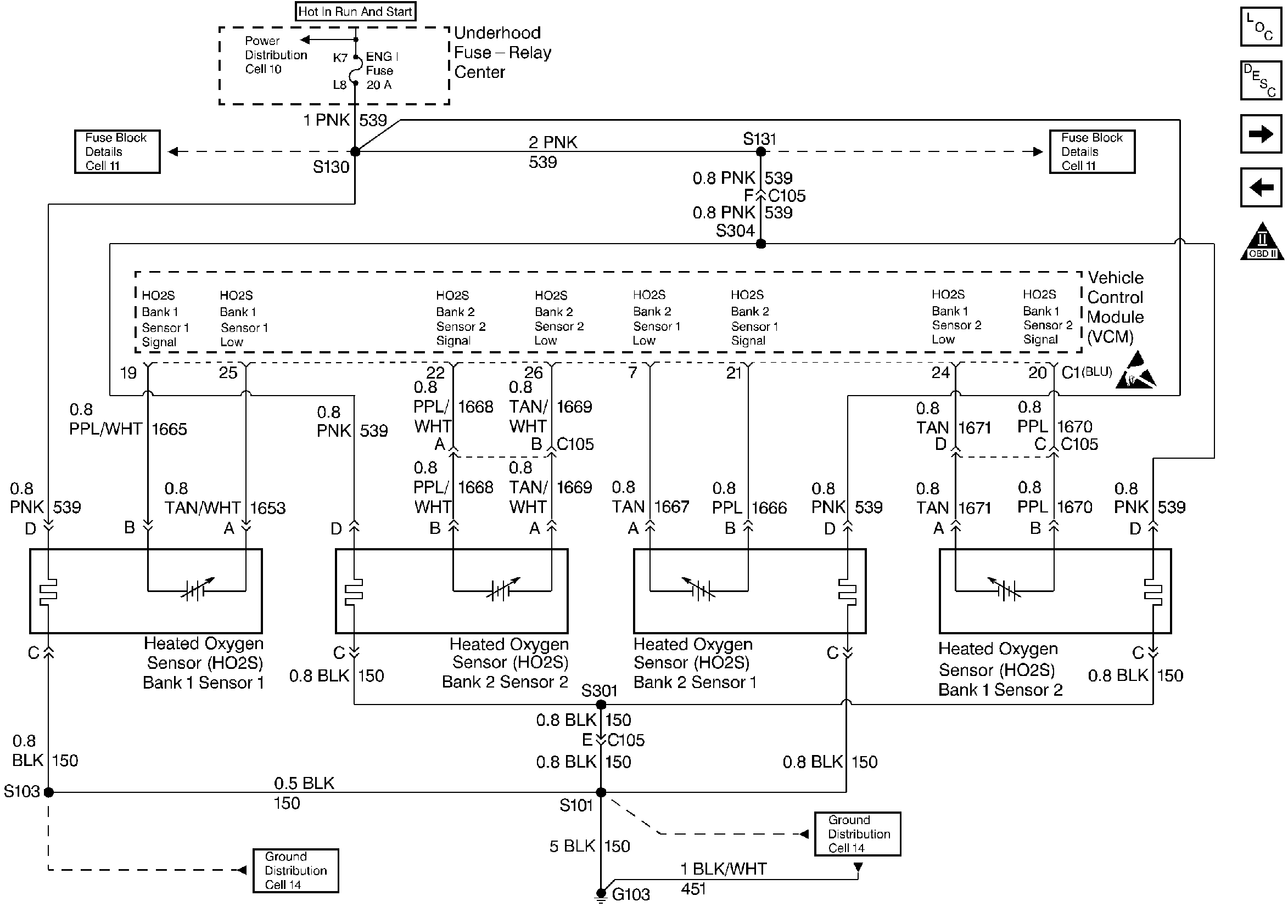
🢒 Heated Oxygen Sensor (7.4L)
Heated Oxygen Sensor (7.4L)
Heated Oxygen Sensor (7.4L)
Engine Controls Components 5.0L/5.7L/7.4L
Information Sensors 5.7L, 7.4L
OBD II Symbol Description Notice
Handling ESD Sensitive Parts Notice
IAC, VSS Sensor, EBCM, Radio, Cruise Control Module, Instrument Cluster(7.4L)
MAF, EGR, EVAP Canister Purge Valve, EVAP Canister Vacuum Switch (7.4L)