GM Service Manual Online
For 1990-2009 cars only
Makes
🢒
Chevrolet
🢒
1996
🢒
Chevy G Van
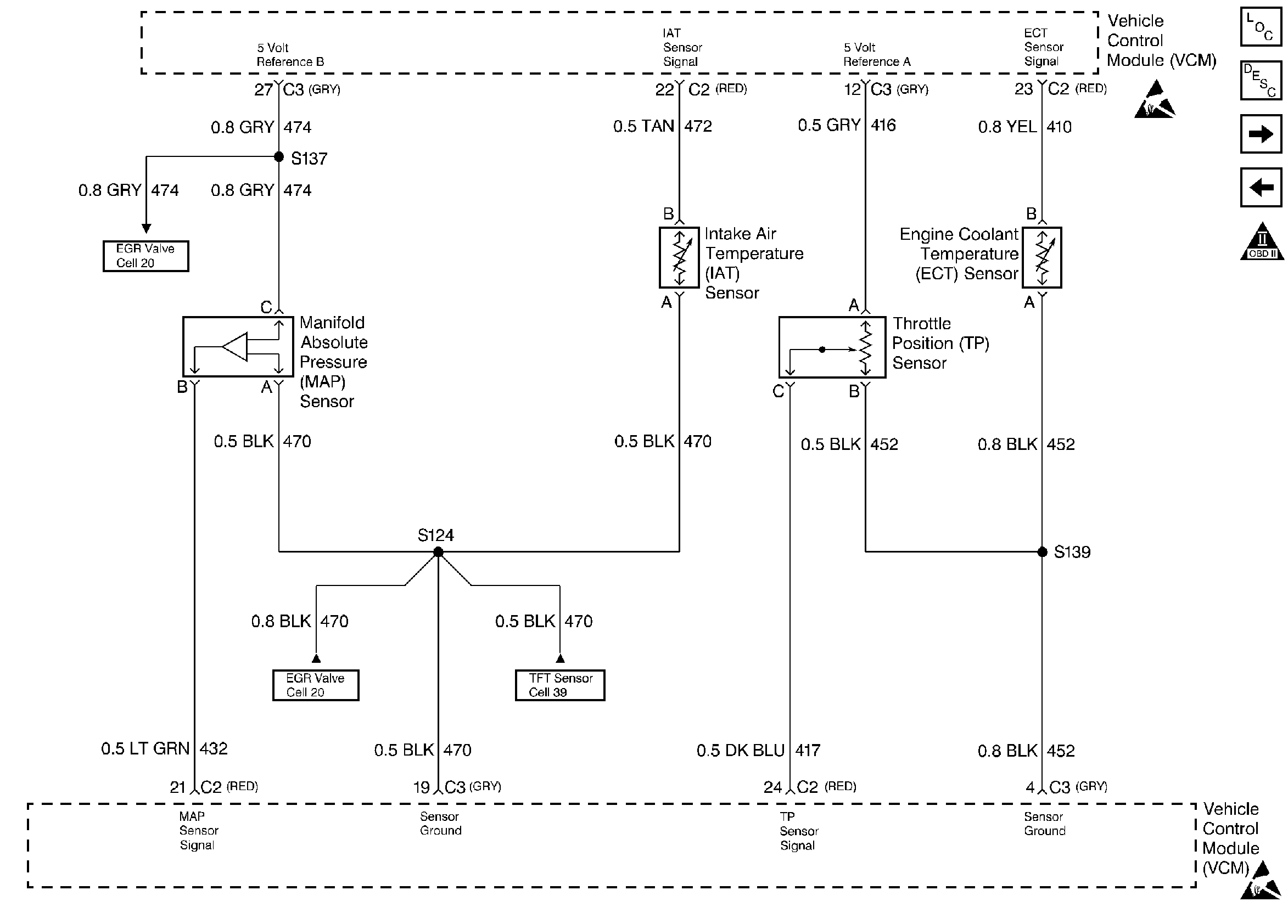
🢒 MAP, IAT, TP, ECT Sensors (5.0L/5.7L)
MAP, IAT, TP, ECT Sensors (5.0L/5.7L)
MAP, IAT, TP, ECT Sensors (5.0L/5.7L)
Engine Controls Components 5.0L/5.7L/7.4L
Information Sensors 5.7L, 7.4L
EGR, EVAP Canister Purge Valves, EVAP Canister Vacuum Switch, MAF Sensor(5.0L/5.7L)
Injectors (5.0L/5.7L)
OBD II Symbol Description Notice
Handling ESD Sensitive Parts Notice
Handling ESD Sensitive Parts Notice