GM Service Manual Online
For 1990-2009 cars only
Makes
🢒
Chevrolet
🢒
1996
🢒
Chevy G Van
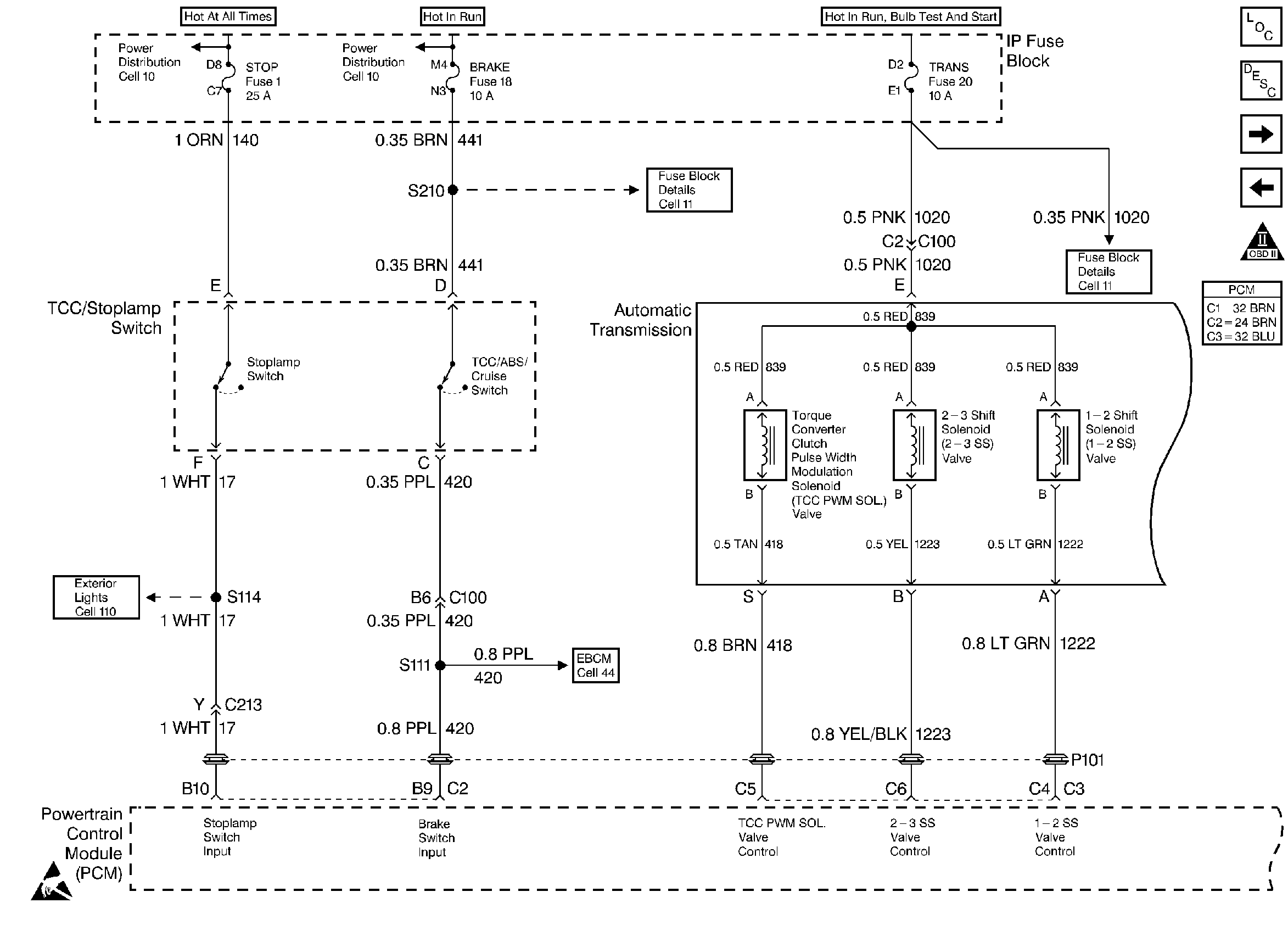
🢒 4L80-E Transmission Controls (Solenoids)
4L80-E Transmission Controls (Solenoids)
4L80-E Transmission Controls (Solenoids)
Engine Controls Components
Information Sensors
4L80-E Transmission Controls (Switches and ISS Sensor)
Vehicle Speed Sensor (VSS)
OBD II Symbol Description Notice
Handling ESD Sensitive Parts Notice