GM Service Manual Online
For 1990-2009 cars only
Makes
🢒
Chevrolet
🢒
1996
🢒
Chevy G Van
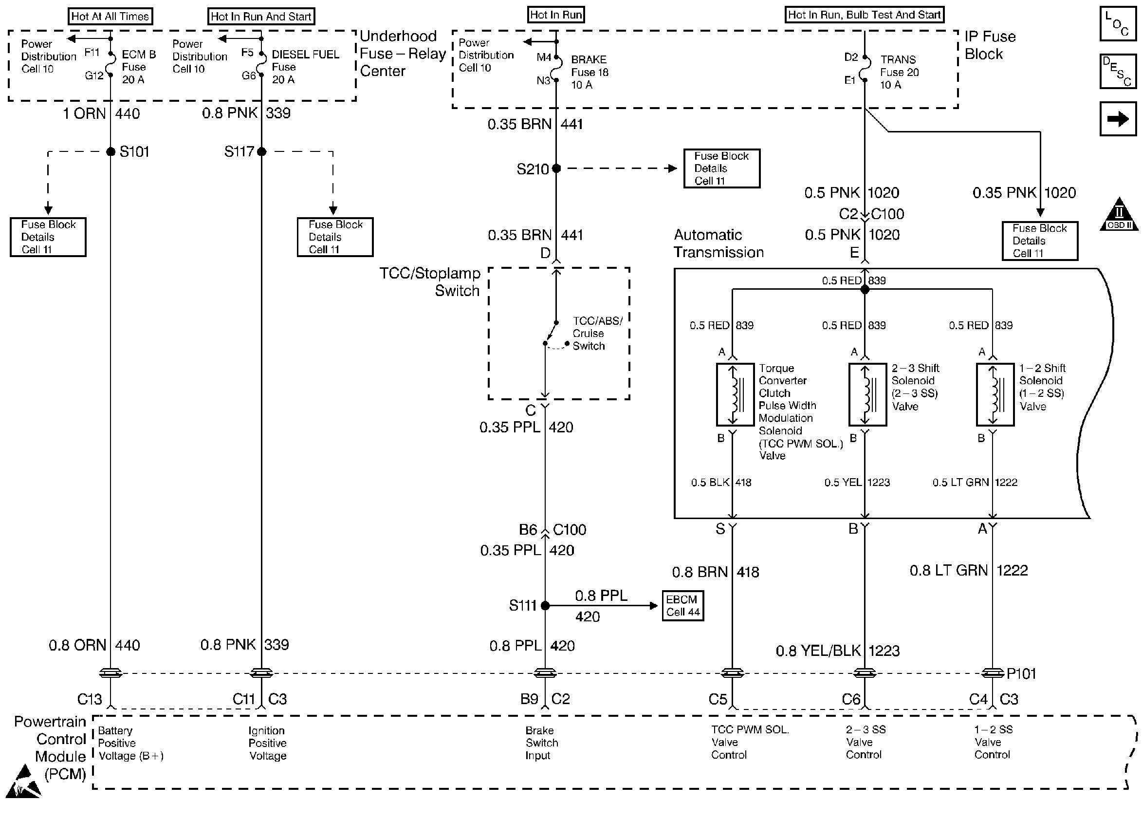
🢒 PCM Power, Brake Switch, and Solenoid Valves
PCM Power, Brake Switch, and Solenoid Valves
PCM Power, Brake Switch, and Solenoid Valves
Automatic Transmission Components 6.5L Diesel
Electronic Component Description
TFP Valve Position Switch, PC Sol. Valve, and A/T ISS Sensor
OBD II Symbol Description Notice
Handling ESD Sensitive Parts Notice