GM Service Manual Online
For 1990-2009 cars only

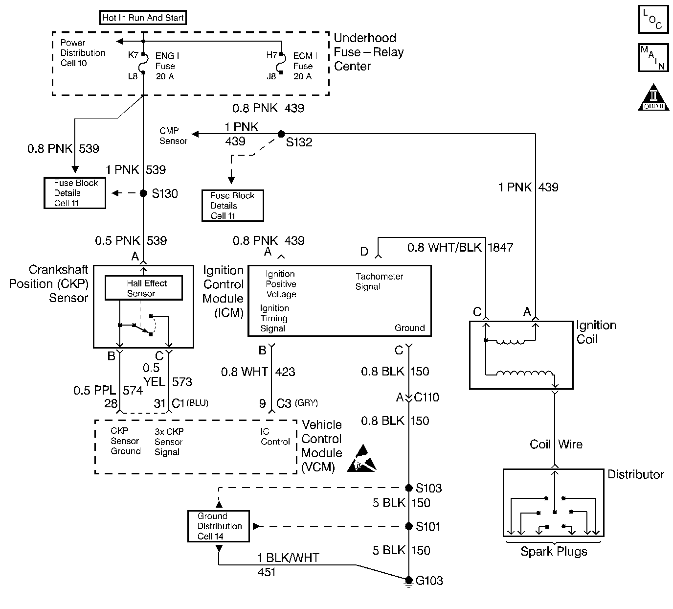
Object Number: 45985  Size: LF
Engine Controls Components
CKP, CMP Sensors, ICM with Ignition Coil
OBD II Symbol Description Notice
Handling ESD Sensitive Parts Notice

Circuit Description

The enhanced ignition system uses the crank sensor in order to provide the timing input to the VCM. The VCM uses this reference pulse in order to determine the individual ignition spark timing for each cylinder.

Once the VCM calculates the ignition timing, the ignition coil module on the IC circuit receives the timing signal. Each timing pulse received by the ignition coil module on the IC circuit triggers the coil module in order to operate the ignition coil. The secondary ignition voltage is induced, and then the secondary ignition voltage is sent to the distributor for distribution to each spark plug. This DTC is a type A DTC.

The IC signal voltage ranges from about 0.5 volt to 4.5 volts.

Conditions for Setting the DTC

The voltage on the ignition control circuit exceeds 4.9 volts, and the engine speed is less than 250 RPM.

Action Taken When The DTC Sets

    • The VCM turns the MIL ON when this DTC is reported and one failure has occurred.
    • The VCM records the operating conditions at the time the Diagnostic Fails. Freeze Frame and Failure Records store this information.

Conditions for Clearing the MIL/DTC

The VCM turns OFF the MIL after 3 consecutive driving trips without a fault condition present. A history DTC will clear if no fault conditions have been detected for 40 warm-up cycles (the coolant temperature has risen 22°C (40°F) from the start-up coolant temperature and the engine coolant temperature exceeds 71°C (160°F) during that same ignition cycle) or the scan tool clearing feature has been used.

Diagnostic Aids

A poor connection, a rubbed through wire in the insulation, or a wire broken inside the insulation will cause an intermittent.

Check for the following conditions:

    • Poor connection
    • Damaged harness: Inspect the VCM harness connectors for the following conditions:
       - Backed out terminal C3 pin 9
       - Improper mating
       - Broken locks
       - Improperly formed or damaged terminals
       - A poor terminal to wire connection and
       - Damage to the harness.
    • Intermittent test - If the connections and the harness check OK, monitor a digital voltmeter connected between VCM connector C3 pin 9 and C4 pin 18 while moving related connectors and wiring harness. If the failure is induced, the voltage reading will change. This may help to isolate the location of the malfunction.

Test Description

The numbers below refer to the step numbers in the diagnostic table.

  1. This determines if the DTC is an intermittent.

  2. This check determines if the IC signal from the VCM is available at the ignition coil driver.

  3. The remaining tests begin to check that the coil driver circuitry is OK.

Step

Action

Value(s)

Yes

No

1

Important: Before clearing DTCs, use the scan tool in order to record the freeze frame and the failure records for reference because the Clear Info function will lose the data.

Was the Powertrain On-Board Diagnostic (OBD) System Check performed?

--

Go to Step 2

Go to Powertrain On Board Diagnostic (OBD) System Check

2

  1. Clear the DTCs.
  2. Disconnect the injector connector.
  3. Crank the engine for 30 seconds.

Does DTC P1351 set?

--

Go to Step 3

Go to Diagnostic Aids

3

  1. Turn OFF the ignition.
  2. Reconnect the injector connector.
  3. Disconnect the ignition coil module connector.
  4. Probe the ignition coil module connector terminal B with a voltmeter to ground.
  5. With the voltmeter on the AC scale, crank the engine.
  6. Monitor the voltage reading.

Is the voltage reading within the specified value?

1-4 V

Go to Step 9

Go to Step 4

4

  1. Turn OFF the ignition.
  2. Disconnect the VCM gray harness connector.
  3. Check the resistance between the VCM Ignition Control and the ignition coil module connector terminal B.

Is the resistance less than the specified value?

10 ohms

Go to Step 6

Go to Step 5

5

Repair the open IC circuit between the VCM and the ignition coil module. Refer to Wiring Repairs in Engine Electrical.

Is the action complete?

--

Go to Step 16

--

6

Check for a faulty VCM connection.

Was a problem found?

--

Go to Step 7

Go to Step 8

7

Repair the faulty VCM connection. Refer to Wiring Repairs in Engine Electrical.

Is the action complete?

--

Go to Step 16

--

8

Replace the VCM.

Important: If the VCM is faulty, reprogram the VCM. Refer to VCM Replacement/Programming (With KS Calibration PROM) .

Is the replacement complete?

--

Go to Step 16

--

9

  1. Turn OFF the ignition.
  2. Connect a test lamp to B+.
  3. Probe the ignition coil module harness connector terminal C.

Is the test lamp on?

--

Go to Step 11

Go to Step 10

10

Repair the open ignition coil module ground circuit. Refer to Wiring Repairs in Engine Electrical.

Is the repair complete?

--

Go to Step 16

--

11

  1. Turn ON the ignition.
  2. Connect a test lamp to a ground.
  3. Probe the ignition coil module harness connector terminals D and A.

Is the test lamp on both terminals?

--

Go to Step 13

Go to Step 12

12

Repair the faulty ignition coil module feed circuit. Refer to Wiring Repairs in Engine Electrical.

Is the repair complete?

--

Go to Step 16

--

13

Check for a faulty ignition coil module connection.

Was a problem found?

--

Go to Step 15

Go to Step 14

14

Replace the ignition coil module. Refer to Ignition Coil Module.

Is the action complete?

--

Go to Step 16

--

15

Repair the ignition coil module connection. Refer to Wiring Repairs in Engine Electrical.

Is the action complete?

--

Go to Step 16

--

16

  1. Using the scan tool, select the DTC and the Clear Info.
  2. Start the Engine.
  3. Idle at the normal operating temperature.
  4. Select the DTC and the Specific.
  5. Enter the DTC number which was set.
  6. Operate the vehicle within the conditions for setting this DTC as specified in the supporting text.

Does the scan tool indicate that this diagnostic ran and passed?

--

Go to Step 17

Go to Step 2

17

Using the scan tool, select the Capture Info and the Review Info.

Are any DTCs displayed that have not been diagnosed?

--

Go to The Applicable DTC Table

System OK