GM Service Manual Online
For 1990-2009 cars only

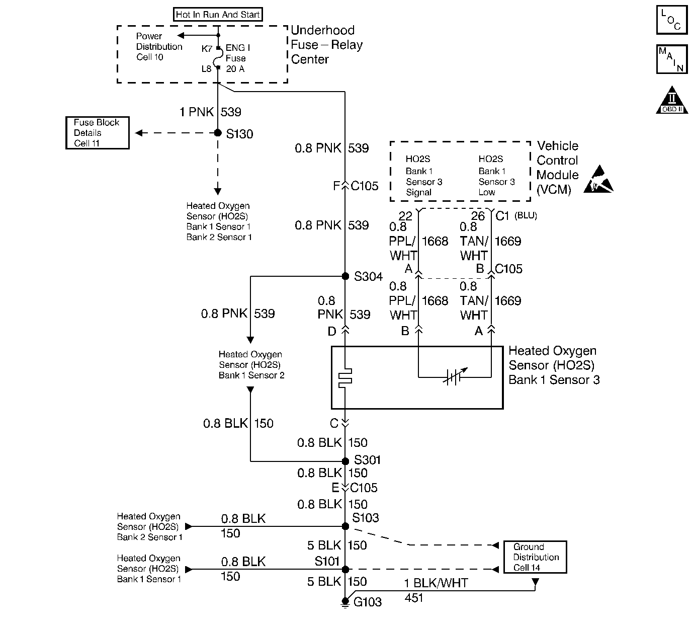
Object Number: 46019  Size: LF
Engine Controls Components
CKP, CMP Sensors, ICM with Ignition Coil
OBD II Symbol Description Notice
Handling ESD Sensitive Parts Notice

Circuit Description

The VCM supplies a voltage of approximately 0.45 volts (45 mV) between the HO2S High and HO2S Low circuits.

Important: If the voltage is measured with a 10 megohm digital voltmeter, the voltage may read as low as 0.32 volt. The Heated Oxygen Sensor (HO2S) varies the voltage from approximately 1.0 volt (1000 mV) during rich conditions to 0.10 volt (100 mV) during lean conditions.

When HO2S temperature is below 360°C (600°F), the sensor will not produce any voltage and will behave like an open circuit. This will result in an Open Loop operation.

The HO2S heater provides for a faster sensor warm-up which allows the sensor to become active in a shorter period of time. The sensor will remain active during a long extended idle. The DTC P0147 determines if the HO2S heater is functioning properly by monitoring the amount of time necessary for the HO2S to become active after start-up. This DTC is a type B DTC.

Conditions for Setting the DTC

    • The system voltage is greater than 9.0 volts but less than 17.0 volts.
    • The MAF is less than 27 grams per second.
    • The engine run time is greater than 2 seconds.
    • The ECT sensor is less than 32°C.
    • The IAT is less than 32°C.
    • The deference between the ECT and IAT is no more than 5°C.
    • The elapsed time to obtain the ±0.150 volts from the HO2S bias voltage (0.300-0.600 volts) is greater than the calculated value.

Action Taken When the DTC Sets

The VCM turns the malfunction indicator lamp (MIL) ON after 2 consecutive test failures.

Conditions for Clearing the MIL/DTC

The VCM turns OFF the MIL after 3 consecutive driving trips without a fault condition present. A history DTC will clear if no fault conditions have been detected for 40 warm-up cycles (the coolant temperature has risen 22°C (40°F) from the start-up coolant temperature and the engine coolant temperature exceeds 71°C (160°F) during that same ignition cycle) or the scan tool clearing feature has been used.

Diagnostic Aids

Perform the following checks:

    • Poor connection
    • Damaged harness- Inspect the harness connectors for the following items:
       - Backed out terminals
       - Improper mating
       - Broken locks
       - Improperly formed or damaged terminals
       - Poor terminal to wire connection and
       - Damaged harness.

Never solder the HO2S wires. For proper wire and connector repairs, refer to Wiring Repairs .

Test Description

The numbers below refer to the step numbers in the diagnostic table.

  1. This step determines if the DTC P0147 is the result of a hard failure or an intermittent condition. With the ignition ON and the engine off, the HO2S (Bank 1, Sensor 3) voltage displayed on the scan tool should gradually change 0.150 volt, indicating that the heater is working properly. The HO2S voltage can rise as high as 975 mV before it toggles back down. The main thing to look for is a change.

  2. Probing the terminal D of the HO2S (Bank 1, Sensor 3) connector verifies if the voltage is available to the HO2S (Bank 1, Sensor 3) heater.

Step

Action

Value(s)

Yes

No

1

Important:  Before clearing DTCs, use the scan tool in order to record freeze frame and the failure records for reference because the Clear Info function will lose the data.

Was the Powertrain On-Board Diagnostic (OBD) System Check performed?

--

Go to Step 2

Go to Powertrain On Board Diagnostic (OBD) System Check

2

  1. Install a scan tool.
  2. Turn ON the ignition leaving the engine off.
  3. Monitor the HO2S (Bank 1, Sensor 3) sensor using the scan tool.

Does the voltage displayed gradually decrease by the specified value?

0.150 V (150 mV)

Go to Step 5

Go to Step 3

3

  1. Disconnect the HO2S (Bank 1, Sensor 3) sensor electrical connector.
  2. With a test lamp connected to a ground, probe terminal D of the connector (engine harness side).

Is the test lamp on?

--

Go to Step 4

Go to Step 6

4

Connect a test lamp between the terminals C and D of the HO2S (Bank 1, Sensor 3) sensor connector.

Is the test lamp on?

--

Go to Step 7

Go to Step 8

5

The DTC is intermittent. If no additional DTCs are stored, refer to the Diagnostic Aids.

Are any additional DTCs stored?

--

Go to The Applicable DTC Table

Go to Step 6

6

Check for an open in the HO2S (Bank 1, Sensor 3) sensor fuse.

Is the HO2S (Bank 1, Sensor 3) fuse open?

--

Go to Step 14

Go to Step 9

7

Check the connections at the H02S (Bank 1, Sensor 3) sensor.

Was a problem found?

--

Go to Step 12

Go to Step 15

8

Check connections at H02S (Bank 1, Sensor 3) sensor.

Was a problem found?

--

Go to Step 12

Go to Step 10

9

Check connections at H02S (Bank 1, Sensor 3).

Was a problem found?

--

Go to Step 12

Go to Step 11

10

Repair the open HO2S (Bank 1, Sensor 3) sensor ground circuit. Refer to Wiring Repairs in Engine Electrical.

Is the action complete?

--

Go to Step 16

--

11

Check for an open at the HO2S (Bank 1, Sensor 3) sensor ignition feed circuit.

Was a problem found?

--

Go to Step 13

--

12

Repair the faulty connection. Refer toWiring Repairs in Engine Electrical.

Is the action complete?

--

Go to Step 16

--

13

Repair the open in the HO2S (Bank 1, Sensor 3) sensor ignition feed circuit. Refer to Wiring Repairs in Engine Electrical.

Is the action complete?

--

Go to Step 16

--

14

Repair the short to ground in the HO2S (Bank 1, Sensor 3) sensor ignition feed circuit and replace fuse. Refer to Wiring Repairs in Engine Electrical.

Is the action complete?

--

Go to Step 16

--

15

Replace the HO2S (Bank 1, Sensor 3) sensor. Refer to Heated Oxygen Sensor (HO2S) Replacement .

Is the action complete?

--

Go to Step 16

--

16

  1. Using the scan tool, select the DTC and the Clear Info.
  2. Start the Engine.
  3. Idle at the normal operating temperature.
  4. Select the DTC and the Specific.
  5. Enter the DTC number which was set.
  6. Operate the vehicle within the conditions for setting this DTC as specified in the supporting text.

Does the scan tool indicate that this diagnostic ran and passed?

--

Go to Step 17

Go to Step 2

17

Using the scan tool, select the Capture Info and the Review Info.

Are any DTCs displayed that have not been diagnosed?

--

Go to The Applicable DTC Table

System OK