GM Service Manual Online
For 1990-2009 cars only

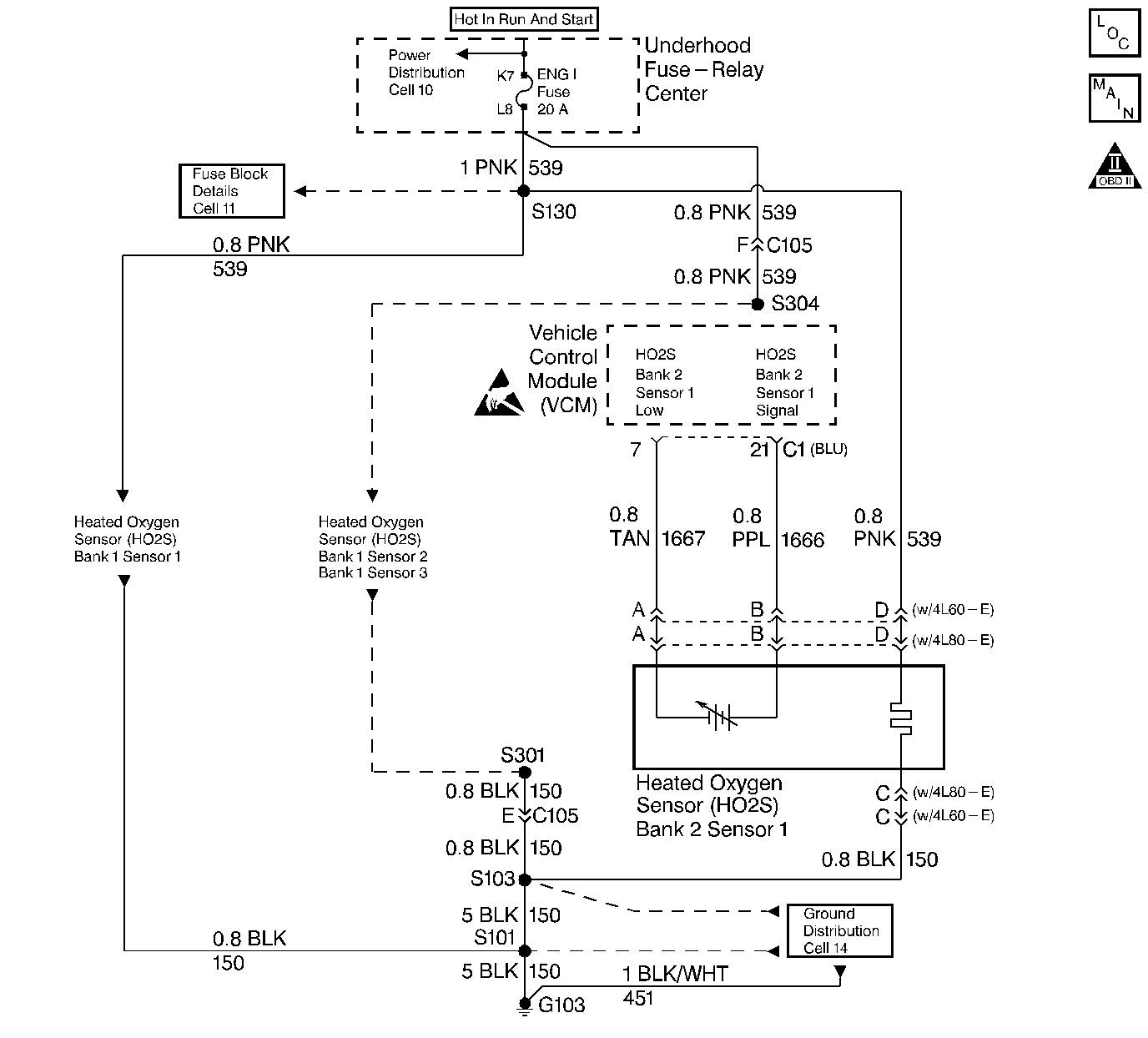
Object Number: 46025  Size: LF
Engine Controls Components
CKP, CMP Sensors, ICM with Ignition Coil
OBD II Symbol Description Notice
Handling ESD Sensitive Parts Notice

Circuit Description

Important: If the voltage is measured with a 10 Megaohm Digital Voltmeter, the voltage may read as low as 0.32 volt (320 mV).

The VCM supplies a voltage of about 0.45 volt (450 mV) between the HO2S Signal and HO2S Low circuits. The Heated Oxygen Sensor varies the voltage within the range of about 1.0 volt (1000 mV) if the exhaust is rich, down to about 0.10  volt (100 mV) if the exhaust is lean. This is a type A DTC.

The sensor is like an open circuit and produces no voltage when it is below 360°C (600°F). The DTC P0131, P0132, an open signal circuit, or a cold sensor causes Open Loop operation. The DTC P0131 determines if the HO2S sensor or the signal circuit is shorted to low by checking for a lean condition during a steady throttle and power enrichment (PE).

Conditions for Setting the DTC

The following conditions will set the DTC:

    • No TP sensor DTCs
    • No EVAP DTCs
    • No IAT sensor DTCs
    • No MAP sensor DTCs
    • No ECT sensor DTCs
    • No MAF sensor DTCs
    • No intrusive test in progress
    • No device controls active
    • The system voltage measures at least 9.0 volts

Test Enable Lean Test

    • Closed Loop low MAP not active
    • Closed Loop
    • No fuel injectors turned off
    • Air to fuel ratio is at least 14.5 but less than 14.8
    • The TP is greater than 5% but less than 99%
    • The above met for 5 seconds
    • Related HO2S DTCs not active since code clear

Test Enable PE Lean Test

    • A Closed Loop
    • The Power Enrichment mode active
    • The high speed fuel cutoff not active
    • Related HO2S DTCs not active since code clear
    • Time elapse since test enable is at least 1 second

Test Enable Lean Test

    • Closed Loop
    • No fuel injectors turned off
    • Air to fuel ratio is at least 14.5 but less than 14.8
    • The TP is greater than 3.5% but less than 99%
    • The above met for 5 seconds
    • The HO2S (Bank 2, Sensor 1) DTCs not active since code clear
    • HO2S Bank 2 Sensor 1 voltage is less than 0.086 volts (86 mV).

Test Enable PE Lean Test

    •  A Closed Loop
    • The Power Enrichment mode active
    • The high speed fuel cutoff not active
    • DTC P0151 not active since code clear
    • Time elapse since test enable is at least 1 second
    • The Bank 2 Sensor 1 H02S voltage measures less than 0.598 volts (598 mV).

Action Taken When The DTC Sets

A current DTC P0151 causes the system to operate in open loop. With the DTC P0151 set, the MIL (Malfunction Indicator Lamp) turns ON at the first test failure.

Conditions for Clearing the MIL/DTC

The VCM turns OFF the MIL after 3 consecutive driving trips without a fault condition present. A history DTC will clear if no fault conditions have been detected for 40 warm-up cycles (the coolant temperature has risen 22°C (40°F) from the start-up coolant temperature and the engine coolant temperature exceeds 71°C (160°F) during that same ignition cycle) or the scan tool clearing feature has been used.

Test Description

The numbers below refer to the step numbers in the diagnostic table.

  1. Running the engine at 1200 RPM keeps the HO2S hot in order to ensure the HO2S remains active and can indicate the exhaust oxygen accurately.

  2. Opening the HO2S sensor circuit should result in displayed voltage between 350 and 550 mV. If the display is still fixed below 350 mV, the fault is a short to ground in the HO2S (Bank 2, Sensor 1) high signal circuit or a faulty VCM.

Step

Action

Value(s)

Yes

No

1

Important:  Before clearing DTCs, use the scan tool in order to record freeze frame and the failure records for reference because the Clear Info function will lose the data.

Was the Powertrain On-Board Diagnostic (OBD) System Check performed?

--

Go to Step 2

Go to Powertrain On Board Diagnostic (OBD) System Check

2

  1. Connect the scan tool.
  2. Run the engine at the normal operating temperature.
  3. Place the vehicle in park or neutral.
  4. Apply the parking brake.
  5. Increase the engine speed to the specified value.

Does the scan tool data display indicate HO2S (Bank 2, Sensor 1) sensor voltage fixed below the specified value?

1200 RPM

0.086 (86 mV

Go to Step 3

Go to Step 4

3

  1. Disconnect the HO2S (Bank 2, Sensor 1) sensor.
  2. Jumper the HO2S (Bank 2, Sensor 1) sensor Low circuit (VCM side) to ground.
  3. Turn ON the ignition leaving the engine off.

Does the scan tool data display indicate HO2S (Bank 2, Sensor 1) sensor voltage is within the specified range?

0.35-0.55 V (350-550 mV)

Go to Step 7

Go to Step 5

4

The DTC is intermittent. If no additional DTCs are stored, refer to the Diagnostic Aids.

Are any additional DTCs stored?

--

Go to The Appplicable DTC Table

Go to Step 5

5

Check for a short to ground in the HO2S (Bank 2, Sensor 1) sensor signal circuit.

Was a problem found?

--

Go to Step 6

Go to Step 8

6

Repair the circuit as necessary.

Is the action complete?

--

Go to Step 9

--

7

Refer to the Diagnostic Aids.

--

--

--

8

Replace the VCM

Important:  If the VCM is faulty, reprogram the VCM. Refer to VCM Replacement/Programming (With KS Calibration PROM)

Is the action complete?

--

Go to Step 9

--

9

  1. Using the scan tool, select the DTC and the Clear Info.
  2. Start the Engine.
  3. Idle at the normal operating temperature.
  4. Select the DTC and the Specific.
  5. Enter the DTC number which was set.
  6. Operate the vehicle within the conditions for setting this DTC as specified in the supporting text.

Does the scan tool indicate that this diagnostic ran and passed?

--

Go to Step 10

Go to Step 2

10

Using the scan tool, select the Capture Info and the Review Info.

Are any DTCs displayed that have not been diagnosed?

--

Go to The Applicable DTC Table

System OK