GM Service Manual Online
For 1990-2009 cars only

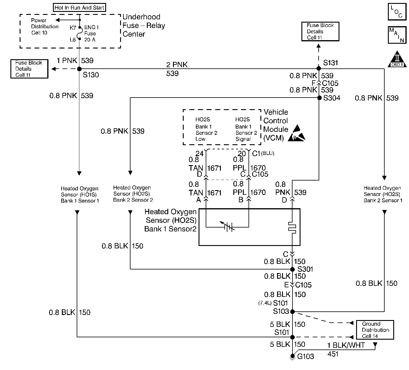
Object Number: 46214  Size: LF
Handling ESD Sensitive Parts Notice
Engine Controls Components 5.0L/5.7L/7.4L
Engine Controls Schematics
OBD II Symbol Description Notice

Circuit Description

The VCM supplies a voltage of about 0.45 volt (450 mV) between the HO2S High and HO2S Low circuits.

Important: If the voltage is measured with a 10 megaohm digital voltmeter, the voltage may read as low as 0.32 volt. The Heated Oxygen Sensor (HO2S) varies the voltage from approximately 1.0 volt (1000 mV) during rich conditions to 0.10 volt (100 mV) during lean conditions.

When the HO2S temperature measures below 360°C (600°F) the sensor will not produce any voltage. The sensor will behave like an open circuit. This will result in an open loop operation.

The HO2S heater provides for a faster sensor warm-up which allows the sensor to become active in a shorter period of time. The sensor will also remain active during a long extended idle. The DTC P0138 determines if the HO2S or circuit is shorted low by checking for a lean condition during a steady throttle and power enrichment (PE). This DTC is a type B DTC.

Conditions for Setting the DTC

The following conditions will set the DTC:

    • No TP sensor DTCs
    • No EVAP DTCs
    • No IAT sensor DTCs
    • No MAP sensor DTCs
    • No ECT sensor DTCs
    • No MAF sensor DTCs
    • No intrusive test in progress
    • No device controls active
    • The system voltage measures at least 9.0 volts

Test Enable Lean Test

    • Closed Loop low MAP not active
    • Closed Loop
    • No fuel injectors turned off
    • Air to fuel ratio is at least 14.5 but less than 14.8
    • The TP is greater than 5% but less than 99%
    • The above met for 5 seconds
    • Related HO2S DTCs not active since code clear

Test Enable PE Lean Test

    • A Closed Loop
    • The Power Enrichment mode active
    • The high speed fuel cutoff not active
    • Related HO2S DTCs not active since code clear
    • Time elapse since test enable is at least 1 second

Test Enable Rich Test

    • A Closed Loop
    • Air to fuel ratio is at least 14.5 but less than 14.8.
    • The TP is greater than 0% but less than 50%.
    • The above must meet for 5 seconds.
    • HO2S (Bank1, Sensor 2) DTCs not activate since the code clear
    • The HO2S (Bank 1, Bank 2) voltage measures greater than 0.976 volts (976 mV).

Test Enable DFCO Rich Test

    • Decel Fuel cutoff mode is active.
    • A Closed Loop
    • The time elapsed is at least 2 seconds.
    • HO2S (Bank 1, Sensor 2) not active since the clear code.
    • The HO2S (Bank 1, Sensor 2) voltage measures greater than 0.468 volts (486 mV).

Action Taken When the DTC Sets

The VCM turns on the MIL (Malfunction Indicator Lamp) after 2 consecutive failures.

Conditions for Clearing the MIL/DTC

The VCM turns OFF the MIL after 3 consecutive driving trips without a fault condition present. A history DTC will clear if no fault conditions have been detected for 40 warm-up cycles (the coolant temperature has risen 22°C (40°F) from the start-up coolant temperature and the engine coolant temperature exceeds 71°C (160°F) during that same ignition cycle) or the scan tool clearing feature has been used.

Diagnostic Aids

Check the following items:

    • The fuel pressure: If the pressure is too high, the system will run rich. The VCM can compensate for some increase; however, if the pressure gets too high, the DTC P0138 may set. Refer to Fuel System Diagnosis .
    • A rich injector. Perform a poppet nozzle test. Refer to Fuel Injector Balance Test for the 5.0L, 5.7L. Refer to Fuel Injector Balance Test for the 7.4L.
    • A leaking injector. Refer to Fuel System Diagnosis .
    • Fuel contaminated oil
    • EVAP canister purge: Check for a fuel saturation. If full of fuel, check the canister control and hoses. Refer to Evaporative Emission Control System Diagnosis .
    • Leaking fuel pressure regulator diaphragm by checking the vacuum line to the regulator for fuel.
    • The TP sensor: An intermittent TP sensor output causes the system to run rich due to a false indication of the throttle moving.
    • False rich indication due to silicon contamination of the heated oxygen sensor. A DTC P0138 accompanied by a lean driveability conditions and a powdery white deposit on the sensor indicates a false rich indication.
    • Faulty HO2S (Bank 1, Sensor 2): the HO2S (Bank 1, Sensor 2) is internally shorted, the HO2S (Bank 1, Sensor 2) voltage displayed on a scan tool will be over 1.0 volt (1000 mV). Try disconnecting the HO2S (Bank 1, Sensor 2), if the displayed voltage goes from over 1000 mV to around 450 mV, replace the HO2S (Bank 1, Sensor 2).

Never solder the HO2S wires. For proper wire and connector repair, refer to Wiring Repairs .

Test Description

The numbers below refer to the step numbers on the diagnostic table.

  1. This step determines if the conditions necessary for setting the DTC P0138 exist.

Step

Action

Value(s)

Yes

No

1

Important: Before clearing DTCs, use the scan tool in order to record freeze frame and the failure records for reference because the Clear Info function will lose the data.

Was the Powertrain On-Board Diagnostic (OBD) System Check performed?

--

Go to Step 2

Go to Powertrain On Board Diagnostic (OBD) System Check

2

  1. Connect the scan tool.
  2. Run the engine at the normal operating temperature.
  3. Place the vehicle in park or neutral.
  4. Apply the parking brake.
  5. Increase the engine speed to the specified value

Does the scan tool display indicate the HO2S (Bank 1, Sensor 2) sensor voltage fixed above the specified value?

1200 RPM

0.976 V (976 mV)

Go to Step 3

Go to Step 4

3

  1. Disconnect the HO2S (Bank 1, Sensor 2) sensor.
  2. Jumper the HO2S (Bank 1, Sensor 2) sensor Low circuit (VCM side) and the HO2S (Bank 1, Sensor 2) sensor High circuit to ground.
  3. Turn ON the ignition leaving the engine off.

Does the scan tool display indicate the HO2S (Bank 1, Sensor 2) voltage less than the specified value?

0.20 V (200 mV)

Go to Step 5

Go to Step 6

4

The DTC is intermittent. If no additional DTCs are stored, refer to the Diagnostic Aids.

Are any additional DTCs stored?

--

Go to The Applicable DTC Table

Go to Step 5

5

Refer to the Diagnostic Aids

--

--

--

6

Replace the VCM.

Important:  If the VCM is faulty, reprogram the VCM. Refer to VCM Replacement/Programming (With KS Calibration PROM) .

Is the action complete?

--

Go to Step 7

--

7

  1. Using the scan tool, select the DTC and the Clear Info.
  2. Start the Engine.
  3. Idle at the normal operating temperature.
  4. Select the DTC and the Specific.
  5. Enter the DTC number which was set.
  6. Operate the vehicle within the conditions for setting this DTC as specified in the supporting text.

Does the scan tool indicate that this diagnostic ran and passed?

--

Go to Step 8

Go to Step 2

8

Using the scan tool, select the Capture Info and the Review Info.

Are any DTCs displayed that have not been diagnosed?

--

Go to The Applicable DTC Table

System OK