GM Service Manual Online
For 1990-2009 cars only

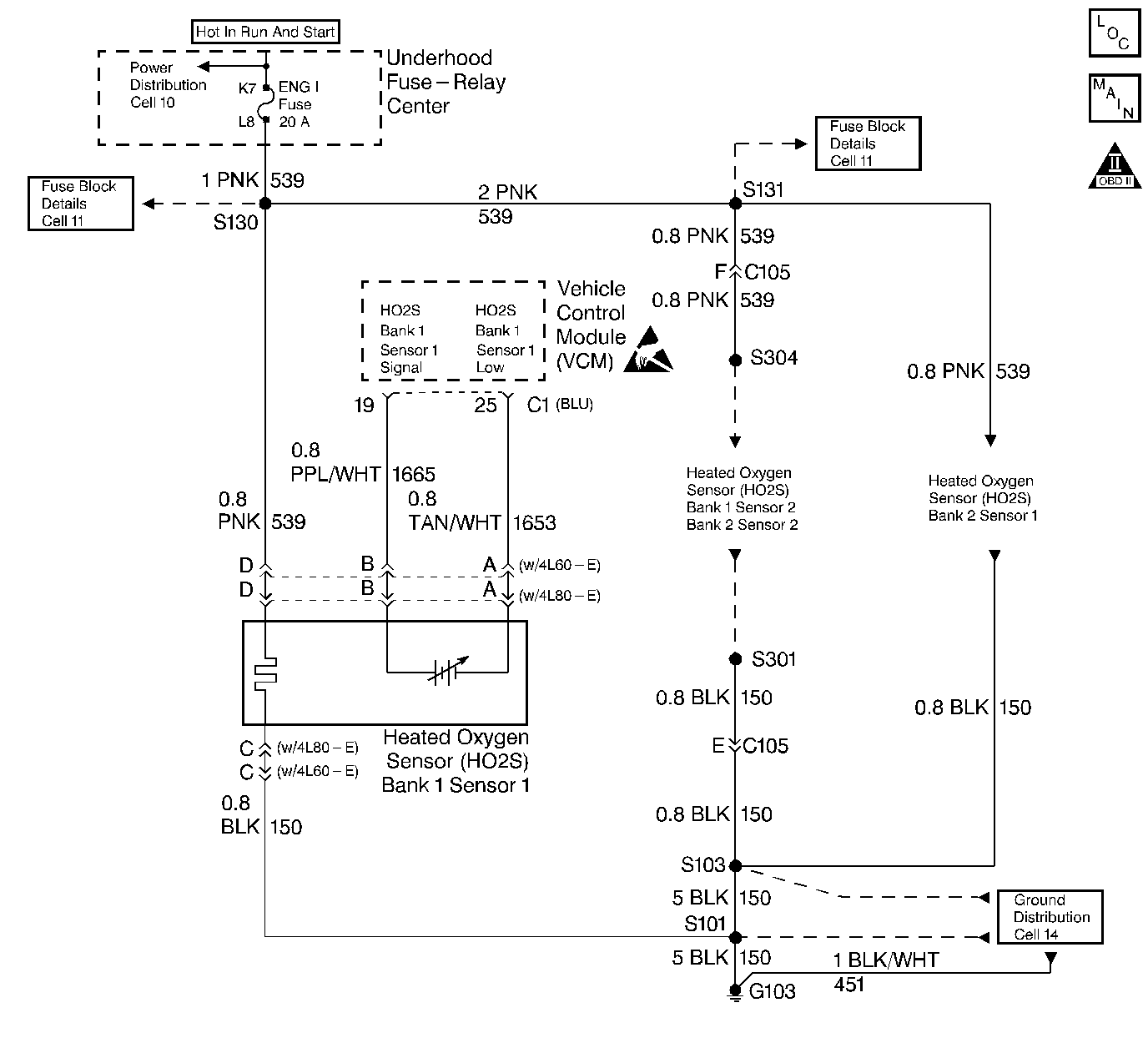
Object Number: 46184  Size: LF
Handling ESD Sensitive Parts Notice
Engine Controls Components 5.0L/5.7L/7.4L
Engine Controls Schematics
OBD II Symbol Description Notice

Circuit Description

Important: If the voltage is measured with a 10 Megaohm Digital Voltmeter, the voltage may read as low as 0.32 volt (320 mV).

The VCM supplies a voltage of about 0.45 volt between the HO2S High and the HO2S Low circuits. The Heated Oxygen Sensor (HO2S) varies the voltage from approximately 1.0 volt (1000 mV) during rich conditions to 0.10 volt (100 mV) during lean conditions.

Use this diagnostic test in conjunction with the HO2S (Bank 1 Sensor 1) slow response diagnostic test (P0133). The ratio of the response times that were calculated are compared to the calibrated limits. If the number of both lean to rich transitions (switches) and rich to lean transitions were both zero, then the ratios will set to 0. Otherwise, the ratio is calculated based on which average response time was greater. This DTC is a type B DTC.

Conditions for Setting the DTC

The following conditions will set the DTC:

    • No fuel trim DTCs
    • The L/R switches less than 30
    • The R/L switches less than 30
    • No TP sensor DTCs
    • No EVAP sensor DTCs
    • No IAT sensor DTCs
    • No MAP DTCs
    • No EGR DTCs
    • No ECT sensor DTCs
    • DTC P0131, P0132, P0134, P0135 are not set
    • A Closed Loop
    • HO2S voltage between 0.300 volts and 0.600 volts
    • Throttle position greater than 10% but less than 20%
    • The average response time calculations completed for this ignition cycle.
    • The ratio of H02S LR/RL transitions is less than expected

Action Taken When the DTC Sets

    • The VCM turns the MIL (Malfunction Indicator Lamp) ON 2 consecutive failures.
    • The VCM records the operating conditions at the time the diagnostic fails. The Freeze Frame and Failure Records store this information.

Conditions for Clearing the MIL/DTC

The following conditions will clear the DTC:

    • The VCM turns the MIL OFF after 3 consecutive drive trips that the diagnostic runs and does not fail.
    • A Last Test Failed (current) DTC clears when the diagnostic runs and does not fail.
    • A History DTC clears after forty consecutive warm-up cycles with no failures of any emission related diagnostic test.
    • The VCM battery voltage is interrupted.
    • Use the scan tool in order to select the Clear Info function.

Diagnostic Aids

Never solder the HO2S wires. For a proper wire and connector repair refer to Wiring Repairs in Engine Electrical.

Test Description

The numbers below refer to the step numbers on the diagnostic table.

  1. Checking if other possible causes of this DTC have already been diagnosed.

  2. With the engine running warm, coolant at least 85° C (185° F) and at fast idle, the HO2S voltage should rapidly swing above 0.60 volts and below 0.30 volts.

  3. Checking if the HO2S voltage is swinging between rich and lean very slowly or not at all.

  4. Checking for causes of HO2S failure. If the sensor is replaced with out finding the cause of contamination, the replacement sensor may become contaminated.

Step

Action

Value(s)

Yes

No

1

Important: Before clearing DTCs, use the scan tool in order to record the freeze frame and the failure records for reference because the Clear Info function will lose the data.

Was the Powertrain On-Board Diagnostic (OBD) System Check performed?

--

Go to Step 2

Go to Powertrain On Board Diagnostic (OBD) System Check

2

Connect the scan tool.

Are any other DTC stored?

 

Go to The Applicable DTC Table

Go to Step 3

3

  1. Start the engine.
  2. Idle until normal operating temperature is reached.
  3. Observing the ECT display on the scan tool, operate the engine at a steady speed within the specified value for two minutes.

After 2 minutes does the HO2S (Bank 1 Sensor 2) voltage rapidly swing above and below the specified value?

1200-2000 RPM

0.30 V-0.60 V

Go to Step 4

Go to Step 5

4

With the engine running at the specified value, observe the scan tool display.

Does the scan tool display indicate a Closed Loop?

1200-2000 RPM

Refer to Diagnostic Aids

Go to Step 8

5

Does the HO2S (Bank 1 Sensor 2) voltage stay within the specified value longer than it swings outside this value?

0.30 V-0.60 V

Go to Step 10

Go to Step 6

6

Check the VCM connector terminal contact at the HO2S (Bank 1 Sensor 2) and Low signal circuits.

Was a problem found?

--

Go to Step 10

Go to Step 7

7

Check for a poor connection at the HO2S (Bank 1 Sensor 2) connector.

Was a problem found?

--

Go to Step 10

Go to Step 8

8

Replace the HO2S (Bank 1 Sensor 2). Refer to Heated Oxygen Sensor Replacement .

Is the action complete?

--

Go to Step 10

--

9

Check the following for possible cause of HO2S contamination:

    • Leaded fuel
    • Incorrect gasket sealer
    • Over rich operation.

Was a problem found?

--

Go to Step 10

Go to Step 11

10

Repair or replace as necessary.

Is the action complete?

--

Go to Step 11

--

11

  1. Using the scan tool, select the DTC and the Clear Info.
  2. Start the Engine.
  3. Idle at the normal operating temperature.
  4. Select the DTC and the Specific.
  5. Enter the DTC number which was set.
  6. Operate the vehicle within the conditions for setting this DTC as specified in the supporting text.

Does the scan tool indicate that this diagnostic ran and passed?

--

Go to Step 12

Go to Step 2

12

Using the scan tool, select the Capture Info and the Review Info.

Are any DTCs displayed that have not been diagnosed?

--

Go to The Applicable DTC Table

System OK