GM Service Manual Online
For 1990-2009 cars only

CAMPAIGN:REAR BENCH SEAT LATCH ASSEMBLY

REVISION DATE: JANUARY 1994

GMC NUMBER: 93-C-12(A) CHEVROLET : 93C20(A)

THIS BULLETIN CANCELS AND REPLACES CHEVROLET CAMPAIGN 93C20 AND GMC CAMPAIGN 93-C-12 ISSUED NOVEMBER 1993. DISCARD CAMPAIGN BULLETIN 93-C-12. THE "SERVICE PROCEDURE" AND "PARTS INFORMATION" SECTIONS HAVE BEEN REVISED TO SHOW THE CORRECT PART NUMBER FOR THE BOLT USED IN THIS CAMPAIGN. THE CORRECT BOLT PART NUMBER IS P/N 11503800. ----------------------------------------------------------------------

CHEVROLET CAMPAIGN 93C20 GMC TRUCK CAMPAIGN 93-C-12 1993 C/K CREW CAB - REAR BENCH SEAT LATCH ASSEMBLY

TO: ALL <DIVISION> DEALERS

THE NATIONAL TRAFFIC AND MOTOR VEHICLE SAFETY ACT, AS AMENDED, PROVIDES THAT EACH VEHICLE WHICH IS SUBJECT TO A RECALL CAMPAIGN OF THIS TYPE MUST BE ADEQUATELY REPAIRED WITHIN A REASONABLE TIME AFTER THE OWNER HAS TENDERED IT FOR REPAIR. A FAILURE TO REPAIR WITHIN SIXTY (60) DAYS AFTER TENDER OF A VEHICLE IS PRIMA FACIE EVIDENCE OF FAILURE TO REPAIR WITHIN A REASONABLE TIME.

IF THE CONDITION IS NOT ADEQUATELY REPAIRED WITHIN A REASONABLE TIME, THE OWNER MAY BE ENTITLED TO AN IDENTICAL OR REASONABLY EQUIVALENT VEHICLE AT NO CHARGE OR TO A REFUND OF THE PURCHASE PRICE LESS A REASONABLE ALLOWANCE FOR DEPRECIATION.

TO AVOID HAVING TO PROVIDE THESE BURDENSOME SOLUTIONS, EVERY EFFORT MUST BE MADE TO PROMPTLY SCHEDULE AN APPOINTMENT WITH EACH OWNER AND TO REPAIR THEIR VEHICLE AS SOON AS POSSIBLE. AS YOU WILL SEE IN READING THE ATTACHED COPY OF THE LETTER THAT IS BEING SENT TO OWNERS, THE OWNERS ARE BEING INSTRUCTED TO CONTACT THE CHEVROLET CUSTOMER ASSISTANCE CENTER IF THEIR DEALER DOES NOT REMEDY THE CONDITION WITHIN FIVE (5) DAYS OF THE MUTUALLY AGREED UPON SERVICE DATE. IF THE CONDITION IS NOT REMEDIED WITHIN A REASONABLE TIME, THEY ARE INSTRUCTED ON HOW TO CONTACT THE NATIONAL HIGHWAY TRAFFIC SAFETY ADMINISTRATION.

DEFECT INVOLVED

GENERAL MOTORS HAS DETERMINED THAT ON CERTAIN 1993 <DIVISION> C/K CREW CAB MODEL VEHICLES BUILT AT JANESVILLE ASSEMBLY PLANT WITH A FOLDING FULL BENCH REAR SEAT THE MANUAL LATCH MECHANISM WAS ATTACHED TO THE BACK FRAME LOWER CROSS TUBE WITH DOMED HEAD STEEL RIVETS INSTEAD OF THE BOLTS SPECIFIED. THIS CONDITION DOES NOT MEET THE REQUIREMENTS OF THE FEDERAL MOTOR VEHICLE SAFETY STANDARD (FMVSS) 207, "ANCHORAGE OF SEATS".

TO CORRECT THIS CONDITION, DEALERS ARE TO REPLACE THE RIVETS WITH THE CORRECT BOLTS.

VEHICLES INVOLVED

INVOLVED ARE CERTAIN 1993 CHEVROLET C/K CREW CAB TRUCKS (MODEL 30943) BUILT WITHIN THE FOLLOWING VIN BREAKPOINTS:

CHEVROLET YEAR MODEL PLANT CODE FROM THROUGH 1993 C/K CREW CAB JANESVILLE "J" J385973 J393081

GMC TRUCK YEAR MODEL PLANT CODE FROM THROUGH 1993 C/K CREW CAB JANESVILLE "J" 1GTHK33F6PJ743765 1GTHK33N0PJ745891

INVOLVED VEHICLES HAVE BEEN IDENTIFIED BY VEHICLE IDENTIFICATION NUMBER COMPUTER LISTINGS. COMPUTER LISTINGS CONTAIN THE COMPLETE VEHICLE IDENTIFICATION NUMBER, OWNER NAME AND ADDRESS DATA, AND ARE FURNISHED TO INVOLVED DEALERS WITH THE CAMPAIGN BULLETIN. OWNER NAME AND ADDRESS DATA FURNISHED WILL ENABLE DEALERS TO FOLLOW-UP WITH OWNERS INVOLVED IN THIS CAMPAIGN.

THESE LISTINGS MAY CONTAIN OWNER NAMES AND ADDRESSES OBTAINED FROM STATE MOTOR VEHICLE REGISTRATION RECORDS. THE USE OF SUCH MOTOR VEHICLE REGISTRATION DATA FOR ANY OTHER PURPOSE IS A VIOLATION OF LAW IN SEVERAL STATES. ACCORDINGLY, YOU ARE URGED TO LIMIT THE USE OF THIS LISTING TO THE FOLLOW-UP NECESSARY TO COMPLETE THIS CAMPAIGN. ANY DEALER NOT RECEIVING A COMPUTER LISTING WITH THE CAMPAIGN BULLETIN HAS NO INVOLVED VEHICLES CURRENTLY ASSIGNED.

OWNER NOTIFICATION

OWNERS WILL BE NOTIFIED OF THIS CAMPAIGN ON THEIR VEHICLES BY <DIVISION> MOTOR DIVISION (SEE COPY OF OWNER LETTER INCLUDED WITH THIS BULLETIN).

DEALER CAMPAIGN RESPONSIBILITY

ALL UNSOLD NEW VEHICLES IN DEALERS' POSSESSION AND SUBJECT TO THIS CAMPAIGN MUST BE HELD AND INSPECTED/REPAIRED PER THE SERVICE PROCEDURE OF THIS CAMPAIGN BULLETIN BEFORE OWNERS TAKE POSSESSION OF THESE VEHICLES.

DEALERS ARE TO SERVICE ALL VEHICLES SUBJECT TO THIS CAMPAIGN AT NO CHARGE TO OWNERS, REGARDLESS OF MILEAGE, AGE OF VEHICLE, OR OWNERSHIP, FROM THIS TIME FORWARD.

OWNERS OF VEHICLES RECENTLY SOLD FROM YOUR NEW VEHICLE INVENTORY WITH NO OWNER INFORMATION INDICATED ON THE DEALER LISTING, ARE TO BE CONTACTED BY THE DEALER, AND ARRANGEMENTS MADE TO MAKE THE REQUIRED CORRECTION ACCORDING TO THE INSTRUCTIONS CONTAINED IN THIS BULLETIN. THIS COULD BE DONE BY MAILING TO SUCH OWNERS A COPY OF THE OWNERS LETTER ACCOMPANYING THIS BULLETIN. CAMPAIGN FOLLOW-UP CARDS SHOULD NOT BE USED FOR THIS PURPOSE, SINCE THE OWNER MAY NOT AS YET HAVE RECEIVED THE NOTIFICATION LETTER.

IN SUMMARY, WHENEVER A VEHICLE SUBJECT TO THIS CAMPAIGN ENTERS YOUR VEHICLE INVENTORY, OR IS IN YOUR DEALERSHIP FOR SERVICE IN THE FUTURE, PLEASE TAKE THE STEPS NECESSARY TO BE SURE THE CAMPAIGN CORRECTION HAS BEEN MADE BEFORE SELLING OR RELEASING THE VEHICLE.

PARTS INFORMATION

PARTS REQUIRED TO COMPLETE THIS CAMPAIGN ARE TO BE OBTAINED FROM GENERAL MOTORS SERVICE PARTS OPERATIONS (GMSPO). TO ENSURE THESE PARTS WILL BE OBTAINED AS SOON AS POSSIBLE, THEY SHOULD BE ORDERED FROM GMSPO ON A "C.I.O." ORDER WITH NO SPECIAL INSTRUCTION CODE, BUT ON AN ADVISE CODE (2).

QUANTITY/ PART NUMBER DESCRIPTION VEHICLE

11503800 BOLT 4

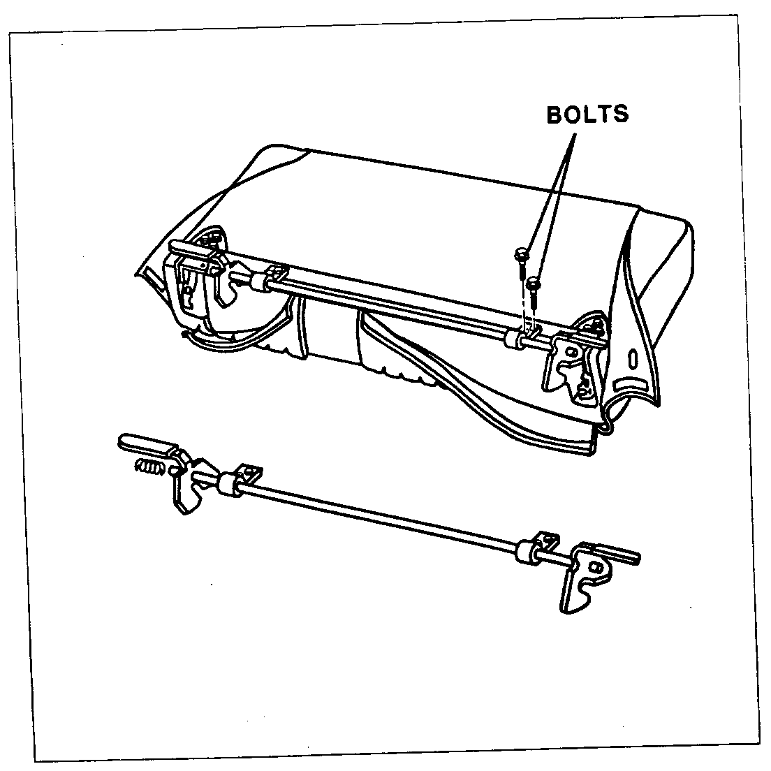
SERVICE PROCEDURE: FIGURES REFERENCED ARE LOCATED ON PAGES 4 & 5.

INSPECTION

1. RELEASE LATCH HANDLE ON SEAT BACK AND PULL SEAT BACK FORWARD.

2. RELEASE SEAT RISE HANDLE AND SLIDE SEAT FORWARD.

3. INSERT FINGERS THROUGH SEAT BACK TRIM SLOT NEXT TO LATCH HANDLE AND FEEL TO SEE IF UNIT IS EQUIPPED WITH A RIVETS OR BOLTS (SEE FIGURE 1). INSPECT BOTH SIDES OF SEAT. IF VEHICLE IS EQUIPPED WITH BOLTS ON BOTH SIDES, PROCEED TO STEP #4. IF VEHICLE IS EQUIPPED WITH RIVETS ON BOTH OR EITHER SIDE, PROCEED TO "REPAIR" PROCEDURE BELOW.

4. INSTALL CAMPAIGN IDENTIFICATION LABEL.

REPAIR (SEE FIGURE 2)

1. WITH SEAT IN FULL FORWARD POSITION, BEGIN REPAIR ON LEFT HAND SIDE BY UNZIPPING SEAT BACK TRIM HALF-WAY.

2. DRILL BOTH RIVET CENTERS OUT WITH A 3/16" BIT. IF A RIVET SPINS, USE A 5/8" WIDE CHISEL TO KNOCK OFF RIVET HEAD.

3. FLIP ROD LATCH BRACKET DOWN AND USE A 1/8" PUNCH TO KNOCK RIVETS OUT. IF A RIVET DROPS INTO FRAME TUBE, USE EXPANDABLE SPRAY FOAM INSULATION IN HOLE TO PREVENT RIVET FROM RATTLING IN TUBE.

4. FLIP LATCH BAR BRACKET UP AND LINE BRACKET UP WITH HOLES.

5. INSTALL BOLTS INTO HOLES AND TIGHTEN EACH TO 6-8 NM. (53-71 LB. IN. OR 4.5 TO 6 LB. FT.).

6. CHECK SEAT FOR PROPER LATCHING BY PUTTING SEAT BACK INTO PROPER POSITION AND PULLING TOWARDS FRONT.

7. CHECK SEAT FOR UNLATCHING BY PULLING UP ON LATCH, SEAT SHOULD FALL FORWARD.

8. ZIP TRIM BACK DOWN.

9. REPEAT PROCEDURE FOR RIGHT SIDE OF SEAT.

10. INSTALL CAMPAIGN IDENTIFICATION LABEL.

CAMPAIGN IDENTIFICATION LABEL

EACH VEHICLE CORRECTED IN ACCORDANCE WITH THE INSTRUCTIONS OUTLINED IN THIS PRODUCT CAMPAIGN BULLETIN WILL REQUIRE A "CAMPAIGN IDENTIFICATION LABEL". EACH LABEL PROVIDES A SPACE TO INCLUDE THE CAMPAIGN NUMBER AND THE FIVE (5) DIGIT DEALER CODE OF THE DEALER PERFORMING THE CAMPAIGN SERVICE. THIS INFORMATION MAY BE INSERTED WITH A TYPEWRITER OR A BALL POINT PEN.

EACH "CAMPAIGN IDENTIFICATION LABEL" IS TO BE LOCATED ON THE RADIATOR CORE SUPPORT IN AN AREA WHICH WILL BE VISIBLE WHEN THE VEHICLE IS BROUGHT IN FOR PERIODIC SERVICING BY THE OWNER. ADDITIONAL "CAMPAIGN IDENTIFICATION LABELS" CAN BE OBTAINED FROM DAC.

APPLY "CAMPAIGN IDENTIFICATION LABEL" ONLY ON A CLEAN, DRY SURFACE.

CLAIM INFORMATION

SUBMIT A PRODUCT CAMPAIGN CLAIM WITH THE INFORMATION INDICATED BELOW: * FAILED PARTS CC-FC LABOR LAB OTH REPAIR PERFORMED PC PART NO. ALLOW OP HRS HRS

INSPECT - BOLTS - - - -- SK-00 V8250 0.2 0.1 ALREADY INSTALLED

INSPECT AND REPLACE RIVETS 4 11509509 ** SK-00 V8251 0.6 0.1 WITH BOLTS

NOTE: GMC TRUCK USE TROUBLE CODE 96

* CAMPAIGN ADMINISTRATIVE ALLOWANCE.

** THE "PARTS ALLOWANCE" SHOULD BE THE SUM TOTAL OF THE CURRENT GMSPO DEALER NET PRICE PLUS 30% OF ALL PARTS REQUIRED FOR THE REPAIR.

DEALERS WILL AUTOMATICALLY RECEIVE THE CORRECT LABOR AND MATERIAL ALLOWANCE BASED ON THE LABOR OPERATION PERFORMED.

REFER TO <DIVISION> CLAIMS PROCESSING MANUAL FOR DETAILS ON PRODUCT CAMPAIGN CLAIM SUBMISSION.

FIGURES: 2

93C20

OCTOBER 21, 1993

--- SAMPLE LETTER ---

DEAR CHEVROLET C/K TRUCK OWNER:

THIS NOTICE IS SENT TO YOU IN ACCORDANCE WITH THE REQUIREMENTS OF THE NATIONAL TRAFFIC AND MOTOR VEHICLE SAFETY ACT.

REASON FOR THIS RECALL

GENERAL MOTORS HAS DETERMINED THAT CERTAIN 1993 CHEVROLET C/K CREW CAB MODEL VEHICLES WITH FOLDING FULL BENCH REAR SEATS WERE ASSEMBLED WITH STEEL RIVETS INSTEAD OF THE BOLTS SPECIFIED. THIS CONDITION DOES NOT MEET THE REQUIREMENTS OF THE FEDERAL MOTOR VEHICLE SAFETY STANDARD (FMVSS) 207, "ANCHORAGE OF SEATS".

WHAT WE WILL DO

TO CORRECT THIS CONDITION, WE WILL REPLACE THE RIVETS WITH THE APPROPR THIS SERVICE WILL BE PERFORMED FOR YOU AT NO CHARGE.

WHAT YOU SHOULD DO

PLEASE CONTACT YOUR CHEVROLET DEALER AS SOON AS POSSIBLE TO ARRANGE A SERVICE DATE AND SO THE DEALER MAY ORDER THE NECESSARY PARTS FOR THE REPAIR. INSTRUCTIONS FOR MAKING THIS INSPECTION/CORRECTION HAVE BEEN SENT TO YOUR DEALER AND PARTS ARE AVAILABLE. THE LABOR TIME NECESSARY TO PERFORM THIS SERVICE CORRECTION IS APPROXIMATELY 10 TO 30 MINUTES. PLEASE ASK YOUR DEALER IF YOU WISH TO KNOW HOW MUCH ADDITIONAL TIME WILL BE NEEDED TO SCHEDULE AND PROCESS YOUR VEHICLE.

YOUR CHEVROLET DEALER IS BEST EQUIPPED TO OBTAIN PARTS AND PROVIDE SERVICE TO ENSURE THAT YOUR VEHICLE IS CORRECTED AS PROMPTLY AS POSSIBLE. IF, HOWEVER, YOU TAKE YOUR VEHICLE TO YOUR DEALER ON THE AGREED SERVICE DATE, AND THEY DO NOT REMEDY THIS CONDITION ON THAT DATE OR WITHIN FIVE (5) DAYS, WE RECOMMEND YOU CONTACT THE CHEVROLET CUSTOMER ASSISTANCE CENTER BY CALLING 1-800-222-1020.

AFTER CONTACTING YOUR DEALER AND THE CUSTOMER ASSISTANCE CENTER, IF YOU ARE STILL NOT SATISFIED THAT WE HAVE DONE OUR BEST TO REMEDY THIS CONDITION WITHOUT CHARGE AND WITHIN A REASONABLE TIME, YOU MAY WISH TO WRITE THE ADMINISTRATOR, NATIONAL HIGHWAY TRAFFIC SAFETY ADMINISTRATION, 400 SEVENTH STREET, S.W., WASHINGTON, D.C. 20590 OR CALL 1-800-424-9393 (WASHINGTON D.C. RESIDENTS USE 366-0123).

THE ENCLOSED OWNER REPLY CARD IDENTIFIES YOUR VEHICLE. PRESENTATION OF THIS CARD TO YOUR DEALER WILL ASSIST IN MAKING THE NECESSARY INSPECTION/CORRECTION IN THE SHORTEST POSSIBLE TIME. IF YOU HAVE SOLD OR TRADED YOUR VEHICLE, PLEASE LET US KNOW BY COMPLETING THE POSTAGE PAID REPLY CARD AND RETURNING IT TO US.

WE ARE SORRY TO CAUSE YOU THIS INCONVENIENCE; HOWEVER, WE HAVE TAKEN THIS ACTION IN THE INTEREST OF YOUR SAFETY AND CONTINUED SATISFACTION WITH OUR PRODUCTS.

CHEVROLET MOTOR DIVISION GENERAL MOTORS CORPORATION

ENCLOSURE


Object Number: 336594  Size: FS


Object Number: 336596  Size: FS

General Motors bulletins are intended for use by professional technicians, not a "do-it-yourselfer". They are written to inform those technicians of conditions that may occur on some vehicles, or to provide information that could assist in the proper service of a vehicle. Properly trained technicians have the equipment, tools, safety instructions and know-how to do a job properly and safely. If a condition is described, do not assume that the bulletin applies to your vehicle, or that your vehicle will have that condition. See a General Motors dealer servicing your brand of General Motors vehicle for information on whether your vehicle may benefit from the information.