GM Service Manual Online
For 1990-2009 cars only
Makes
🢒
Chevrolet
🢒
1999
🢒
Chevy K Pickup - 4WD
🢒
Driveline/Axle
🢒
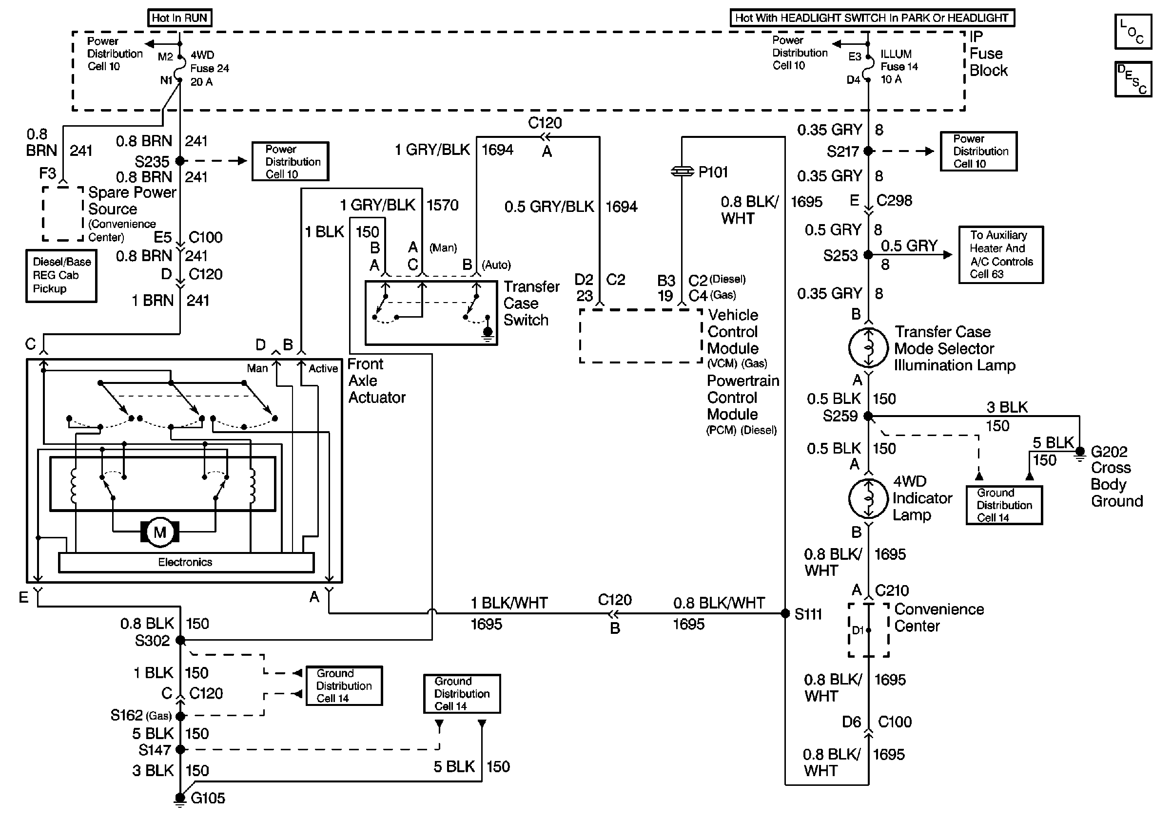
Transfer Case - NVG 241-NP2 (Two Speed Manual)
🢒 Transfer Case Control Schematics
Front Axle Control Circuit
Cell 10: ILLUM Fuse
E/K PCM
Cell 14: G202 (2 of 4)
Cell 14: G105 (1 of 2)
Cell 10: CRUISE and 4WD Fuses