GM Service Manual Online
For 1990-2009 cars only
Makes
🢒
Chevrolet
🢒
2000
🢒
Chevy K Pickup - 4WD
🢒
HVAC
🢒
HVAC Systems - Manual
🢒 Transfer Case Control Component Views
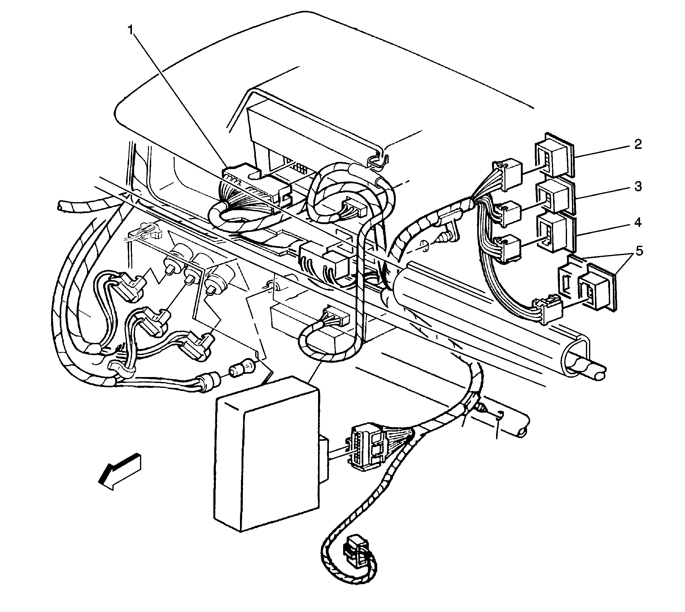
Figure
1:
Selectable Transfer Case Wiring
(1)
Engine Harness
(2)
Connector C120
(3)
Vehicle Speed Sensor to Engine Harness
(4)
Shift Motor Power
(5)
Vehicle Speed Sensor
(6)
Encoder Connector
(7)
Transfer Case Switch
(8)
PNP Switch
Figure
2:
Transfer Case Select Switch
(1)
Radio Connector
(2)
Rear Wiper Switch
(3)
Cargo Lamp Switch
(4)
Rear Fan Switch
(5)
Electric Shift Transfer Case Switch or Fog Lamp Switch
Figure
3:
C100, C140, C142, P100
(1)
Pass Through Grommet P100
(2)
Connector C100
(3)
Engine Harness
(4)
Connector C140
(5)
Connector C142
Figure
4:
Front Axle Actuator Wiring
(1)
Transfer Case Harness
(2)
Starter
(3)
Battery Cable
(4)
Front Differential
(5)
Actuator Motor
(6)
Actuator Connector
(7)
Frame