GM Service Manual Online
For 1990-2009 cars only

Tech - Possible Oil Filter Damage or Oil Leak from Oil Filter Area

Subject:Possible Oil Filter Damage or Oil Leak from Oil Filter Area (Install Oil Filter Adapter)

Models:1999-2000 Chevrolet and GMC K Pickup Models
with 7.4 L Engine (VIN J -- RPO L29)
and without an oil filter adapter



Condition

Some customers may comment on oil filter damage or oil leaks from the oil filter area.

Cause

Under certain driving conditions, the oil filter may become damaged due to contact with the front prop shaft.

Correction

Install a new oil filter adapter, which will relocate the engine oil filter away from the front prop shaft.

Oil Filter and Adapter Removal


    Object Number: 640367  Size: SH
  1. Remove the oil filter.
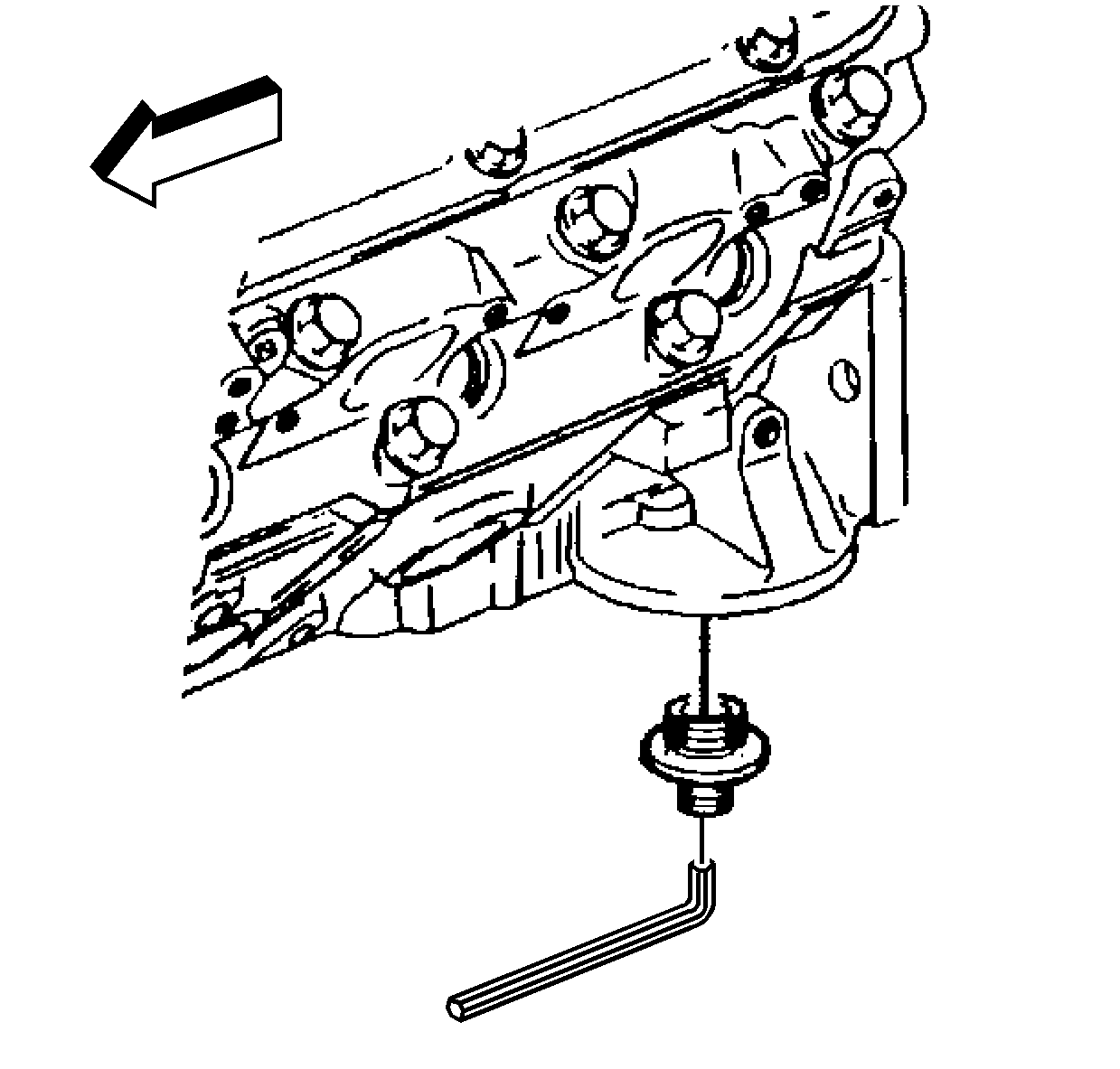
  2. Remove the oil filter fitting from the engine block, using a hex wrench.

Oil Filter and Adapter Installation


    Object Number: 70415  Size: SH
  1. Clean the mating surface of the engine block.
  2. Lubricate the oil filter adapter O-ring seal with clean engine oil.
  3. Install the oil filter adapter (P/N 12559660).
  4. Install the filter adapter bolts (P/N 10106470).
  5. Tighten
    Tighten the oil filter adapter bolts to 25 N·m (18 lb ft).

  6. Apply sealer (P/N 12346004) to the oil filter adapter bolt plugs.
  7. Install the oil filter adapter bolt plugs (P/N 14090911), using a 5/16 inch square drive, into the oil filter adapter.
  8. Tighten
    Tighten the oil filter adapter plugs to 12 N·m (106 lb in).

  9. Lubricate the O-ring seal of the NEW oil filter (P/N 25014831).
  10. Install the NEW oil filter (P/N 25014831).
  11. Fill the engine with the proper quantity and grade of new engine oil.

Parts Information

Part Number

Description

Qty

10106470

Oil Filter Adapter Bolts

2

12346004

Sealer

1

12559660

Oil Filter Adapter

1

14090911

Oil Filter Adapter Bolt Plugs

2

25014831

Oil Filter

1

Parts are currently available from GMSPO.

Warranty Information

For vehicles repaired under warranty, use:

Labor Operation

Description

Labor Time

J0960

Adapter and/or Gasket, Oil Filter - Replace

0.4 Hr