GM Service Manual Online
For 1990-2009 cars only
Makes
🢒
Chevrolet
🢒
2000
🢒
Chevy K Pickup - 4WD
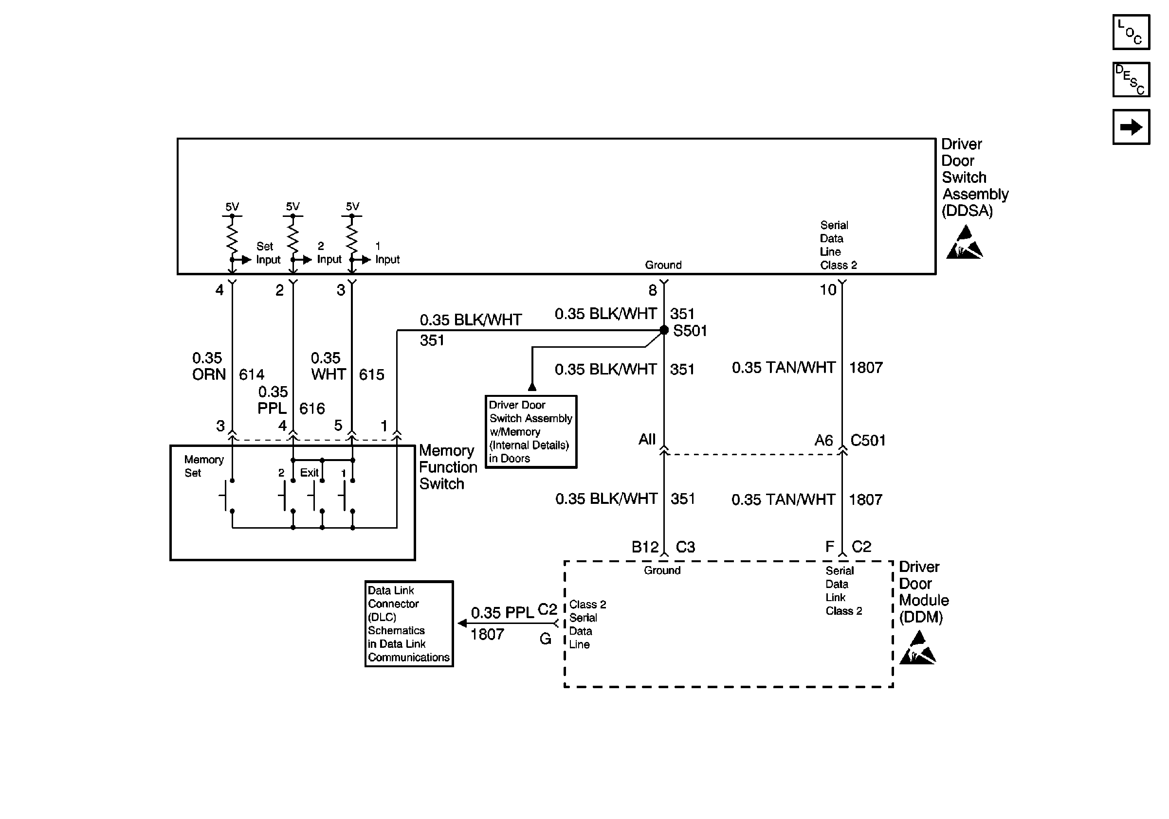
🢒 Memory Function Switch
Memory Function Switch
Memory Function Switch
Power Seat Systems Components
Memory Seat Circuit Description
(A45 with AC9, AL2 or AM3) PWR, GND, LH Seat Switch and MSM
Handling ESD Sensitive Parts Notice
Driver Door Switch Assembly (DDSA) Internal Details (w/Memory (A45))
Data Link Connector Schematics
Handling ESD Sensitive Parts Notice