GM Service Manual Online
For 1990-2009 cars only

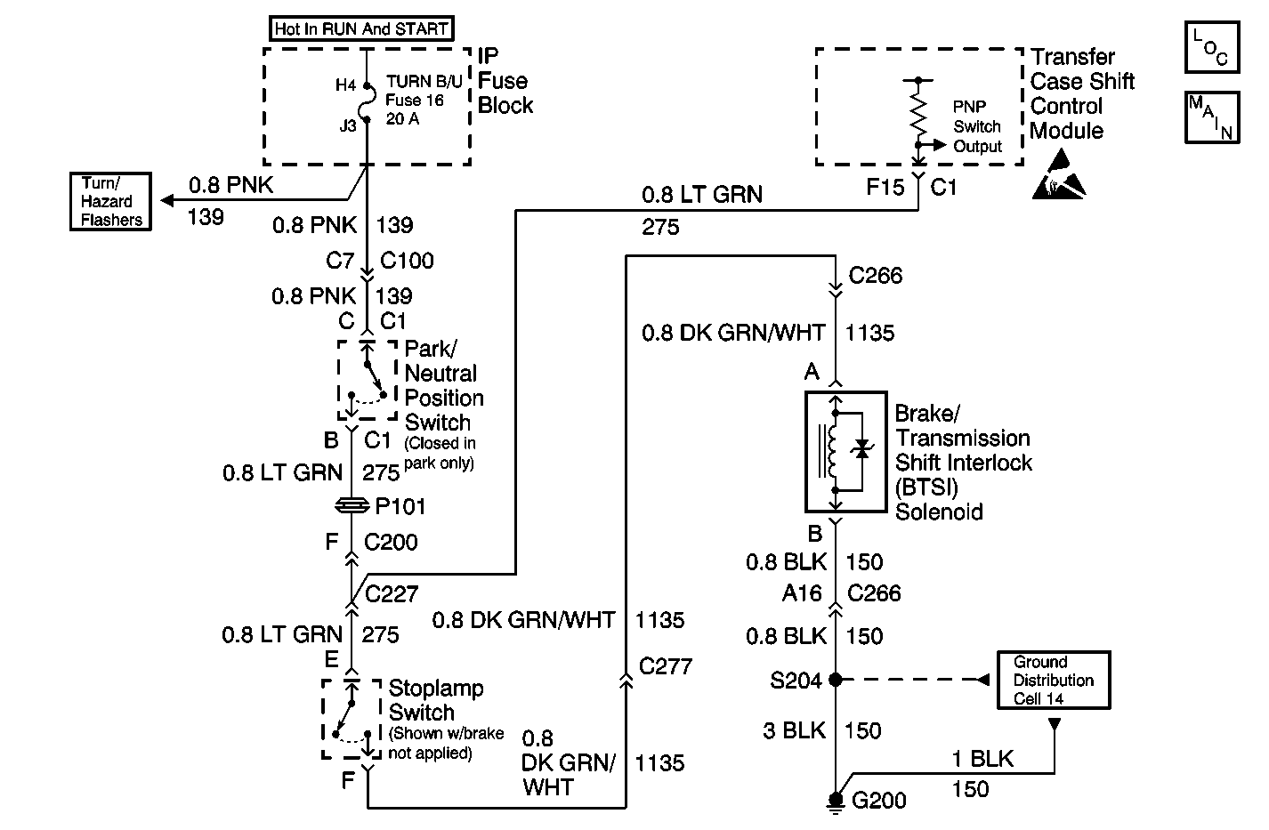
Object Number: 562237  Size: MF
Transfer Case Control Components
Transfer Case Control Schematics

Circuit Description

The park switch supplies a 12 V input to the module when the vehicle is in PARK. The module uses this input to determine if the vehicle is in PARK/NEUTRAL. If the vehicle is in PARK, the module will not allow a range shift from 2H, 4H, or AUTO 4WD mode to 4L range.

This DTC detects voltage on the PNP Switch Output Circuit at the module when the module sees a front or rear propshaft speed signal.

Conditions for Setting the DTC

The transfer case shift control module detects voltage on the PNP Switch Output Circuit at the module when the module sees a front or rear propshaft speed signal, or vehicle speed form the VCM over the Class 2 data bus 10 mph or over for 10 consecutive seconds.

Action Taken When the DTC Sets

    • Whenever PARK/NEUTRAL was true, the module believes the transmission was in PARK.
    • All range shifts will be disabled.
    • The SERVICE indicator (AWD/4WD) lamp will be latched on for the remainder of the current ignition cycle.

Conditions for Clearing the DTC

    • The transfer case shift control module will clear the DTC if the condition for setting the DTC no longer exists.
    • A history DTC will clear after 100 consecutive ignition cycles without a fault present.
    • History DTCs can be cleared using a scan tool.

Test Description

The number(s) below refer to the step number(s) on the diagnostic table.

  1. This step helps determine if the transfer case shift control module can read the normal state of the Park Switch.

  2. This step helps determine if there is an intermittant concern with the PNP Switch Output Circuit.

  3. This step helps determine if the park switch is faulty.

  4. Tests the PNP Switch Output Circuit for a short to voltage.

DTC C0357 Park Switch Circuit High

Step

Action

Value(s)

Yes

No

1

Did you perform the Transfer Case Diagnostic System Check?

--

Go to Step 2

Go to Diagnostic System Check

2

  1. Install a scan tool.
  2. Turn ON the ignition, with the engine OFF.
  3. Place the transmission select switch in the Drive position.
  4. With a scan tool, observe the Park Switch parameter in the ATC data list.

Does the scan tool display Open?

--

Go to Step 3

Go to Step 4

3

Place the transmission select switch in the Park position.

Does the Park Switch parameter change state?

--

Go to Testing for Electrical Intermittents

Go to Step 4

4

  1. Turn OFF the ignition.
  2. Disconnect the PARK/NEUTRAL Position Switch.
  3. Turn ON the ignition, with the engine OFF.
  4. With a scan tool, observe the Park Switch parameter.

Does the scan tool display Open?

--

Go to Step 8

Go to Step 5

5

Test the PNP Switch Output Circuit of the Park Switch for a short to voltage. Refer to Circuit Testing and Wiring Repairs in Wiring Systems.

Did you find and correct the condition?

--

Go to Step 9

Go to Step 6

6

Inspect for poor connections at the harness connector of the transfer case shift control module. Refer to Testing for Intermittent Conditions and Poor Connections and Connector Repairs in Wiring Systems.

Did you find and correct the condition?

--

Go to Step 9

Go to Step 7

7

Replace the Transfer Case Shift Control Module. Refer to Transfer Case Shift Control Module Replacement.

Did you complete the replacement?

--

Go to Step 9

--

8

Replace the Park Switch. Refer to Park Switch replacement.

Did you complete the replacement?

--

Go to Step 9

--

9

  1. Use the scan tool in order to clear the DTCs.
  2. Operate the vehicle within the Conditions for Running the DTC as specified in the supporting text.

Does the DTC reset?

--

Go to Step 2

System OK