GM Service Manual Online
For 1990-2009 cars only
Makes
🢒
Chevrolet
🢒
1999
🢒
Chevy K Silverado - 4WD
🢒
Driveline/Axle
🢒
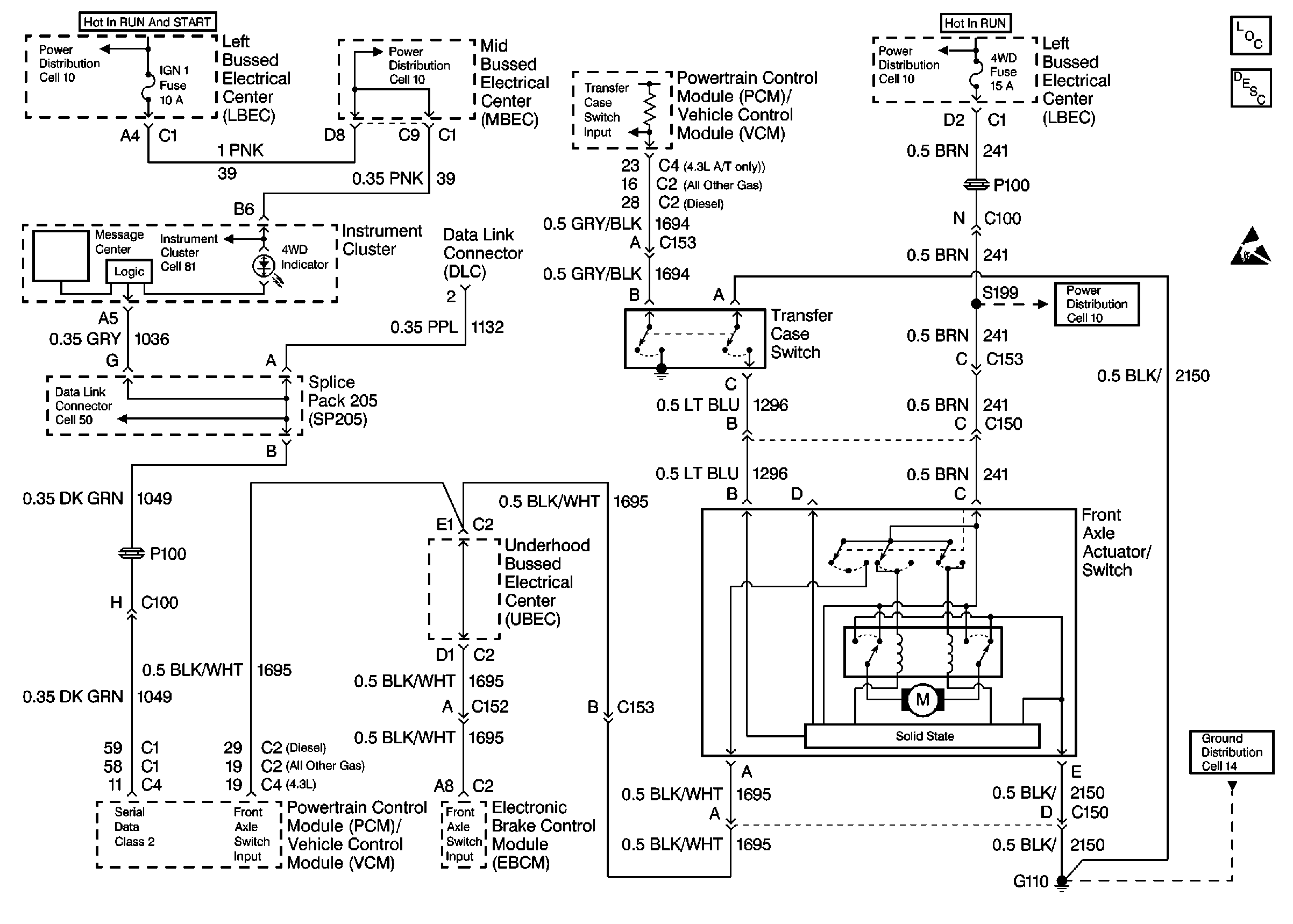
Transfer Case - NVG 261-NP2 (Two Speed Manual)
🢒 Transfer Case Control Schematics
Transfer Case Control Schematics New
Cell 38: Left Bussed Electrical Center, Front Axle Actuator Switch
Transfer Case Control Components
Transfer Case Circuit Description
Handling ESD Sensitive Parts Notice
Cell 10: Underhood Bussed Electrical Center, Electronic Brake Control ModuLe
Cell 10: A/C Compressor Relay, Auxiliary Power Outlet
Cell 10: Left Bussed Electrical Center, Electronic Brake Control Module
Cell 81: Left Bussed Electrical Center, Splice Pack SP205, Splice PackSP203
Cell 10: Left Bussed Electrical Center, Electronic Brake Control Module
Cell 50
Cell 14: RH Fog Lamp, RH Park/Turn Lamp