GM Service Manual Online
For 1990-2009 cars only

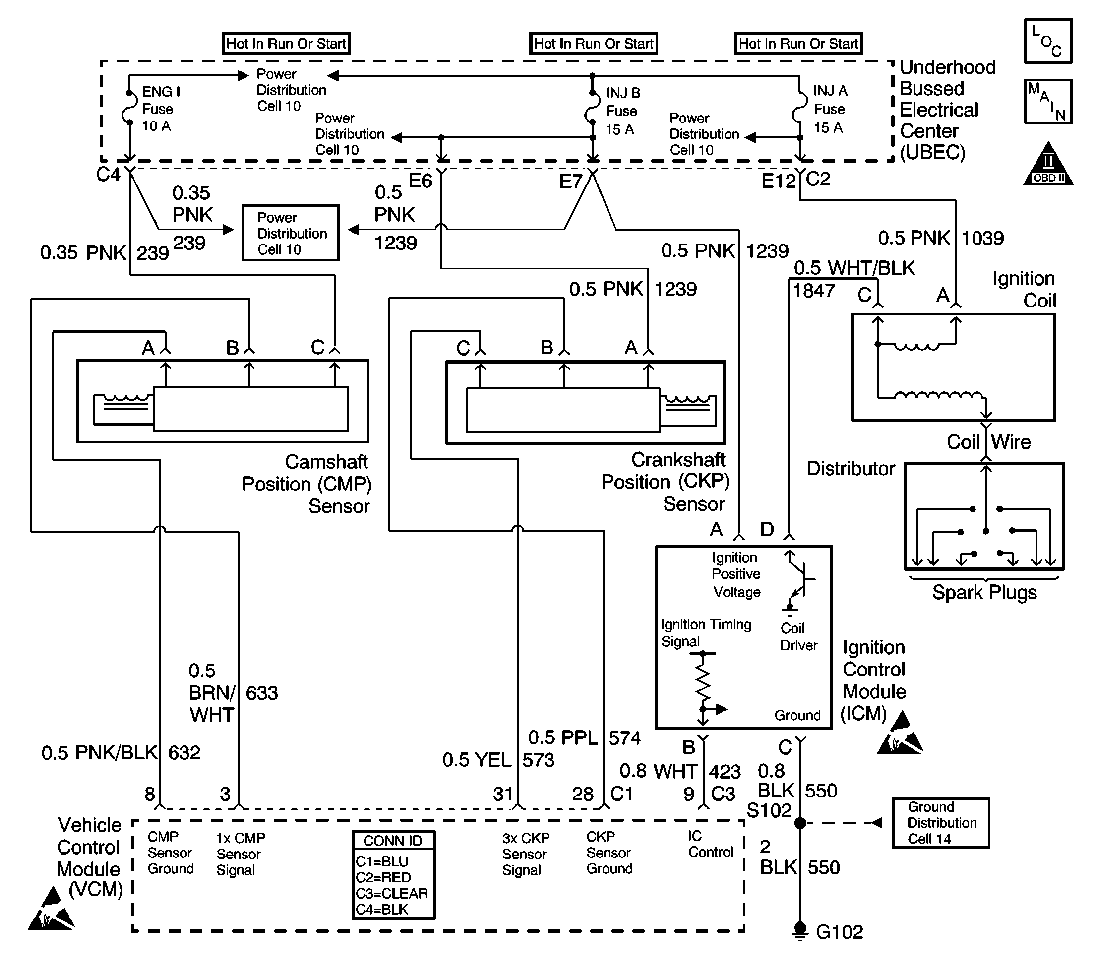
Object Number: 593380  Size: LF
Engine Controls Components
ENG1, INJ B, INJ A Fuses, ICM, CKP, CMP, IPC
OBD II Symbol Description Notice
Handling ESD Sensitive Parts Notice
VCM Connector End Views
Handling ESD Sensitive Parts Notice

System Description

This system includes the distributor, the CAM position sensor ignition coil with the ignition coil driver, the secondary wires, spark plugs, the knock sensors (KS), and the crank sensors. The ignition system is controlled by the vehicle control module (VCM). The VCM monitors the information from various engine sensors, computes the desired spark timing, and controls the dwell and firing of the ignition coil via an ignition control (IC) line to the coil driver.

Diagnostic Aids

Check the following when the distributor rotor does not rotate, while engine is cranking:

    • A broken distributor drive shaft
    • A worn distributor drive gear or camshaft timing chain and gears

An intermittent may be caused by any of the following conditions:

    • A poor connection
    • Rubbed through wire insulation
    • A broken wire inside the insulation

Thoroughly inspect any circuitry that is suspected of causing the intermittent complaint. Refer to Testing for Intermittent Conditions and Poor Connections in Wiring Systems.

If a repair is necessary, refer to Wiring Repairs or Connector Repairs in Wiring Systems.

Test Description

The numbers below refer to the step numbers on the diagnostic table.

The battery should be fully charged prior to any tests.

  1. Perform the Powertrain On-Board Diagnostic (OBD) System Check before proceeding unless it was already performed.

  2. This step checks for proper output from the enhanced ignition system. The spark test requires a minimum of 25,000 volts to operate. This check can be used in case of an ignition miss, because the system may provide enough voltage to run the engine but not enough to operate a spark plug under heavy load.

  3. This test separates the distributor cap, rotor, and ignition wires from the ignition coil in order to help identify a secondary ignition system problem.

  4. This test checks the ignition control module, connections, and wiring.

  5. This test begins to determine if the VCM is providing a signal to the ignition control module. If the VCM is not providing a signal to the ignition control module, the problem exists between the ignition control module and the VCM.

  6. This test checks for a basic engine mechanical problem.

Step

Action

Value(s)

Yes

No

1

Did you perform the Powertrain On-Board Diagnostic (OBD) System Check?

--

Go to Step 2

Go to Powertrain On Board Diagnostic (OBD) System Check

2

  1. Check the spark plug wires for open circuits, cracks, or improper seating of terminals at the spark plugs, distributor, and ignition coil before proceeding with the test.
  2. Check spark at the plug with the J 26792 spark tester or equivalent while cranking. If there is no spark on one wire, check a second wire. A few sparks then nothing is considered no spark.

Is adequate spark present?

--

Go to Symptoms

Go to Step 3

3

  1. Remove the coil wire from the distributor cap.
  2. Insert the J 26792 spark tester into coil wire and clamp the tester onto a ground.
  3. Crank the engine.

Is adequate spark present?

--

Go to Step 12

Go to Step 4

4

Measure the coil wire resistance using a DMM. The resistance should be approximately the specified value.

Is the resistance within the specified value?

1,000 ohms/inch

Go to Step 5

Go to Step 30

5

  1. Disconnect the ignition coil harness connector.
  2. Probe the ignition coil connector terminal C with a test lamp connected to B+.
  3. Crank the engine.

Is the test lamp flashing while cranking the engine?

--

Go to Step 7

Go to Step 6

6

  1. Turn the ignition OFF.
  2. Probe the ignition coil harness connector terminal C with a test lamp connected to B+.

Is the test lamp ON?

--

Go to Step 27

Go to Step 8

7

  1. Turn ON the ignition, leaving the engine OFF.
  2. Measure the terminal A voltage with a DMM connected to a ground.

Does the voltage measure above the specified value?

10.0 V

Go to Step 20

Go to Step 17

8

  1. Turn OFF the ignition.
  2. Disconnect the ignition control module harness connector.
  3. Check for an open circuit between the ignition coil harness connector terminal C and the ignition control module harness connector terminal D.

Is the circuit open?

--

Go to Step 26

Go to Step 9

9

  1. Disconnect the ignition control module harness connector.
  2. Turn ON the ignition, leaving the engine OFF.
  3. Measure the voltage on terminal A at the ignition control module harness connector with a DMM connected to a ground.

Does the voltage measure above the specified value?

10.0 V

Go to Step 10

Go to Step 18

10

Probe the ignition control module harness connector terminal C with a test lamp connected to B+.

Is the test lamp ON?

--

Go to Step 11

Go to Step 22

11

  1. Disconnect the ignition control module harness connector.
  2. Probe the ignition control module harness connector terminal B with a DMM set to the AC scale connected to a ground.
  3. Crank the engine.
  4. Observe the voltage while the engine is being cranked.

Is the voltage between the specified values?

1.0-4.0 V

Go to Step 19

Go to Step 14

12

  1. Remove the distributor cap.
  2. Check the cap for the following conditions:
  3. • Cracks
    • Moisture
    • Carbon tracks
    • Physical damage

Are any of these conditions present?

--

Go to Step 32

Go to Step 13

13

  1. Crank the engine.
  2. Observe the distributor rotor while the engine is being cranked.

Did the distributor rotor turn?

--

Go to Step 31

Go to Symptoms

14

  1. Turn OFF the ignition.
  2. Disconnect the VCM C3 connector.
  3. Check the ignition timing signal circuit for an open between the VCM C3 harness connector and the ignition control module harness connector terminal B.

Is the circuit open?

--

Go to Step 23

Go to Step 15

15

Probe the ignition control (IC) circuit at the VCM C3 harness connector with a test lamp connected to B+.

Is the test lamp ON?

--

Go to Step 24

Go to Step 16

16

  1. Turn ON the ignition, leaving the engine OFF.
  2. Probe the ignition control (IC) circuit at the VCM C3 connector with a test lamp connected to a ground.

Is the test lamp ON?

--

Go to Step 25

Go to Step 21

17

  1. Check for an open or shorted to ground ignition positive voltage circuit at terminal A of the ignition coil.
  2. Repair as necessary. Refer to Wiring Repairs in Wiring Systems.

Is the action complete?

--

Go to Step 35

--

18

  1. Check for an open or shorted to ground ignition positive voltage circuit at terminal A of the ignition control module.
  2. Repair as necessary. Refer to Wiring Repairs in Wiring Systems.

Is the action complete?

--

Go to Step 35

--

19

Check for a poor ignition control module connection.

Did you find a problem?

--

Go to Step 28

Go to Step 33

20

Check for a poor coil connection .

Did you find a problem?

--

Go to Step 28

Go to Step 29

21

Check for a poor VCM connection.

Did you find a problem?

--

Go to Step 28

Go to Step 34

22

Repair the open ignition control module ground circuit. Refer to Wiring Repairs in Wiring Systems.

Is the action complete?

--

Go to Step 35

--

23

Repair the open IC circuit between the VCM and the ignition control module. Refer to Wiring Repairs in Wiring Systems.

Is the action complete?

--

Go to Step 35

--

24

Repair the grounded IC circuit between the VCM and the ignition control module. Refer to Wiring Repairs in Wiring Systems.

Is the action complete?

--

Go to Step 35

--

25

Repair the short to voltage in the IC circuit between the VCM and the ignition control module. Refer to Wiring Repairs in Wiring Systems.

Is the action complete?

--

Go to Step 35

--

26

Repair the open in the tachometer signal circuit between the ignition coil and the ignition control module. Refer to Wiring Repairs in Wiring Systems.

Is the action complete?

--

Go to Step 35

--

27

Repair the short to ground in the tachometer signal circuit between the ignition coil and the ignition control module. Refer to Wiring Repairs in Wiring Systems.

Is the action complete?

--

Go to Step 35

--

28

Repair the circuit as necessary. Refer to Wiring Repairs in Wiring Systems.

Is the action complete?

--

Go to Step 35

--

29

Replace the ignition coil. Refer to Ignition Coil and Ignition Coil Module Replacement in Engine Electrical.

Is the action complete?

--

Go to Step 35

--

30

Replace the coil wire. Refer to Ignition Coil and Ignition Coil Module Replacement in Engine Electrical.

Is the action complete?

--

Go to Step 35

--

31

Replace the distributor rotor. Refer to Distributor Overhaul in Engine Electrical for rotor replacement.

Is the action complete?

--

Go to Step 35

--

32

Replace the distributor cap. Refer to Distributor Overhaul in Engine Electrical for cap replacement.

Is the action complete?

--

Go to Step 35

--

33

Replace the ignition control module. Refer to Ignition Coil and Ignition Coil Module Replacement in Engine Electrical.

Is the action complete?

--

Go to Step 35

--

34

  1. Replace the VCM.
  2. Program the new VCM. Refer to VCM Replacement/Programming .
  3. Perform the Passlock Reprogramming procedure. Refer to PASSLOCK Reprogramming Auto Learn in Theft Deterrent.
  4. Perform the CKP System Variation Learn Procedure. Refer to Crankshaft Position System Variation Learn .

Is the action complete?

--

Go to Step 35

--

35

Operate the vehicle within the conditions under which the original symptom was noted.

Does the system now operate properly?

--

System OK

Go to Step 1