GM Service Manual Online
For 1990-2009 cars only

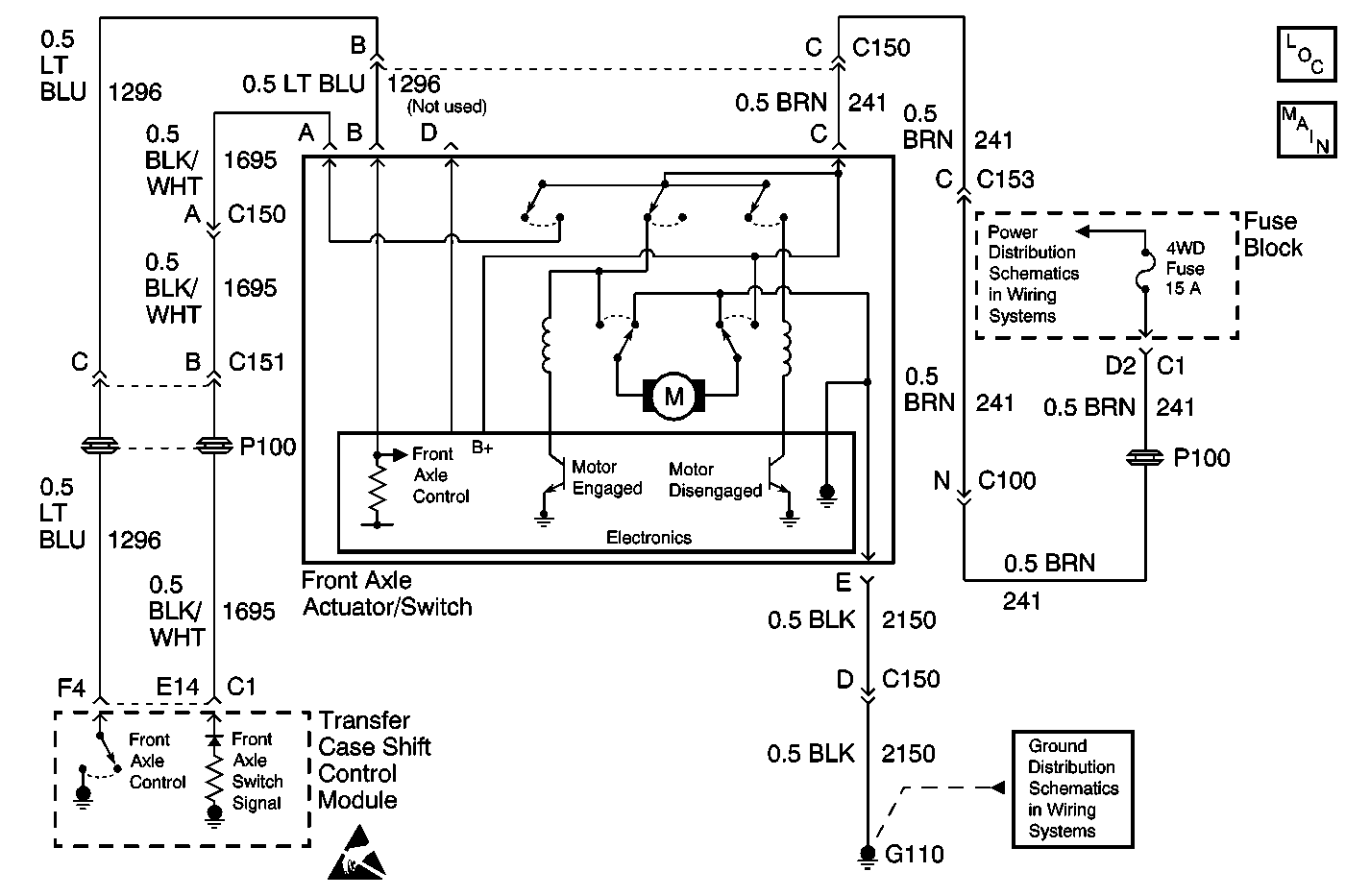
Object Number: 527813  Size: MF
Transfer Case Control Components
Transfer Case Control Schematics

Circuit Description

The front axle control circuit consists of an electric motor actuator which engages and disengages the front axle. The front axle actuator's motor consists of a Permanent Magnetic (PM) motor, a worm gear controlled plunger, a front axle switch and an electronic control circuit all within the actuator assembly.

The front axle actuator has four circuits connected to it, a front axle feed circuit, front axle ground circuit, front axle control circuit, and a front axle switch circuit.

Whenever a shift to AUTO 4WD, 4HI, or 4LO is requested, the automatic transfer case control module engages the front axle by grounding the front axle control circuit through a current limiting driver.

This DTC detects a shorted actuator, or a short to 12 V on the Front Axle Control Circuit.

Conditions for Setting the DTC

    • The system will try to engage the front axle. If it can not engage the front axle, the system will not attempt it again during that ignition cycle.
    •  The transfer case shift control module reads back the front axle output as a high voltage when a low voltage is expected.

Action Taken When the DTC Sets

    • All shifting for 4WD and AUTO 4WD mode will be disabled.
    • SERVICE indicator (4WD/AWD) lamp will be latched on for the remainder of the current ignition cycle.

Conditions for Clearing the DTC

    • The transfer case shift control module will clear the DTC if the condition for setting the DTC no longer exists.
    • A history DTC will clear after 100 consecutive ignition cycle without a fault present.
    • History DTCs can be cleared using a scan tool.

Test Description

The number(s) below refer to the step number(s) on the diagnostic table.

  1. Tests the operation of the front axle switch.

  2. Tests the electrical control of the front axle switch.

  3. Tests the Front Axle Control circuit for a short to voltage.

  4. Inspects for poor connections at the front axle switch/actuator.

  5. Inspects for poor connections at the harness connector of the transfer case shift control module.

DTC C0367 Front Axle Circuit High

Step

Action

Value(s)

Yes

No

1

Was the Transfer Case Diagnostic System Check performed?

--

Go to Step 2

Go to Diagnostic System Check

2

  1. Install a scan tool.
  2. Turn the ignition ON, with the engine OFF.
  3. With the scan tool, command the front axle ON and OFF.

Does the front axle turn ON and OFF with each command?

--

Go to Testing for Intermittent Conditions and Poor Connections

Go to Step 3

3

  1. Connect a test lamp between the 4WD Fuse circuit and the Front Axle Control circuit at the front axle switch/actuator.
  2. With the scan tool, command the front axle switch ON and OFF.

Does the test lamp turn ON and OFF with each command?

--

Go to Step 5

Go to Step 4

4

Test the Front Axle Control circuit for a short to voltage. Refer to Circuit Testing and Wiring Repairs in Wiring Systems.

Was the condition found and corrected?

--

Go to Step 9

Go to Step 6

5

Inspect for poor connections at the front axle switch/actuator. Refer to Circuit Testing and Wiring Repairs in Wiring Systems.

Was the condition found and corrected?

--

Go to Step 9

Go to Step 7

6

Inspect for poor connections at the harness connector. Refer to Testing for Intermittent Conditions and Poor Connections and Connector Repairs in Wiring Systems.

Was the condition found and corrected?

--

Go to Step 9

Go to Step 8

7

Replace the front axle switch/actuator. Refer to Electric Motor Actuator Replacement .

Is the repair complete?

--

Go to Step 9

--

8

Replace the transfer case shift control module. Refer to Transfer Case Shift Control Module Replacement .

Is the repair complete?

--

Go to Step 9

--

9

  1. Use the scan tool in order to clear the DTCs.
  2. Operate the vehicle within the Conditions for Running the DTC as specified in the supporting text.

Does the DTC reset?

--

Go to Step 2

System OK