GM Service Manual Online
For 1990-2009 cars only
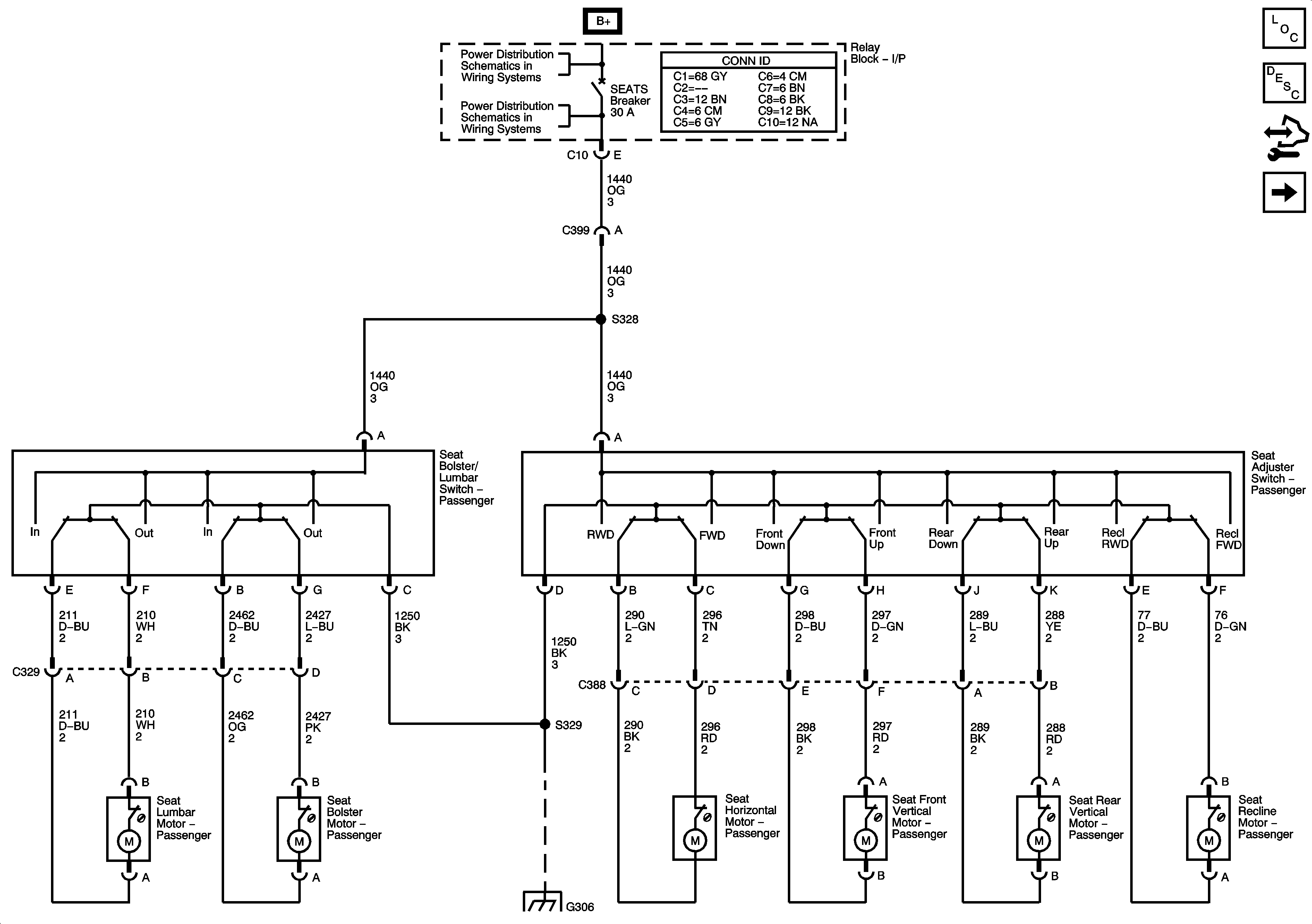
Figure 1:

Power, Ground and Seat Controls (AG2)


Object Number: 1524307  Size: FS
Master Electrical Component List
Power Seats System Description and Operation
Control Module References
Heated Seat Controls
ABS, AUX HTR PMP, ESCM, HCM-B, MBEC 1, RTD, STUD1, STUD2, TRANS PUMP, VSES/ECAS Fuses and RT DOORS and SEAT Circuit Breakers
ABS, AUX HTR PMP, ESCM, HCM-B, MBEC 1, RTD, STUD1, STUD2, TRANS PUMP, VSES/ECAS Fuses and RT DOORS and SEAT Circuit Breakers
G304, G305, G306 and G390
Figure 2:

Heat Seat Controls


Object Number: 1524309  Size: FS
Master Electrical Component List
Power Seats System Description and Operation
Control Module References
Power, Ground, and Seat Controls (AG2)
Power, Ground, DLC and Splice Pack SP 205
Seat Motors and Position Sensors (AG1 w/AN3)