GM Service Manual Online
For 1990-2009 cars only

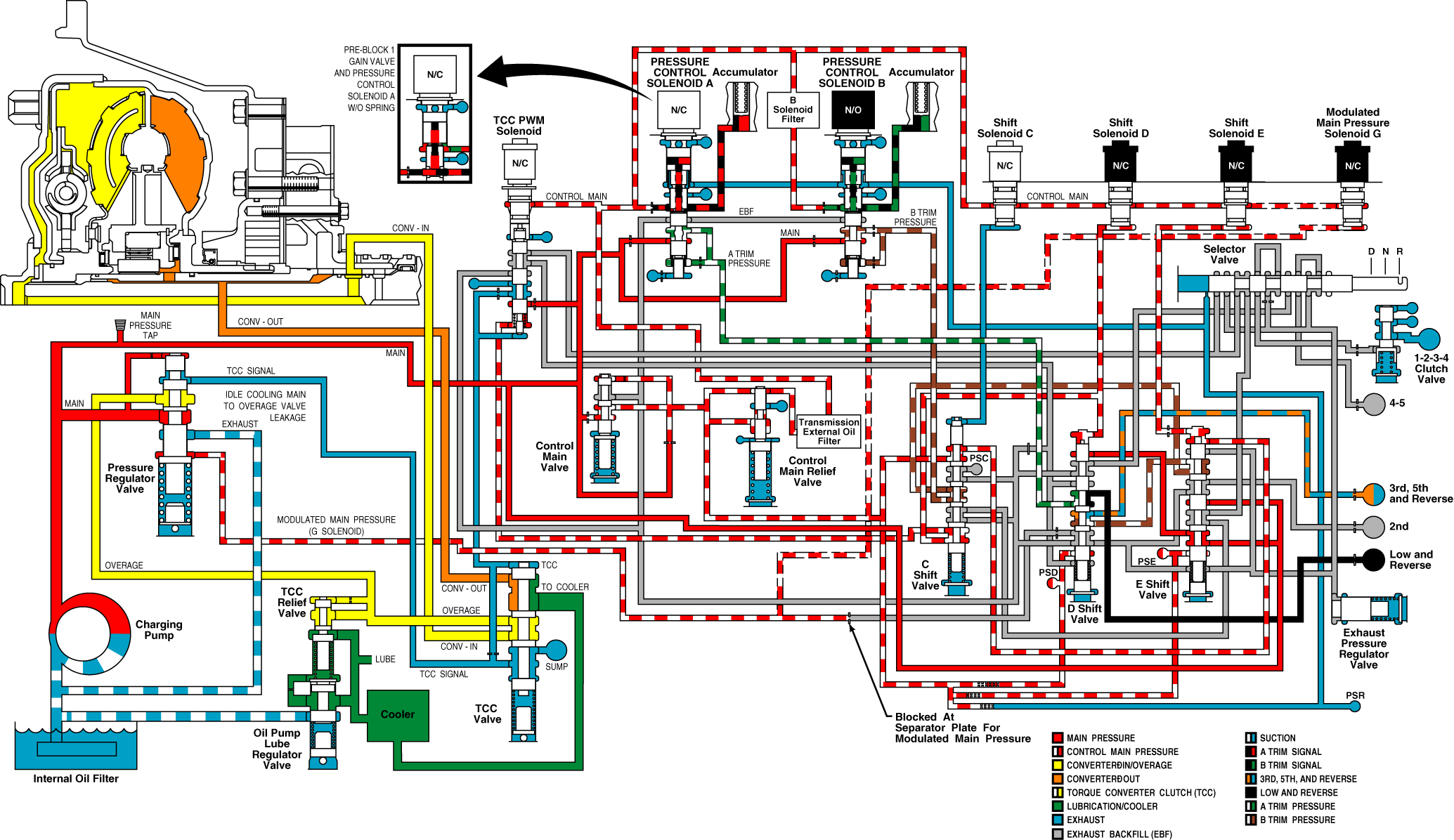
When the manual valve is moved from Neutral (N) to Reverse (R) and the throttle setting is above closed throttle, shift solenoids C, D, and E remain energized, pressure control solenoid A remains de-energized, supplying A trim pressure through shift valve D, to the low and Reverse clutch, keeping the low and Reverse clutch applied. Pressure control solenoid B remains de-energized, keeping B trim pressure exhausted. With only the low and Reverse clutch applied, the transmission remains in Neutral. Reverse signal pressure is exhausted, removing pressure from the Reverse pressure switch, turning on the normally closed Reverse pressure switch. When the manual valve is moved from Neutral (N) to Reverse (R) and the transmission control module (TCM) determines that the engine is at closed throttle, pressure control solenoid B energizes, which acts on the trim valve B gain valve because Reverse signal pressure no longer pushes the valve up. The gain valve pushes the B trim valve down, raising B trim pressure. B trim pressure is directed through shift valves C and E, the manual valve, the torque converter clutch (TCC) valve to shift valve D, stroking the valve up, even though shift solenoid D stays energized. With shift valve D up, pressure from trim valve B passes through shift valves C and E, through the manual valve, the TCC Valve, and shift valve D to the low and Reverse clutch, keeping the clutch applied. Pressure from trim valve A, which was applying the low and Reverse clutch through shift valve D, is directed through shift valve D to the 3rd, 5th, and Reverse clutch.

The TCM temporarily energizes pressure control solenoid A to control the rate at which trim valve A supplies pressure to the oncoming 3rd, 5th, and Reverse clutch, assuring a smooth transition to Reverse. When pressure control solenoid A energizes, A trim signal pressure is exhausted. As pressure control solenoid A is de-energized, A trim signal pressure increases. Initially, the trim valve A gain valve spring keeps the gain valve away from trim valve A, so only the A trim signal pressure acts on trim valve A. As the A trim signal pressure increases, the A trim pressure increases. The A trim signal pressure also acts on the gain valve, forcing the valve down and compressing the gain valve spring. When the gain valve spring is compressed sufficiently, the gain valve contacts trim valve A. The gain valve spring allows the 3rd, 5th, and Reverse clutch initial apply to be controlled at a lower gain rate, improving control of the oncoming 3rd, 5th, and Reverse clutch. Once the gain valve makes contact with trim valve A, A trim pressure increases at a higher gain rate. When the shift to Reverse is complete, pressure control solenoid A fully de-energizes and trim valve A supplies full trim pressure to the 3rd, 5th, and Reverse clutch. pressure control solenoid B remains fully energized and B trim valve supplies full trim pressure to the 3rd, 5th, and Reverse clutch. Application of the 3rd, 5th, and Reverse clutch and the low and Reverse clutch produces Reverse range operation.

Even though shift valve D moves up due to B trim pressure, B trim pressure acts on pressure switch D, keeping pressure switch D on. Shift valve C remains stroked down, directing control main pressure through shift valve C to pressure switch C, keeping the switch on. Shift valve E remains stroked down blocking the exhaust path for control main pressure being supplied through an orifice to pressure switch E; the pressure keeps pressure switch E on. With Reverse signal pressure exhausted the normally closed Reverse pressure switch is on, providing feedback to the TCM that the selector valve is in Reverse (R).

Important: Before implementation of N04 software, shift solenoid C always remained energized in Reverse range. Beginning with the N04 software, shift solenoid C will de-energize, providing certain throttle conditions are met. Throttle percentages are calibration dependent and may vary between TCMs.

If 20 percent throttle is applied and does not drop to 10 percent, all shift solenoids remain energized. If the throttle drops to 10 percent and stays below 20 percent, shift solenoid C de-energizes, removing pressure from the top of shift valve C, allowing shift valve C to stroke up. B trim pressure is no longer routed to the bottom of shift valve D, so shift solenoid D pressure strokes the D valve down. B trim pressure goes through shift valves C, E, and D to the 3rd, 5th, and Reverse clutch, keeping the 3rd, 5th, and Reverse clutch applied. A trim pressure goes through shift valve D to the low and Reverse clutch, keeping the low and Reverse clutch applied. With the 3rd, 5th, and Reverse clutch and the low and Reverse clutch applied, Reverse range is maintained.

If 20 percent throttle is applied and does not drop to 10 percent, shift solenoid C energizes, applying pressure to the top of shift valve C, stroking the valve down. B trim pressure is directed through shift valves C and E, the manual valve, and the TCC valve to shift valve D, stroking the valve up, even though shift solenoid D stays energized. With shift valve D up, pressure from trim valve B passes through shift valves C and E, the manual valve, the TCC valve, and shift valve D to the low and Reverse clutch, keeping the clutch applied. Pressure from trim valve A, which was applying the low and Reverse clutch through shift valve D, is now directed though shift valve D to the 3rd, 5th, and Reverse clutch, keeping the 3rd, 5th, and Reverse clutch applied. With the 3rd, 5th, and Reverse clutch and the low and Reverse clutch applied, Reverse range is maintained.

If electrical power is interrupted with the transmission operating in Reverse (R) and 20 percent throttle was applied and did not drop to 10 percent before the power interruption, shift solenoids B, C, D and E de-energize. Control main pressure is removed from the top of shift valve D, keeping the valve up. When de-energized, normally open pressure control solenoid B exhausts the B trim signal pressure, allowing trim valve B to move up, exhausting and releasing the low and Reverse clutch. Control main pressure is removed from the top of shift valve C, allowing the valve to move up. Control main pressure is directed through shift valve C to the top of shift valve E, keeping the valve down. trim valve A continues to supply pressure through shift valve D to the 3rd, 5th, and Reverse clutch, keeping the 3rd, 5th, and Reverse clutch applied. With only one clutch applied, the transmission shifts to Neutral range.

If electrical power is interrupted with the transmission operating in Reverse and 20 percent throttle was applied and did not drop to 10 percent before the power interruption, resulting in Neutral operation, and if the manual valve is moved to Neutral (N), main pressure going through shift valves E and D is blocked by the manual valve from applying either the 1-2-3-4 clutch or the 4-5 clutch. The 3rd, 5th, and Reverse clutch remains applied. With only one clutch applied, the transmission stays in Neutral range.

If electrical power is interrupted with the transmission operating in Reverse (R) and the throttle was above approximately 20 percent and did not drop to 10 percent before the power interruption, resulting in Neutral operation, and if the manual valve is moved to a forward range, main pressure goes through shift valves E and D and the manual valve, to the 4-5 clutch, applying the clutch. The 3rd, 5th, and Reverse clutch remains applied. Applying the 4-5 clutch and the 3rd, 5th, and Reverse clutch produces fifth range operation.

If electrical power is interrupted with the transmission operating in Reverse (R) range, and the throttle was above approximately 20 percent and did not drop to 10 percent before the power interruption, resulting in only fifth and Neutral operation, the engine may be shut down and restarted to attain Neutral, third and Reverse operation (Refer to Hydraulic Circuit - Neutral (N) Hydraulic Neutral/Park ).

If electrical power is interrupted with the transmission operating in Reverse (R) range, and the throttle was 10 percent or lower and did not rise to 20 percent before the power interruption, shift solenoids B, D, and E de-energize. When the pressure control solenoid B de-energizes, the normally open solenoid exhausts B trim signal pressure, causing trim valve B to stroke up, exhausting and releasing the 3rd, 5th, and Reverse clutch. shift valve C remains in the up position. Control main pressure goes through shift valve C to the top of shift valve E, keeping shift valve E stroked down. Normally closed pressure control solenoid A blocks the exhaust of A trim signal pressure, and A trim pressure is maintained. The A trim pressure continues to be directed through shift valve D, which stays down due to the "latching" effect of pressure on two different diameter lands, to the low and Reverse clutch, keeping low and Reverse clutch applied. Because only one clutch is applied, the transmission shifts to Neutral range.

If electrical power is interrupted with the transmission operating in Reverse (R) range, and the throttle was 10 percent or lower and did not rise to 20 percent before the power interruption, resulting in Neutral operation, main pressure is directed through shift valve E to shift valve D. Because shift valve D stays down due to the "latching" effect of pressure on two different diameter lands, main pressure is blocked from reaching the manual valve. If the manual valve is moved to Neutral or a forward range, the transmission remains in Neutral.

If electrical power is interrupted with the transmission operating in Reverse (R) range, and the throttle is 10 percent or lower and did not rise to 20 percent before the power interruption, resulting in Neutral operation, the engine may be shut down and restarted to attain Neutral, third and Reverse operation.

Reverse Range with N04


Object Number: 1546422  Size: FS

Reverse Range Before N04


Object Number: 1546423  Size: FS