GM Service Manual Online
For 1990-2009 cars only
Makes
🢒
Chevrolet
🢒
2005
🢒
Chevy K Silverado - 4WD
🢒 HP2
HP2
HP2
Master Electrical Component List
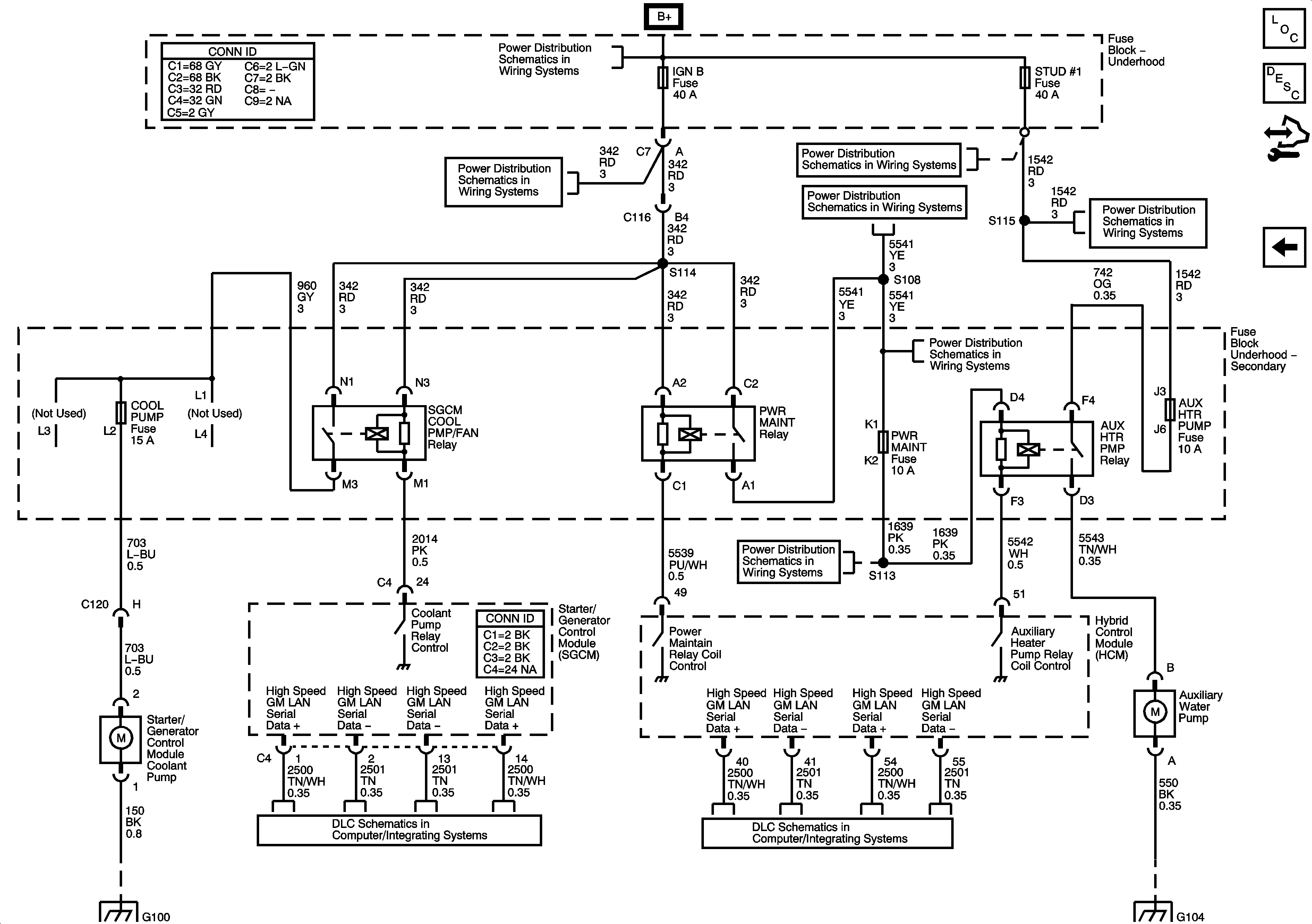
Starter Generator Control Module Cooling System Description and Operation
Control Module References
10 Series
B+ Bar Bus
Ignition Switch - ACC/RUN and RUN/START Bus Bars and IGN B Fuse
ABS, AUX HTR PMP, ESCM, HCM-B, MBEC 1, RTD, STUD1, STUD2, TRANS PUMP, VSES/ECAS Fuses and RT DOORS and SEAT Circuit Breakers
COOL PMP, HYBRID 02A, HYBRID O2B, IGN B and PWR MAINT Fuses
ABS, AUX HTR PMP, ESCM, HCM-B, MBEC 1, RTD, STUD1, STUD2, TRANS PUMP, VSES/ECAS Fuses and RT DOORS and SEAT Circuit Breakers
COOL PMP, HYBRID 02A, HYBRID O2B, IGN B and PWR MAINT Fuses
COOL PMP, HYBRID 02A, HYBRID O2B, IGN B and PWR MAINT Fuses
G100, G101, and G102
High Speed GM LAN (HP2)
High Speed GM LAN (HP2)
G104, G106, G107 and G110