GM Service Manual Online
For 1990-2009 cars only
Makes
🢒
Chevrolet
🢒
2005
🢒
Chevy K Silverado - 4WD
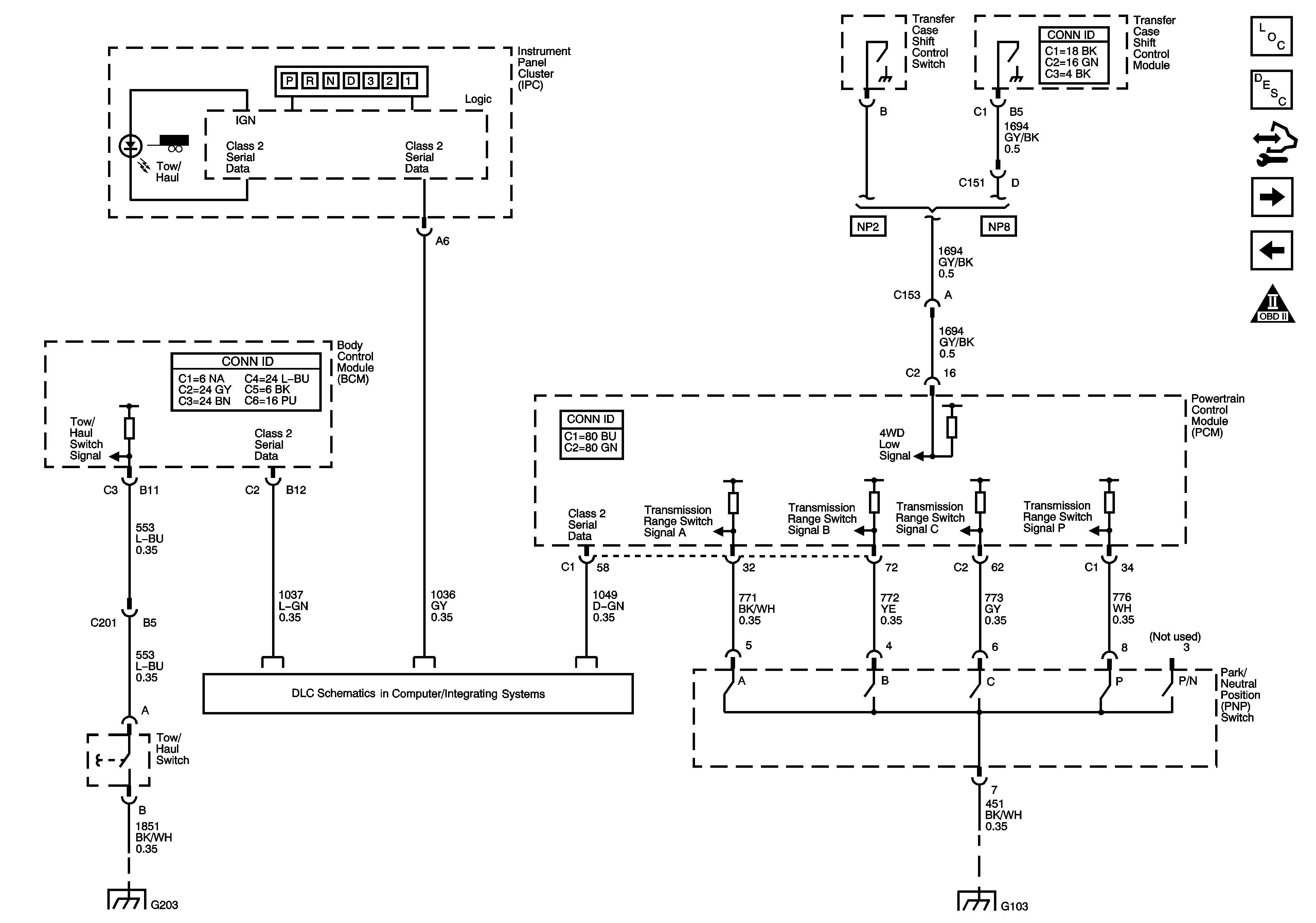
🢒 PNP Switch, 4WD Signal, Tow/Haul, Serial Data, and Indicator
PNP Switch, 4WD Signal, Tow/Haul, Serial Data, and Indicator
PNP Switch, 4WD Signal, Tow/Haul, Serial Data, and Indicator
Master Electrical Component List
Electronic Component Description M30/M32
Control Module References
Auxiliary Pump Controls - HP2
Pressure Controls, Temperature, and VSS
Automatic Transmission Schematic Icons
Power, Ground, DLC and Splice Pack SP 205
G203 - 2 of 2
G103 - Gas