GM Service Manual Online
For 1990-2009 cars only
Makes
🢒
Chevrolet
🢒
2005
🢒
Chevy K Silverado - 4WD
🢒 Relays and Switches (except YE9)
Relays and Switches (except YE9)
Relays and Switches (Except YE9)
Master Electrical Component List
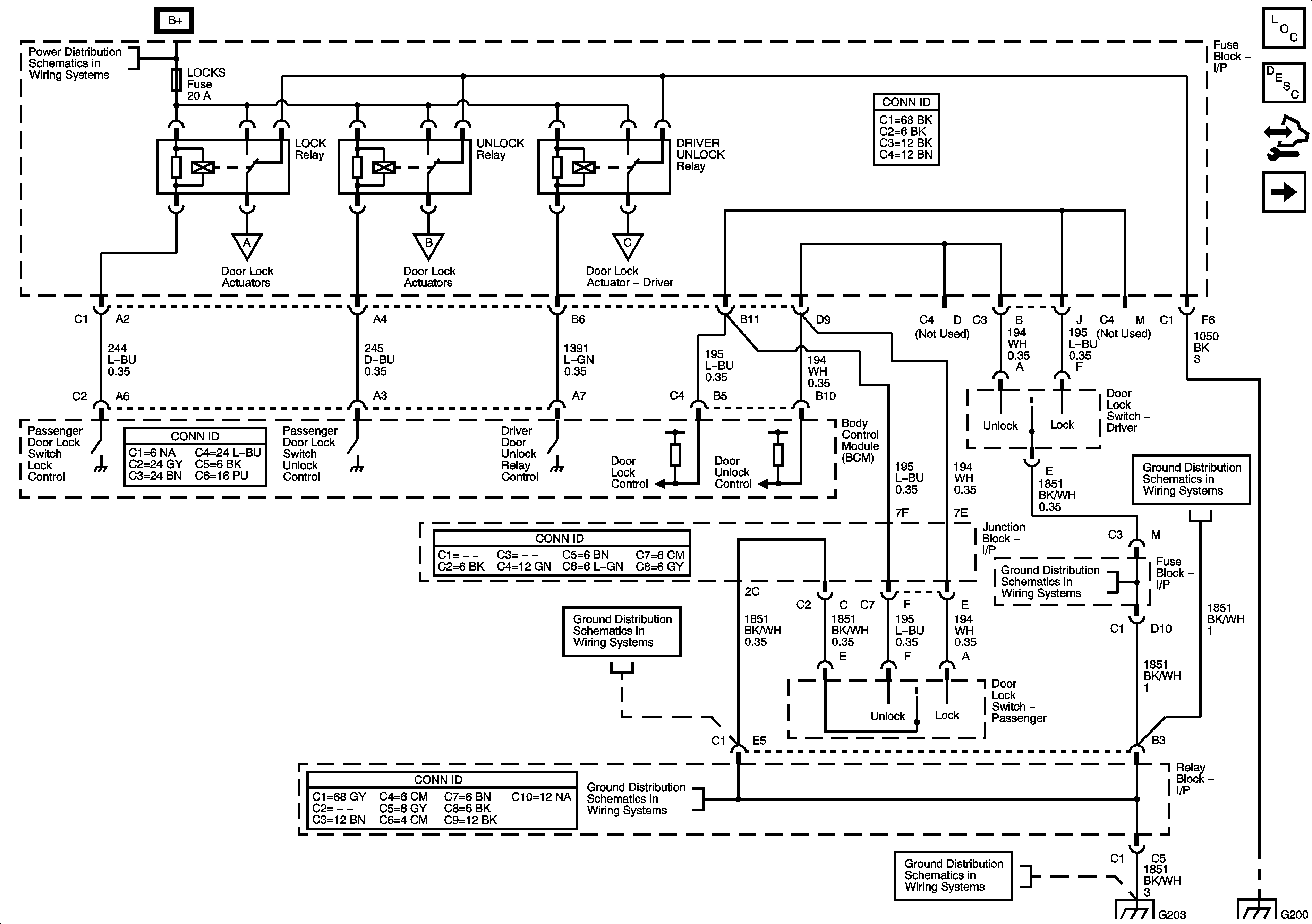
Power Door Locks Description and Operation
Control Module References
Activators (except YE9)
AUX PWR, AUX PWR 2, DDM, ECC, LBEC 2, LOCKS, PCM B, and PDM Fuses
Activators (except YE9)
Activators (except YE9)
Activators (except YE9)
G203 - 1 of 2
G203 - 2 of 2
G203 - 2 of 2
G203 - 1 of 2
G203 - 1 of 2
G203 - 1 of 2
G115 and G200 - 1 of 2