GM Service Manual Online
For 1990-2009 cars only
Makes
🢒
Chevrolet
🢒
2005
🢒
Chevy K Silverado - 4WD
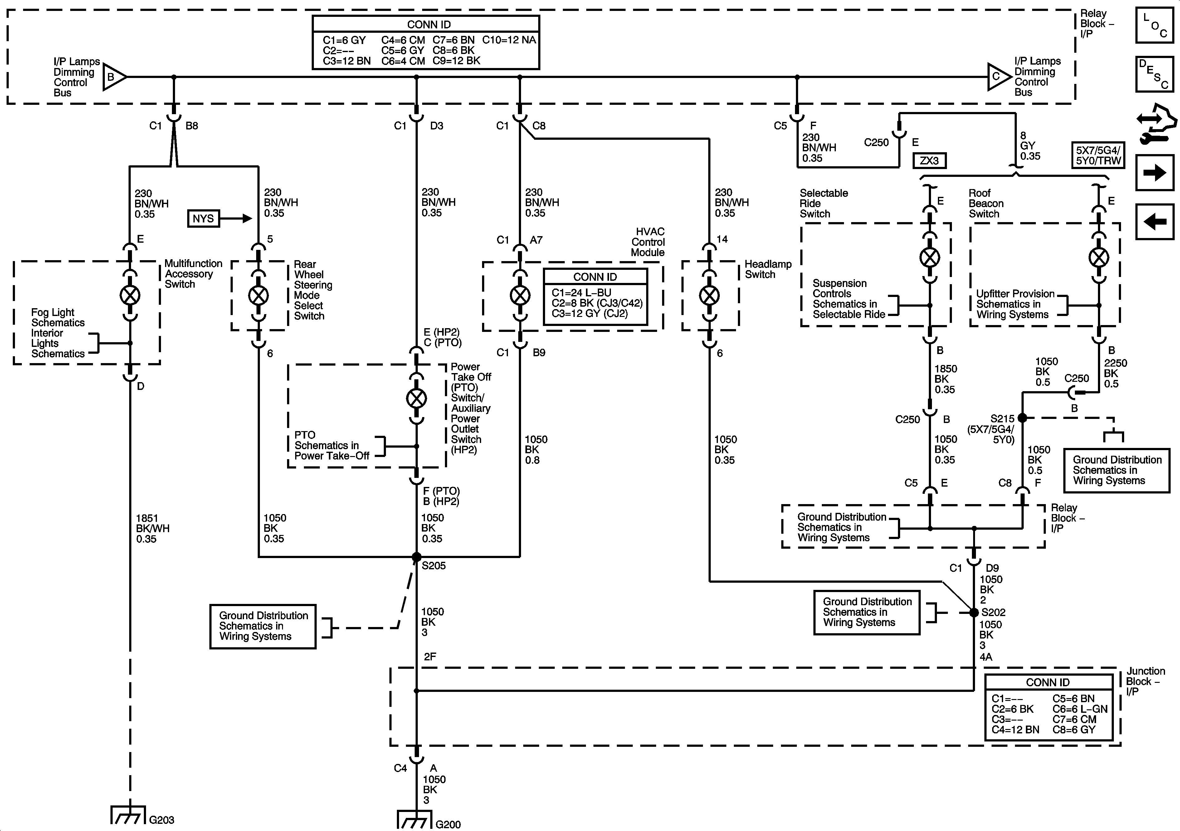
🢒 I/P Lamps Dimming Control Supply - 2 of 3
I/P Lamps Dimming Control Supply - 2 of 3
I/P Lamps Dimming Control Supply - 2 of 3
Master Electrical Component List
Interior Lighting Systems Description and Operation
Control Module References
I/P Lamps Dimming Control Supply - 3 of 3
I/P Lamps Dimming Control Supply - 1 of 3
I/P Lamps Dimming Control Supply - 1 of 3
I/P Lamps Dimming Control Supply - 3 of 3
Fog Lights Schematics
Selectable Ride
Roof Beacon Lighting (564/TRW)
Power Takeoff
G200 - 2 of 2
G200 - 2 of 2
G115 and G200 - 1 of 2
G200 - 2 of 2
G203 - 1 of 2
G115 and G200 - 1 of 2