GM Service Manual Online
For 1990-2009 cars only
Makes
🢒
Chevrolet
🢒
2005
🢒
Chevy K Silverado - 4WD
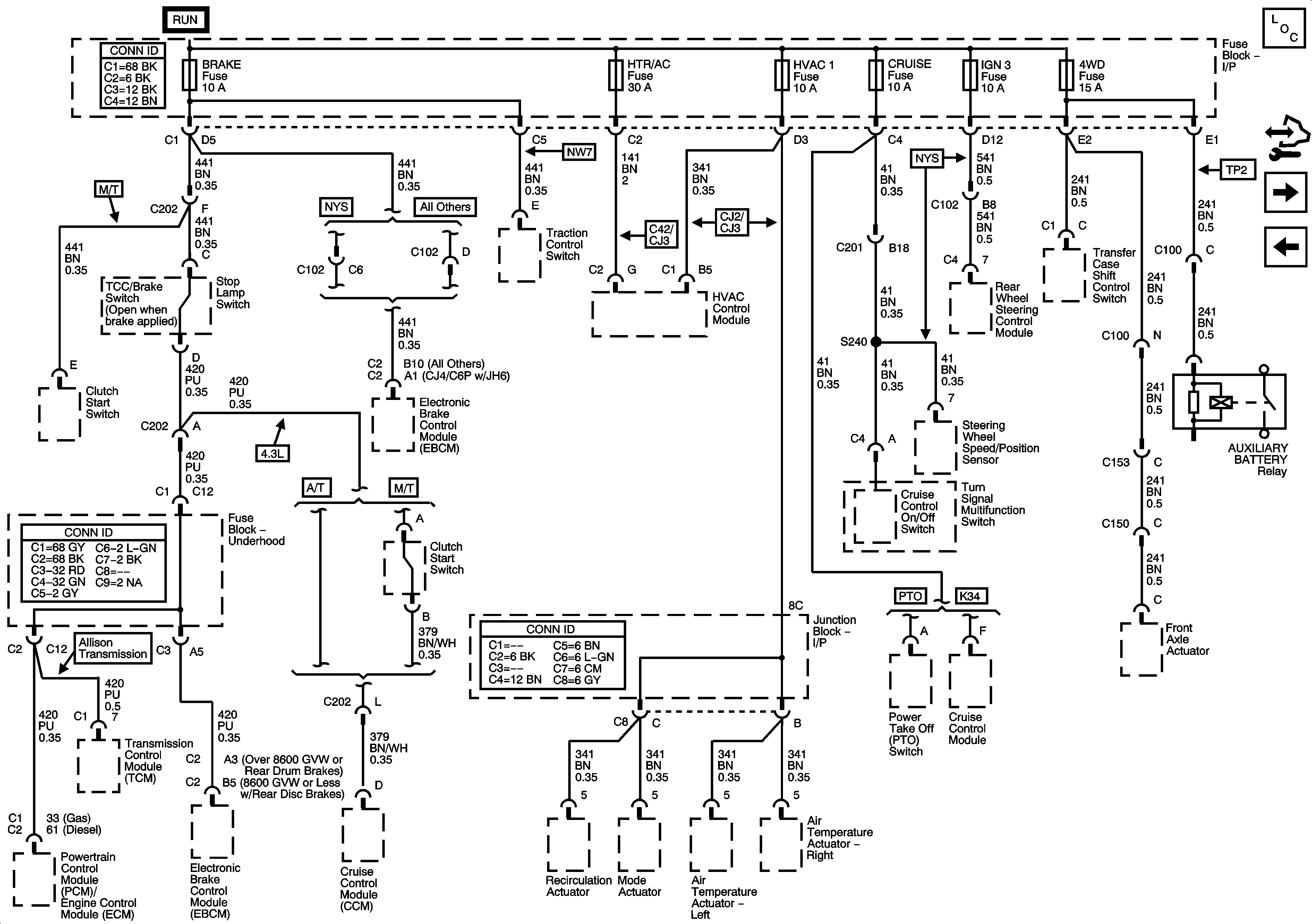
🢒 4WD, BRAKE, CRUISE, HTR/AC, HVAC 1, and IGN 3 Fuses
4WD, BRAKE, CRUISE, HTR/AC, HVAC 1, and IGN 3 Fuses
4WD, BRAKE, CRUISE, HTR/AC, HVAC 1, and IGN 3 Fuses
Master Electrical Component List
Control Module References
B/U LP, BTSI, O2A, O2B, SEO IGN, TBC IGN 1, and TRL B/U Fuses
Ignition Switch - ACC/RUN and RUN/START Bus Bars and IGN B Fuse