GM Service Manual Online
For 1990-2009 cars only
Makes
🢒
Chevrolet
🢒
2005
🢒
Chevy K Silverado - 4WD
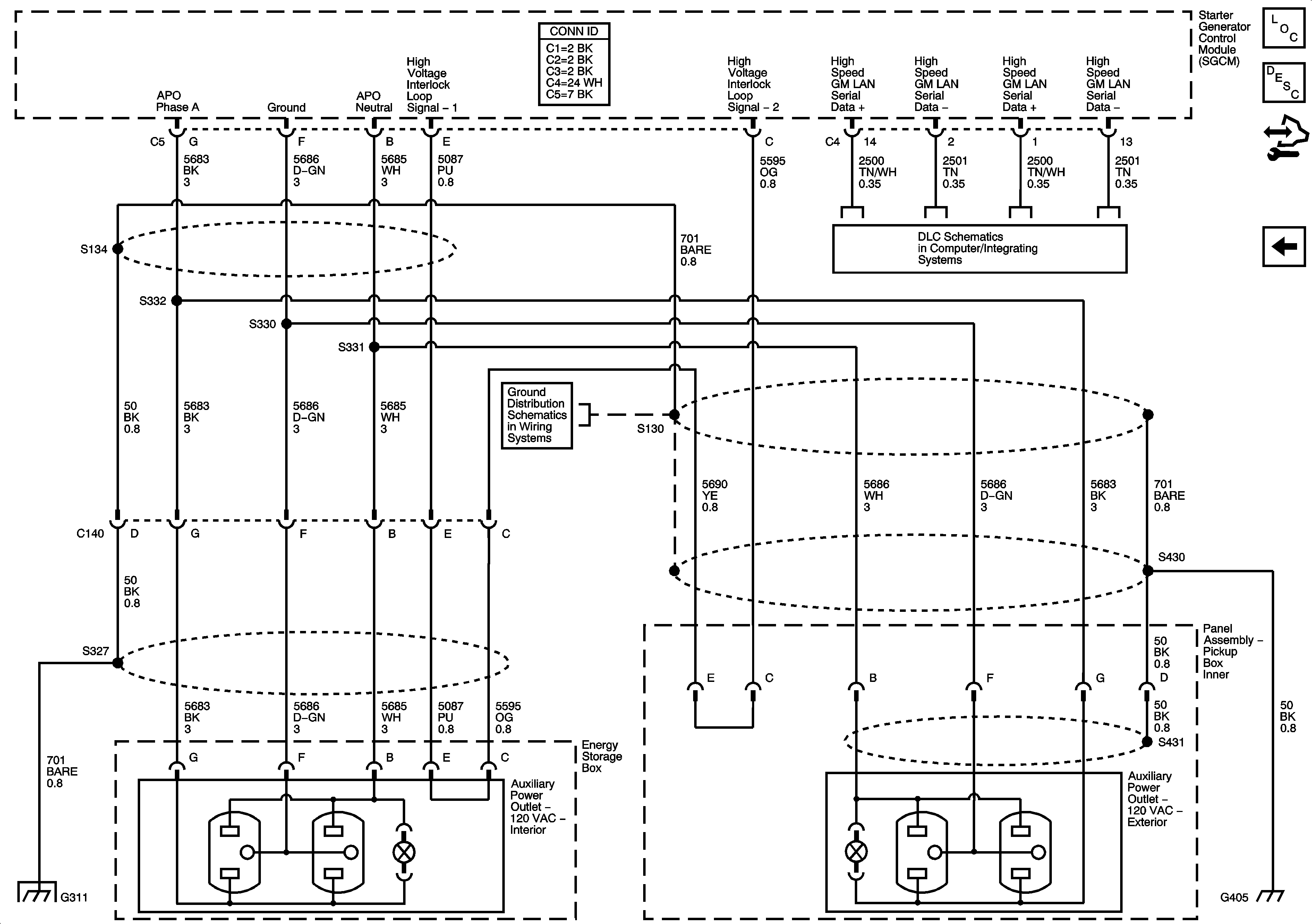
🢒 120V AC Outlets (HP2) - 2 of 2
120V AC Outlets (HP2) - 2 of 2
120-Volt AC Outlets (HP2) - 2 of 2
Master Electrical Component List
Power Outlets Description and Operation
Control Module References
120V AC Outlets (HP2) - 1 of 2
High Speed GM LAN (HP2)
G120, G121, G122, G310, G311 and G405 (HP2)
G120, G121, G122, G310, G311 and G405 (HP2)