GM Service Manual Online
For 1990-2009 cars only
Makes
🢒
Chevrolet
🢒
2005
🢒
Chevy K Silverado - 4WD
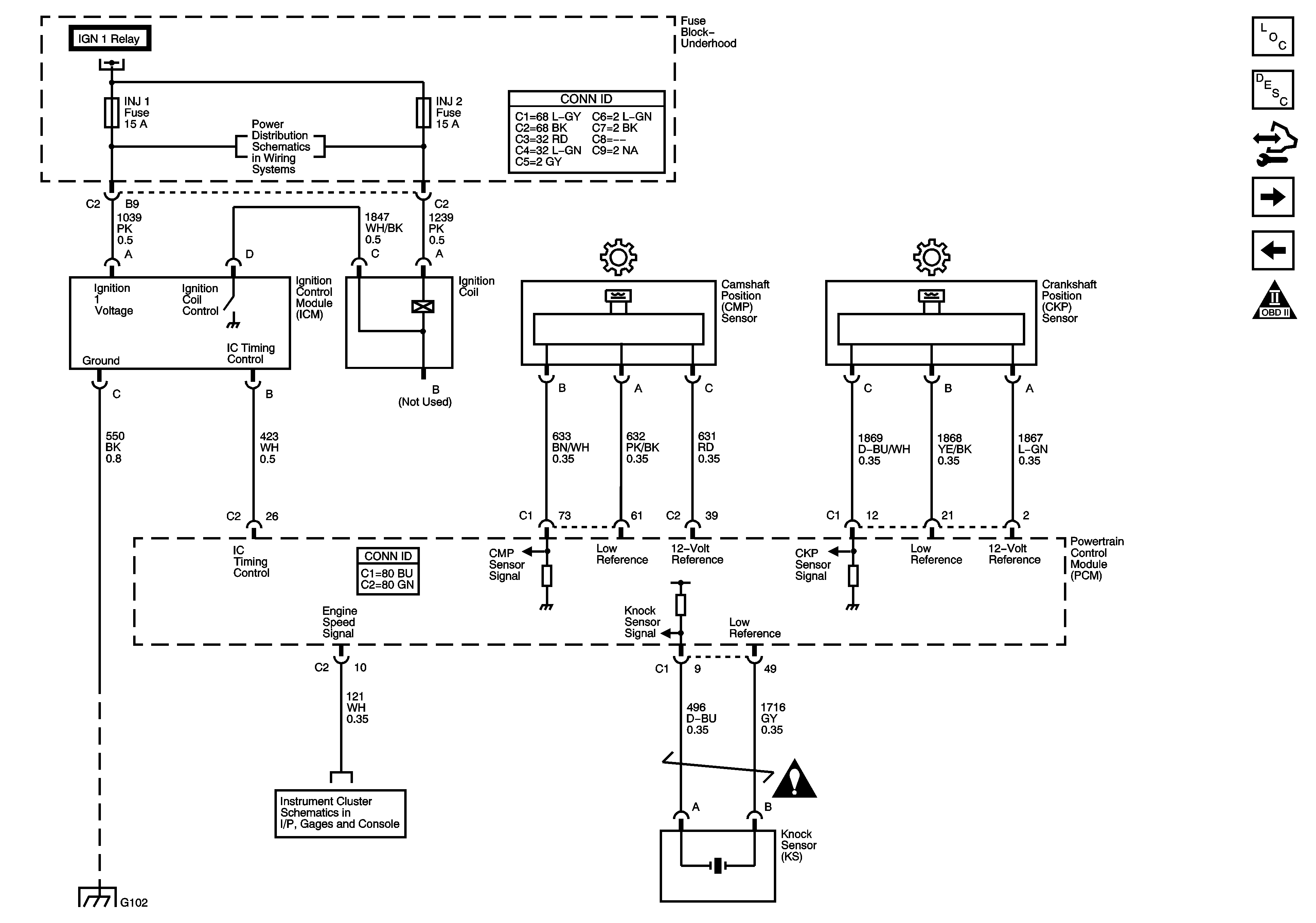
🢒 Ignition Controls
Ignition Controls
Ignition Controls
Master Electrical Component List
Distributor Ignition (DI) System Description
Control Module References
Fuel Controls - Fuel Pump Controls and Fuel Injectors
Engine Data Sensors - Oxygen Sensors
Engine Controls Schematic Icons
Module Power, Ground, Serial Data and MIL
ETC/ECM, INJ 1, INJ 2, PCM 1, and SBA Fuses - Gas
G100, G101, and G102
Gages, Vehicle Speed Signal, Engine Oil Pressure, and Fuel Level Sensors
Engine Controls Schematic Icons