GM Service Manual Online
For 1990-2009 cars only
Makes
🢒
Chevrolet
🢒
2005
🢒
Chevy K Silverado - 4WD
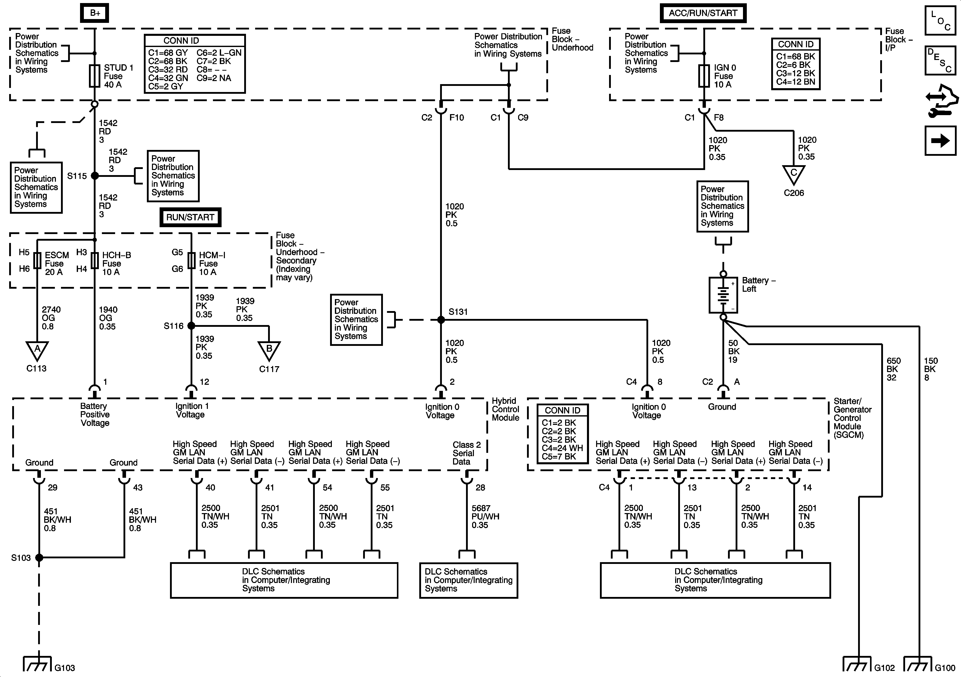
🢒 Power, Ground, Serial Data, Hybrid Control Module and SGCM - 1of 2
Power, Ground, Serial Data, Hybrid Control Module and SGCM - 1of 2
Power, Ground, Serial Data, Hybrid Control Module and SGCM - 1 of 2
Master Electrical Component List
Starter/Generator Control Module Description and Operation
Control Module References
Power, Ground, Serial Data and ESCM - 2 of 2
B+ Bar Bus
IGN 0, RR WPR, SEO ACCY, TBC ACCY, TBC IGN 0, and WS WPR Fuses
Ignition Switch - START, RUN, and ACC/RUN/START Bus Bars and IGN A and CRANK Fuses
Power, Ground, Serial Data and ESCM - 2 of 2
ABS, AUX HTR PMP, ESCM, HCM-B, MBEC 1, RTD, STUD1, STUD2, TRANS PUMP, VSES/ECAS Fuses and RT DOORS and SEAT Circuit Breakers
ABS, AUX HTR PMP, ESCM, HCM-B, MBEC 1, RTD, STUD1, STUD2, TRANS PUMP, VSES/ECAS Fuses and RT DOORS and SEAT Circuit Breakers
Power, Ground, Serial Data and ESCM - 2 of 2
Power, Ground, Serial Data and ESCM - 2 of 2
IGN 0, RR WPR, SEO ACCY, TBC ACCY, TBC IGN 0, and WS WPR Fuses
G103 - Gas
High Speed GM LAN (HP2)
Power, Ground, DLC and Splice Pack SP 205
High Speed GM LAN (HP2)