Caution: Unless directed otherwise, the ignition and start switch must be in the OFF or LOCK position, and all electrical loads must be OFF before servicing any electrical component. Disconnect the negative battery cable to prevent an electrical spark should a tool or equipment come in contact with an exposed electrical terminal. Failure to follow these precautions may result in personal injury and/or damage to the vehicle or its components.
Notice: Use the correct fastener in the correct location. Replacement fasteners must be the correct part number for that application. Fasteners requiring replacement or fasteners requiring the use of thread locking compound or sealant are identified in the service procedure. Do not use paints, lubricants, or corrosion inhibitors on fasteners or fastener joint surfaces unless specified. These coatings affect fastener torque and joint clamping force and may damage the fastener. Use the correct tightening sequence and specifications when installing fasteners in order to avoid damage to parts and systems.
Tighten
Tighten the bolt to 9 N·m (80 lb in).
Tighten
Tighten the bolt to 25 N·m (18 lb ft).
Tighten
Tighten the bolt to 25 N·m (18 lb ft).
Caution: Unless directed otherwise, the ignition and start switch must be in the OFF or LOCK position, and all electrical loads must be OFF before servicing any electrical component. Disconnect the negative battery cable to prevent an electrical spark should a tool or equipment come in contact with an exposed electrical terminal. Failure to follow these precautions may result in personal injury and/or damage to the vehicle or its components.
| 5.1. | Remove the negative cable clip from the positive cable clip. |
| 5.2. | Remove the engine wiring harness ground/negative cable bolt. |
| 5.3. | Raise and suitably support the vehicle. Refer to Lifting and Jacking the Vehicle in General Information. |
| 6.1. | Remove the negative cable clip from the positive cable clip. |
| 6.2. | Raise and suitably support the vehicle. Refer to Lifting and Jacking the Vehicle in General Information. |
| 6.3. | Remove the engine wiring harness ground/negative cable bolt. |
| 6.4. | Reposition the wiring harness ground and negative cables. |
Insert the anti-rotation tab on the forward lamp wiring harness into the hole in the frame.
Notice: Use the correct fastener in the correct location. Replacement fasteners must be the correct part number for that application. Fasteners requiring replacement or fasteners requiring the use of thread locking compound or sealant are identified in the service procedure. Do not use paints, lubricants, or corrosion inhibitors on fasteners or fastener joint surfaces unless specified. These coatings affect fastener torque and joint clamping force and may damage the fastener. Use the correct tightening sequence and specifications when installing fasteners in order to avoid damage to parts and systems.
Tighten
Tighten the bolt to 9 N·m (80 lb in).
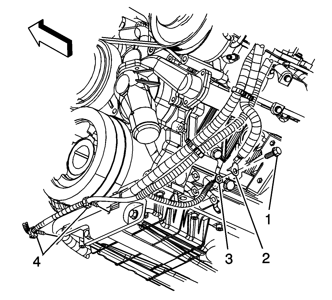
Important: The engine wiring harness ground is to be installed under the negative cable ground.
| 5.1. | Position the wiring harness ground and negative cables. Position the anti-rotation tab on the negative cable in the correct location. |
| 5.2. | Install the engine wiring harness ground/negative cable bolt. |
Tighten
Tighten the bolt to 25 N·m (18 lb ft).
| 5.3. | Lower the vehicle. |
| 5.4. | Install the negative cable clip to the positive cable clip. |
| 6.1. | Position the negative cable and engine wiring harness ring terminals to the engine block. Position the anti-rotation tab on the negative cable in the correct location. |
| 6.2. | Install the engine wiring harness ground/negative cable bolt. |
Tighten
Tighten the bolt to 25 N·m (18 lb ft).
| 6.3. | Lower the vehicle. |
| 6.4. | Install the negative cable clip to the positive cable clip. |
Tighten
Tighten the bolt to 25 N·m (18 lb ft).
Caution: Unless directed otherwise, the ignition and start switch must be in the OFF or LOCK position, and all electrical loads must be OFF before servicing any electrical component. Disconnect the negative battery cable to prevent an electrical spark should a tool or equipment come in contact with an exposed electrical terminal. Failure to follow these precautions may result in personal injury and/or damage to the vehicle or its components.
Notice: Refer to Fastener Notice in the Preface section.
Tighten
Tighten the bolt to 9 N·m (80 lb in).
Tighten
Tighten the bolt to 34 N·m (25 lb ft).