GM Service Manual Online
For 1990-2009 cars only
Makes
🢒
Chevrolet
🢒
2006
🢒
Chevy K Silverado - 4WD
🢒
Body
🢒
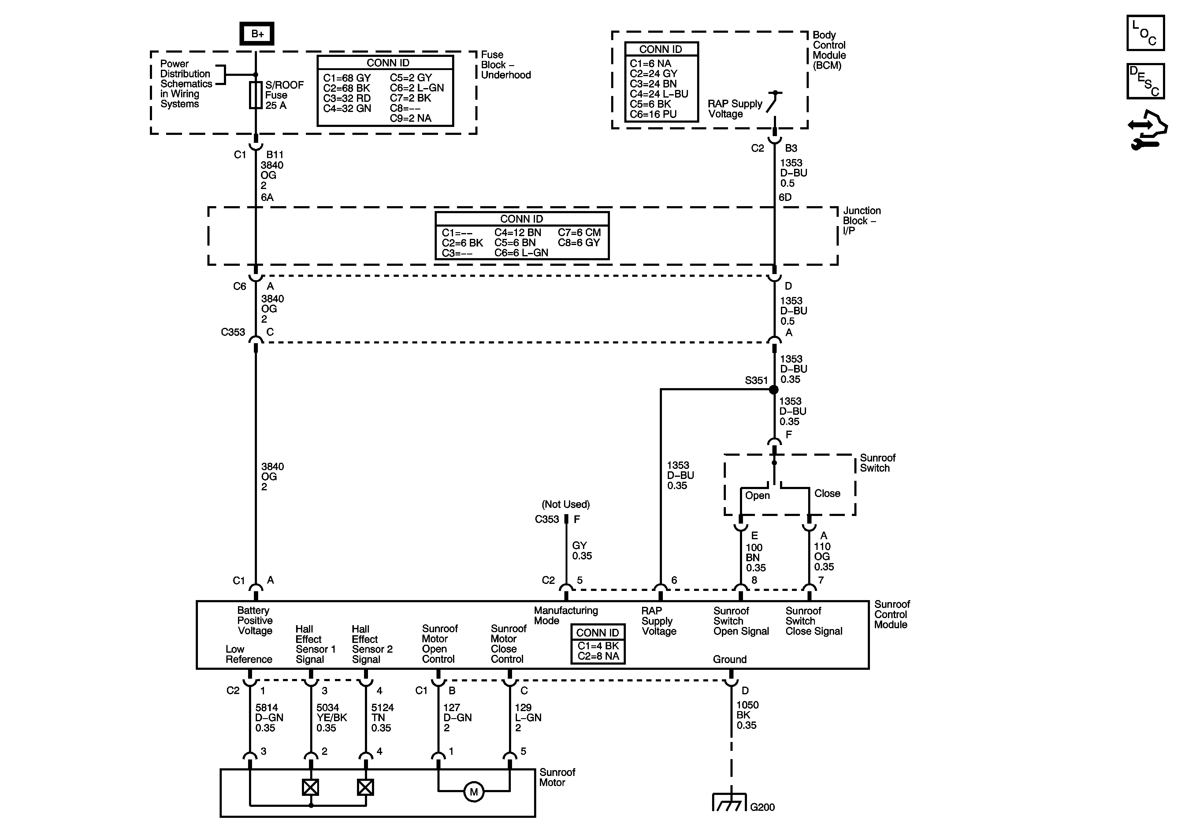
Roof
🢒 Sunroof Schematics