GM Service Manual Online
For 1990-2009 cars only
Makes
🢒
Chevrolet
🢒
2006
🢒
Chevy K Silverado - 4WD
🢒 Defogger
Defogger
Master Electrical Component List
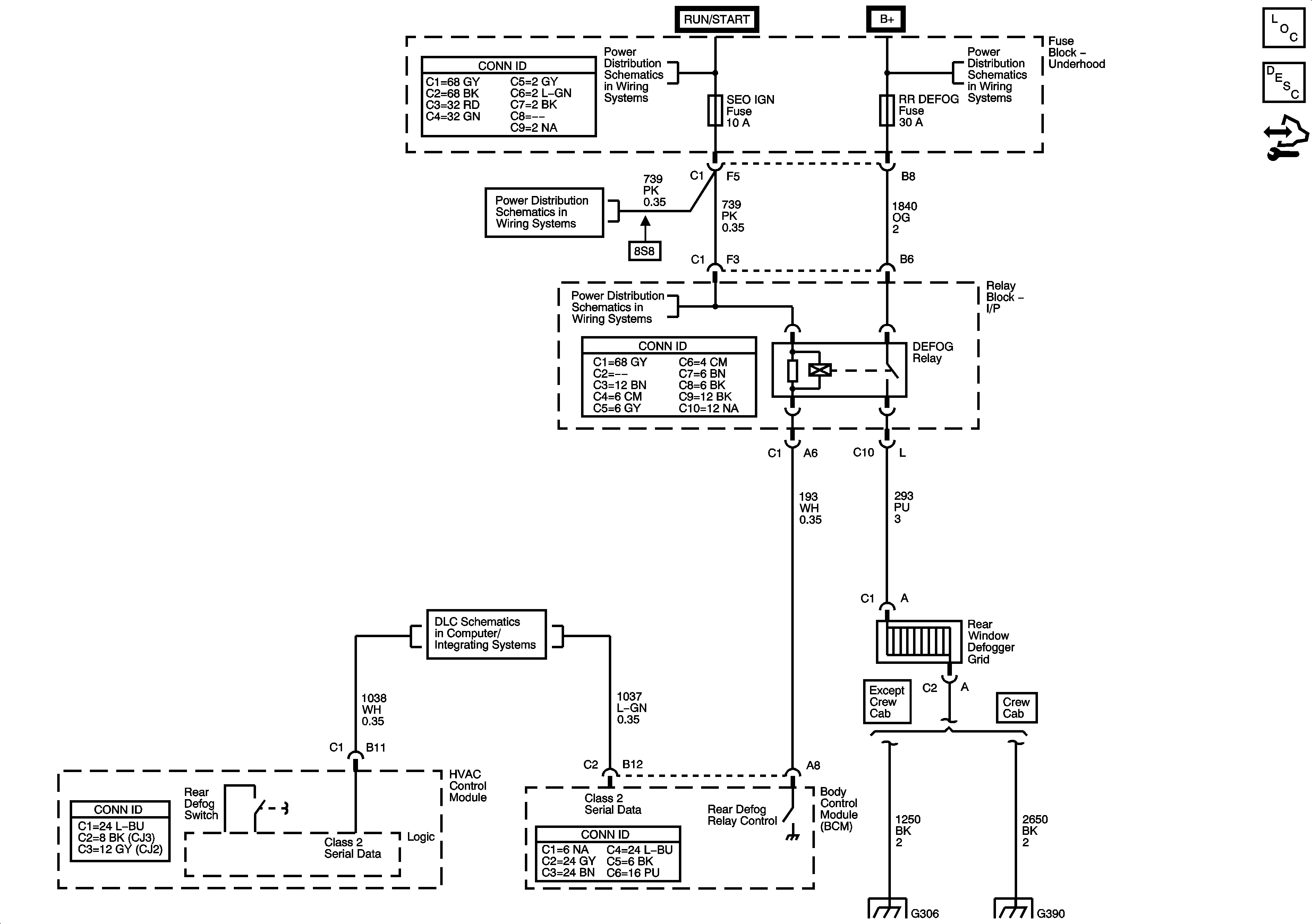
Rear Window Defogger Description and Operation
Control Module References
Ignition Switch - ACC/RUN and RUN/START BUS BARS and IGN B Fuse
B+ Bus Bar
B/U LP, BTSI, O2A, O2B, SEO IGN, TBC IGN 1, and TRL B/U Fuses
B/U LP, BTSI, O2A, O2B, SEO IGN, TBC IGN 1, and TRL B/U Fuses
Power, Ground, DLC, and Splice Pack SP205
G304, G305, G306, and G390
G304, G305, G306, and G390