GM Service Manual Online
For 1990-2009 cars only

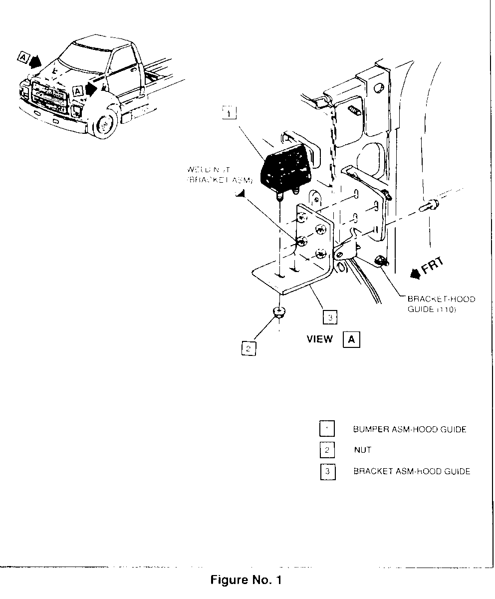
HOOD OPENING DIFFICULTY MODIFIED HOOD GUIDE BUMPERS

SUBJECT: HOOD OPENING DIFFICULTY (MODIFIED HOOD GUIDE BUMPERS)

VEHICLES AFFECTED: 1990 5R, 6H, 7H TOPKICK

Some Topkick medium duty trucks may experience hood opening difficulty. Opening effort may be increased if binding exists between the rubber hood guide bumper assemblies and hood bracket.

To correct, it is necessary to replace the hood guide bumper assemblies with modified assemblies. The new hood guide bumper assembly overall height is higher and the taper narrower than the previous bumper assemblies.

REMOVAL AND REPLACEMENT INSTRUCTIONS: (Refer to Figure 1).

1. Hood guide bumpers are located under the hood. One on each side of the vehicle near the cab.

2. Remove two nuts on the bottom of each hood guide bumper. Remove bumpers and discard.

3. Replace hood guide bumpers with new bumpers P/N 15673106.

4. Reinstall nuts. Torque to 4-7 ft.Lbs. (6-9 N.m).

5. Adjust hood if required per instructions in the 1990 Medium Truck C5, C6, C7 Models Service Manual #X-9033.

SERVICE PARTS INFORMATION

Part Number Description Quantity ----------- ---------------------- ------------- 15673106 Bumper Asm.-Hood Guide 2 per vehicle


Object Number: 87182  Size: FS

General Motors bulletins are intended for use by professional technicians, not a "do-it-yourselfer". They are written to inform those technicians of conditions that may occur on some vehicles, or to provide information that could assist in the proper service of a vehicle. Properly trained technicians have the equipment, tools, safety instructions and know-how to do a job properly and safely. If a condition is described, do not assume that the bulletin applies to your vehicle, or that your vehicle will have that condition. See a General Motors dealer servicing your brand of General Motors vehicle for information on whether your vehicle may benefit from the information.