GM Service Manual Online
For 1990-2009 cars only

CAMPAIGN: AUTOMATIC TRANSMISSION OIL COOLER LINES

SUBJECT: AUTOMATIC TRANSMISSION OIL COOLER LINES RUPTURE

Models: 1995 GMC C6/7 Medium Duty Trucks Equipped with Automatic Transmissions

TO: ALL GENERAL MOTORS DEALERS

General Motors of Canada Limited has determined that CERTAIN 1995 GMC C6/7 TopKick Medium Duty Conventional Trucks equipped with automatic transmissions and built between January and May 1995, may have a transmission oil cooler hose assembly that could rupture. This could result in loss of sufficient transmission fluid to cause the transmission to stop transmitting power to the rear wheels; moreover it could cause severe transmission damage. If this occurred, the vehicle could be brought to a controlled stop on the side of the road and die prop shaft parking brake could be set to prevent the vehicle from rolling. The ruptures result from damage to the outer cover and inner braid of the hose material caused by over-crimping the tube-to-hose coupling.

To correct this condition, dealers will replace the suspect transmission oil cooler hoses with parts that meet specifications.

VEHICLES INVOLVED:

Involved are CERTAIN 1995 GMC C6/7 TopKick Medium Duty Conventional Trucks equipped with automatic transmissions and built between January and May 1995, and within the following VIN breakpoints:

Year Model Plant Plant Code From Through

1995 GMC C6/7 Janesville J SJ511535 SJ521384

NOTE: PLEASE CHECK DCS SCREEN 45 OR YOUR V.I.N LISTING BEFORE PERFORMING CAMPAIGN TO ENSURE THAT THE VEHICLE IS AFFECTED. ONLY AFFECTED VIN'S WILL BE PAID.

All affected vehicles have been identified by the VIN listing provided to involved dealers with this bulletin. Any dealer not receiving a listing was not shipped any of the affected vehicles.

DEALER CAMPAIGN RESPONSIBILITY:

All unsold new vehicles in dealer's possession and subject to this campaign must be held and inspected/repaired per the Service Procedure of this Campaign Bulletin before owners take possession of these vehicles.

Dealers are to perform this campaign on all involved vehicles at no charge to owners, regardless of kilometres traveled, age of vehicle, or ownership, from this time forward.

Owners of vehicles recently sold from your new vehicle inventory with no owner information indicated on the dealer listing, are to be contacted by the dealer, and arrangements made to make the required correction according to instructions contained in this bulletin. This could be done by mailing to such owners a copy of the owner letter accompanying this bulletin. Campaign follow-up cards should not be used for this purpose, since the owner may not as yet have received the notification letter.

In summary, whenever a vehicle subject to this campaign is taken into your new or used vehicle inventory, or is in your dealership for service in the future, please take the steps necessary to be sure the campaign correction has been made before selling or releasing the vehicle.

CAMPAIGN PROCEDURE:

Refer to Section 4 of the Service Policies and Procedures Manual for the detailed procedure on handling Product Campaigns. Dealers are requested to complete the campaign on all transfers as soon as possible.

OWNER NOTIFICATION:

All owners of record at the time of campaign release are shown on the attached computer listing and have been notified by first class mail from General Motors (see copy of owner letter included with this bulletin). The listings provided are for campaign activity only and should not be used for any other purpose.

PARTS INFORMATION:

Parts required to complete this campaign should be ordered through regular channels, as follows:

Part Number Description Quantity/Vehicle ---------------------------------------------------------------------------- 15651087 Inlet Hose Assembly - As Required C6/7 & LXO & MF1/MT9 15651141 Inlet Hose Assembly - As Required C6/7 & LRO/LSO & MF1/MT9 15660900 Inlet Hose Assembly - As Required C6/7 & LXO & MWF 15679520 Inlet Hose Assembly - As Required C6/7 & LXO & ME3/ME5 15684613 Outlet Hose Assembly - As Required C6/7 & MF1/MT9- THO, C6/7 & LSO & MWE & THO, 15954323 Outlet Hose Assembly - As Required C6/7 & LXO & ME3/ME5 15955569 Inlet Hose Assembly - As Required C6/7 & LXO & FH4 & MWF 10952622 Automatic Transmission Fluid, Dexron III As Required

PARTS AND LABOUR CLAIM INFORMATION:

Credit for the campaign work performed will be paid upon receipt of a properly complete campaign claim card or DCS transmission in accordance with the following:

Repair Code Description Time Allowance

Replace One or Two Hoses at Transmission .5 6A Replace One Hose at Transmission .8 and One Hose Along Frame

Time allowance includes 0.1 hour for dealer administrative detail associated with this campaign. Parts credit will be based on dealer net plus 40% to cover parts handling.

SERVICE PROCEDURE:

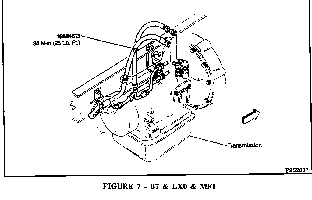
The hose(s) involved vary by model of truck, engine and transmission. Refer to the listing for an illustration detailing the hose(s) to be replaced. Replace only the hoses indicated with a in the illustrations. Torque the hoses to the specifications listed.

On trucks equipped with an auto-apply park brake, the brake cable may interfere with access to cooler line fittings. It may be necessary to release the brake so that the brake cable can be out of the way. To release the brake, block the wheels, turn the ignition to the ON position, move the shift lever out of the PARK position and make sure the park brake button is in the releas position.

After hose replacement, check the transmission fluid level as described in the 1995 TopKick Service Manual. When adding transmission fluid, use Dexron III. Fluid required should no exceed one litre on all models below except #4. Fluid required on #4 should not exceed two litres.

MODEL ILLUSTRATION

C6/7 & LSO/LRO/LXO & MF1/MT9 - THO 1 C6/7 & LSO & MWE & THO 2 C6/7 & LXO & MWF 3 C6/7 & LXO & MWF & FH4 3 & 4 C6/7 & LXO & ME3/ME5 5 LRO/LSO & MF1 6 LXO & MF1 7

RPO DESCRIPTIONS

FH4 - 16,000# Front Axle LRO - 7.OL Gas Engine LSO - 6.OL Gas Engine LXO - 6.6L Diesel Engine ME3 - Allison MT643D Automatic Transmission ME5 - Allison MT653DRD Automatic Transmission MF1 - Allison AT545 Automatic Transmission MT9 - Allison AT542 Automatic Transmission MWE - Hydraulic Shift Automatic Transmission THO - Fleet Sales Penske

INSTALLATION OF CAMPAIGN IDENTIFICATION LABEL

Clean surface of radiator upper mounting panel and apply a Campaign Identification Label. Make sure the correct campaign number is inserted on the label. This will indicate that the campaign has been completed.

Dear General Motors Customer.

As a valued customer, your complete satisfaction with your GMC truck is our goal. In keeping with this goal, we want to let you know that we have discovered a problem that could affect your vehicle and we want to take care of it at no charge to you.

On a number of 1995 GMC C6/7 TopKick Medium Duty Conventional Trucks equipped with automatic transmissions and built between January and May 1995, such as yours, the transmission oil cooler hose assembly could rupture. This condition could result in loss of sufficient transmission fluid to cause the transmission to stop transmitting power to the rear wheels; moreover it could cause severe transmission damage. If this occurred, the vehicle could be brought to a controlled stop on the side of the road and the prop shaft parking brake could be set to prevent the vehicle from rolling. The ruptures result from damage to the outer cover and inner braid of the hose material caused by over-crimping the tube-to-hose coupling.

To be absolutely sure that your vehicle is to specifications, your dealer will replace the suspect transmission oil cooler hoses with parts that meet specifications.

Please contact your GM dealer as soon as possible to arrange a service date.

If parts are required, ask your dealer for details regarding their availability. If parts are not in stock, they can be ordered before scheduling your service date.

This letter identifies your vehicle. Presentation of this letter to your dealer will assist their Service personnel in completing the necessary correction to your vehicle in the shortest possible time.

We are sorry to cause you this inconvenience; however, we have taken this action in the interest of your continued satisfaction with our products.

Customer Support Department General Motors of Canada Limited


Object Number: 86731  Size: MF


Object Number: 86730  Size: MF


Object Number: 86729  Size: MF


Object Number: 86728  Size: MF


Object Number: 87088  Size: MF


Object Number: 86274  Size: MF


Object Number: 86273  Size: MF


Object Number: 86272  Size: MF

General Motors bulletins are intended for use by professional technicians, not a "do-it-yourselfer". They are written to inform those technicians of conditions that may occur on some vehicles, or to provide information that could assist in the proper service of a vehicle. Properly trained technicians have the equipment, tools, safety instructions and know-how to do a job properly and safely. If a condition is described, do not assume that the bulletin applies to your vehicle, or that your vehicle will have that condition. See a General Motors dealer servicing your brand of General Motors vehicle for information on whether your vehicle may benefit from the information.