GM Service Manual Online
For 1990-2009 cars only

CAMPAIGN: EATON TWO SPEED REAR AXLE SHIFT MOTOR MAY FAIL

Subject: PRODUCT CAMPAIGN 84C12 EATON TWO-SPEED REAR AXLE SHIFT MOTOR MAY FAIL

Model and Year: 1984 CHEVROLET MEDIUM AND HEAVY DUTY TRUCKS, SERIES TB6, TC6, TC7, TJ8, TJ9 AND TP6 EQUIPPED WITH SINGLE REAR AXLE AND EATON TWO-SPEED ELECTRIC SHIFT

General Motors has determined that some 1984 Chevrolet Medium and Heavy Duty Trucks equipped with Eaton two-speed electric shift single rear axles my be subject to cracking at the flange and wall area of the shift motor housing. If the housing cracks, moisture could enter and contaminate the electric-shift motor. If the shift motor fails, the rear axle 2-speed shift feature will not function.

To prevent this condition from occurring, it will be necessary to inspect these vehicles for cracked shift unit flanges. If a shift motor housing is found to be cracked, a complete replacement kit must be installed on the truck. If a shift motor housing is found to be free of cracks, it should be reinstalled using the mounting parts update kit to prevent cracking of the flange.

VEHICLES INVOLVED

Involved are certain 1984 Chevrolet Medium and Heavy Duty Trucks. Series TB6, TC6, TC7, TJ8, TJ9 and TP6 equipped with single rear axle and Eaton two-speed electric shift motor. The vehicles involved were built within the following vehicle identification number breakpoints:

PLANT FROM THROUGH ------- -------- -------- Pontiac EV100465 EV120596

Involved vehicles have been identified by Vehicle Identification Number Computer Listings. Computer listings contain the complete Vehicle Identification Number, owner name and address data, and are furnished to the involved dealers with the campaign bulletin. Owner name and address data furnished will enable dealers to follow-up with owners involved in this campaign.

These listings may contain owner names and addresses obtained from State Motor Vehicle Registration Records. The use of such motor vehicle registration data for any other purpose is a violation of law in several states. Accordingly, you are urged to limit the use of this listing to the follow-up necessary to complete this campaign. Any dealer not receiving a computer listing with the campaign bulletin was not shipped any involved vehicles.

OWNER NOTIFICATION

Owners will be notified of this campaign on their vehicles by Chevrolet Motor Division (see copy of Owner Letter included with this bulletin).

DEALER CAMPAIGN RESPONSIBILITY

Dealers are to service all vehicles subject to this campaign at no charge to owners, regardless of mileage, age of vehicle, or ownership, from this time forward.

Whenever a vehicle subject to this campaign is taken into your new or used vehicle inventory, or it is in your dealership for service in the future, you should take the steps necessary to be sure the campaign correction has been made before reselling or releasing the vehicle.

Owners of vehicles recently sold from your new vehicle inventory are to be contacted by the dealer, and arrangements made to make the required modification according to instructions contained in this bulletin.

SERVICE PROCEDURE

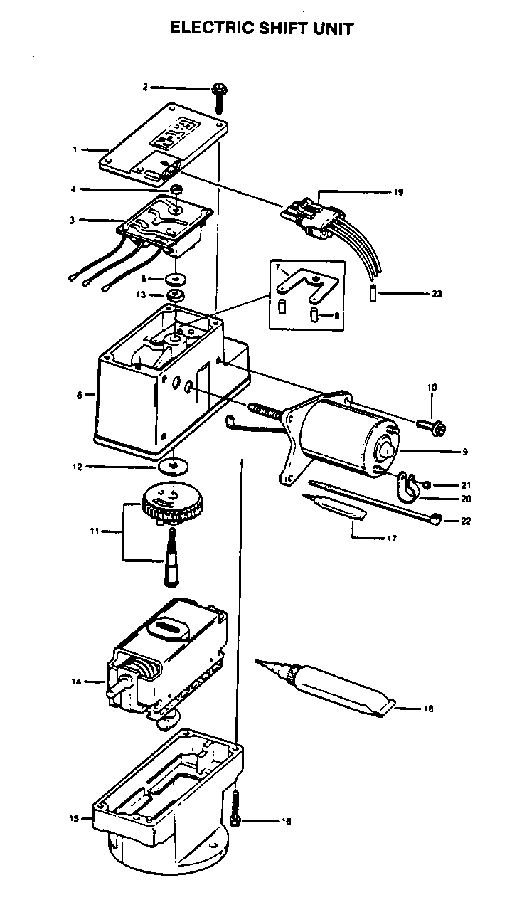
The two-speed axle electric shift unit must be inspected for mounting flange cracking. The shift unit is mounted to the front side of two-speed, single axle carriers. The suspect units have the Number 113700 molded into the plastic cover (See Item 1 on Figure No. 1). The following procedure must be followed for inspection. Suspect flange cracks are not visible on the unit in the installed position.

A. Shift Unit Removal

1. Using the tip of a screwdriver, pry up the harness connector locking tab. (Item 19 on Figure No. 1)

2. Pull the connector to remove from the female receptacle in the shift unit cover.

3. While holding motor stud with a 5/16" wrench, remove harness clamp nut. (Item 21 on Figure No. 1)

4. Remove cable clamp (item 20 on Figure No.1) with harness from unit.

5. Remove the two nuts and flat washers which secure the shift unit to the axle carrier and remove shift unit.

6. Remove and discard the shift unit sealing boot from the axle carrier.

B. Shift Unit Inspection (Refer to Figures 2 & 3)

1. Turn the unit to examine the mounting flange in the area shown in Figure Nos. 2 & 3. If there is considerable contamination in this area, a crack is likely to be found. To verify this, make sure to clean thoroughly with a suitable shop solvent - particularly around the flange mounting holes.

2. If any cracks are found in the area shown, a new shift unit must be installed. If no cracks are found, the unit may be reinstalled using the following procedure.

C. Shift Unit Installation

If the old unit is being re-installed, obtain Kit Number 15524775 which contains a new sealing boot, flat washers, and locknuts. If a new shift unit is required, obtain Kit Number 15524774, which contains the new shift unit, sealing boot, flat washers and locknuts. Both of these kits contain hardened flat washers which must be used. These washers are thicker than the original washers (0.100" vs 0.062"). Do not use the old washers.

1. Position the new sealing boot and align holes in sealing boot with studs on carrier. Attach the shift unit to the axle carrier with the flat washers and nuts. Torque the nuts to 35-45 Ft.Lbs. (47-61 N.m).

2. Position harness in clamp and slip cable clamp mounting hole over the shift motor stud. While holding the head of the stud with a 5/16" wrench, torque nut (Item 21 on Figure No.2) to 25-30 In.-Lbs. (2.8-3.4 N.m).

3. Attach harness connector to the shift unit cover and lock.

4. Test operation of two-speed shift unit.

5. Spray paint shift unit housing.

6. Install Campaign Completion Label.

PARTS INFORMATION

Parts are to be obtained from the Warehousing and Distribution Division of General Motors (WDDGM). To ensure that these parts will be obtained as soon as possible, they should be ordered from WDDGM on a C.I.O. order with no special instruction code, but order on an advise code (2). (PARTS INFORMATION continued on page 6).

A complete replacement kit is required for vehicles found to have a cracked shift unit housing.

Part Quantity Number Per Vehicle Description -------- ----------- ------------------------------------------- 15524774 1 Replacement Kit - Contains one electrical shift unit, two flat-washers, one rubber seal, two locknuts, and replacement procedure.

A mounting parts update kit is required for vehicles found with a shift unit housing that is free of cracks.

Part Quantity Number Per Vehicle Description -------- ----------- ------------------------------------------- 15524775 1 Mounting Parts Update Kit - Contains two flatwashers, one rubber seal, two locknuts, and replacement procedure.

CLAIM INFORMATION

Submit a Product Campaign Claim with the information indicated below:

Parts Failed **Parts Failure Labor Labor *Other Count Part No. Allowance Code Operation Hours Hours ----- -------- --------- ---- --------- ----- ----- 1 15524774 00 V2200 .5 .1

DESCRIPTION: Remove shift unit and inspect for cracks. Install complete replacement kit with new shift motor - P/N 15524774.

Parts Failed **Parts Failure Labor Labor *Other Count Part No. Allowance Code Operation Hours Hours ----- ------- --------- ---- --------- ----- ------ 1 15524775 00 V2201 .5 .1

DESCRIPTION: Remove shift unit and inspect for cracks. Re-install old shift unit using mounting update kit - P/N 15524775.

* Campaign Administrative Allowance

** The Parts Allowance should be the sum total of the current WDDGM Net plus 30% of all parts required for the repair.

Dealers will automatically receive the correct labor and material allowance based on the labor operation performed.

Refer to the Chevrolet Claims Processing Manual for details on Product Campaign Claim submission.

Each vehicle modified in accordance with the instructions outlined in this Product Campaign Bulletin will require a "Campaign Identification Label". Each label provides a space to include the five digit dealer code of the dealer performing the campaign service. This information may be inserted with a typewriter or ballpoint pen.

Each "Campaign Identification Label" is to be located on the radiator core support in an area which will be visible when the vehicle is brought in for periodic servicing by the owner.

Apply "Campaign Identification Label" only on a clean dry surface.

ADMINISTRATIVE PROCEDURES

REFER TO THE CURRENT CHEVROLET SERVICE POLICIES AND PROCEDURES MANUAL AND CLAIMS PROCESSING MANUAL FOR CAMPAIGN HANDLING AND ADMINISTRATIVE PROCEDURES.


Object Number: 89926  Size: FS


Object Number: 80631  Size: FS


Object Number: 80630  Size: FS

General Motors bulletins are intended for use by professional technicians, not a "do-it-yourselfer". They are written to inform those technicians of conditions that may occur on some vehicles, or to provide information that could assist in the proper service of a vehicle. Properly trained technicians have the equipment, tools, safety instructions and know-how to do a job properly and safely. If a condition is described, do not assume that the bulletin applies to your vehicle, or that your vehicle will have that condition. See a General Motors dealer servicing your brand of General Motors vehicle for information on whether your vehicle may benefit from the information.