GM Service Manual Online
For 1990-2009 cars only

PCV System Freeze Up (Install New Outer Heat Shield Panel/Replace Oil Indicator)

Subject:PCV System Freeze-Up (Install New Outer Heat Shield Panel/Replace Oil Indicator)

Models:1999-2001 Chevrolet and GMC W Series Medium Duty Tilt Cab Models
With 4HE1-TC Diesel Engine



Condition

Some vehicles listed above may experience PCV system freeze-up when operated in extremely cold weather conditions, causing the engine rear main seal to leak.

Correction

A new outer heat shield panel and shorter oil indicator has been developed to prevent possible extreme cold weather freeze-up of the PCV system. Use the following procedure and the part numbers listed below.


    Object Number: 772258  Size: MH

    Object Number: 772265  Size: SH
  1. Position the outer heat shield panel, P/N 97180930, over the engine and on the back of the cab. Install four screws, P/N 94496177, in the four locations shown.
  2. Tilt the cab forward. Secure the cab.
  3. Install two L-shaped brackets (driver and passenger side), P/N 97174571, to the heat shield panel with the bolts, P/N 94009649, and the nuts, P/N 94009481, on each side.
  4. • Install fasteners (1) on heat shield side.
    • Install fasteners (2) on the cab side.

    Object Number: 772269  Size: SH
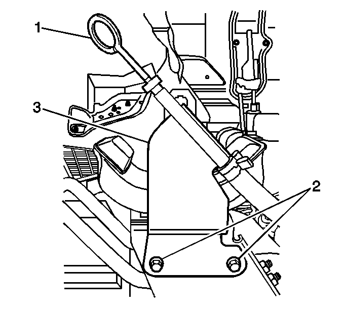
  5. Remove the current oil indicator (1).
  6. Remove the two bolts (2) that secure the oil indicator tube and bracket. Disconnect the oil indicator hose from the tube by removing the hose clamp. Remove the bracket (3).

  7. Object Number: 772275  Size: SH
  8. Disconnect the other end of the oil indicator hose (1) from the pipe (3). Squeeze the hose clamp (2) and lift in order to pull the hose away from the pipe.

  9. Object Number: 772278  Size: SH
  10. Install a new shorter oil indicator (1), P/N 97019885, and take the oil reading.
  11. Important: Ensure that the new oil indicator does not interfere with the heat shield panel when closing the cab.

  12. Lower the cab slowly and secure.

  13. Object Number: 772279  Size: SH
  14. Trim the PCV breather hose below the bracket at the location shown.

Parts Information

Part Number

Description

Qty

97180930

Panel-Body Si Outer (Heat Shield)

1

94009481

Nut

4

94496177

Screw, Tap

4

97174571

Bracket Asm, Bk Body Opg Frm

2

94009649

Bolt

2

97019885

Gauge, Oil Lvl

1

Parts are currently available from GMSPO.

Warranty Information

For vehicles repaired under warranty, use:

Labor Operation

Description

Labor Time

J6870

PCV System Heat Shield and Dipstick - Install

0.4 hr