GM Service Manual Online
For 1990-2009 cars only

    Object Number: 351809  Size: SH
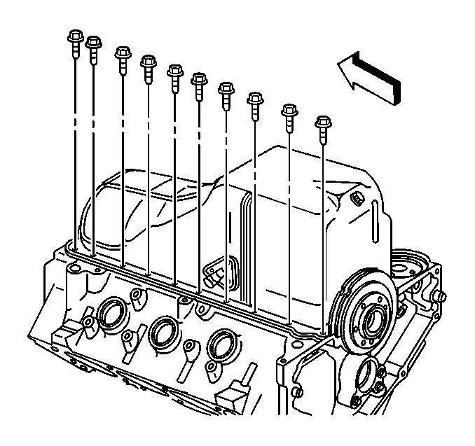
  1. Remove the left side oil pan bolts.

  2. Object Number: 351806  Size: SH
  3. Remove the right side oil pan bolts.

  4. Object Number: 351803  Size: SH
  5. Remove the oil pan.

  6. Object Number: 351800  Size: SH

    Important: The oil pan gasket is reusable if not cut or damaged.

  7. Remove the oil pan gasket.