GM Service Manual Online
For 1990-2009 cars only
Makes
🢒
Chevrolet
🢒
1998
🢒
Chevy P12 Chassis
🢒
Engine
🢒
Engine Cooling
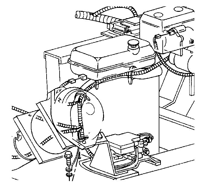
🢒 Coolant Level Sensor Replacement
Removal Procedure
Disconnect the electrical connector from the sensor.
Remove the sensor.
Installation Procedure
Install the sensor.
Connect the electrical connector to the sensor.