GM Service Manual Online
For 1990-2009 cars only

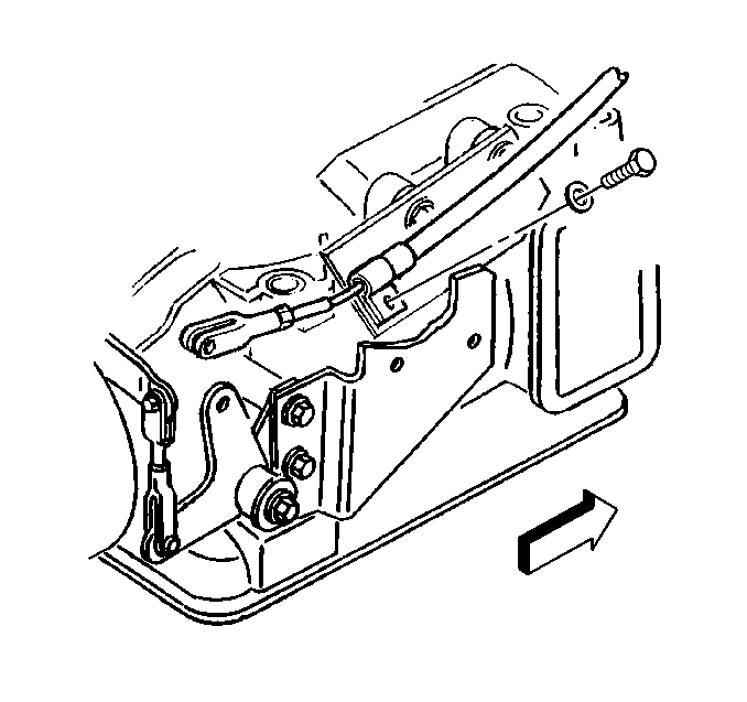
    Object Number: 276747  Size: SH
  1. Check the parking brake system for correct operation. Pulling the park brake knob activates the parking brake switch.

  2. Object Number: 258716  Size: SH
  3. Check the cable routings for kinks and bindings.
  4. Ensure the cable moves freely through the housing.
  5. Ensure the cable travel is sufficient to engage the shoes to the drums and hold the vehicle.