GM Service Manual Online
For 1990-2009 cars only
Makes
🢒
Chevrolet
🢒
1998
🢒
Chevy P12 Chassis
🢒
HVAC
🢒
HVAC Systems - Manual
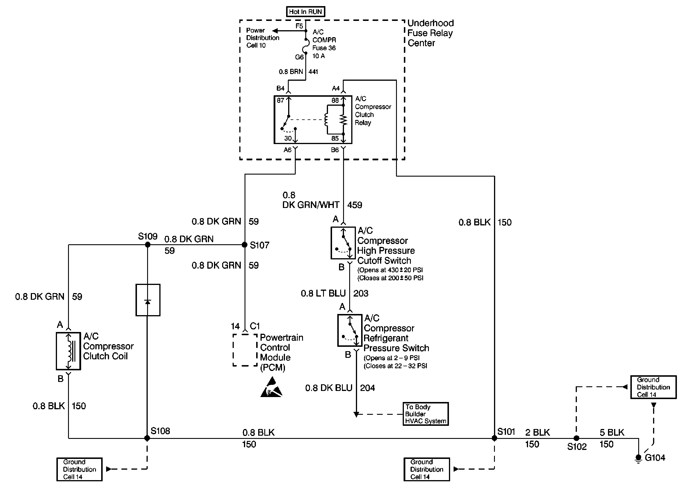
🢒 HVAC Compressor Control Schematics
Cell 64: HVAC Compressor Control Circuit
Cell 10: Ignition Switch, Switched Fuses
Cell 14: G104
Cell 14: G104
Cell 14: G104
Handling Electrostatic Discharge Sensitive Parts Notice