GM Service Manual Online
For 1990-2009 cars only
Makes
🢒
Chevrolet
🢒
1998
🢒
Chevy P12 Chassis
🢒
Body and Accessories
🢒
Wipers/Washer Systems
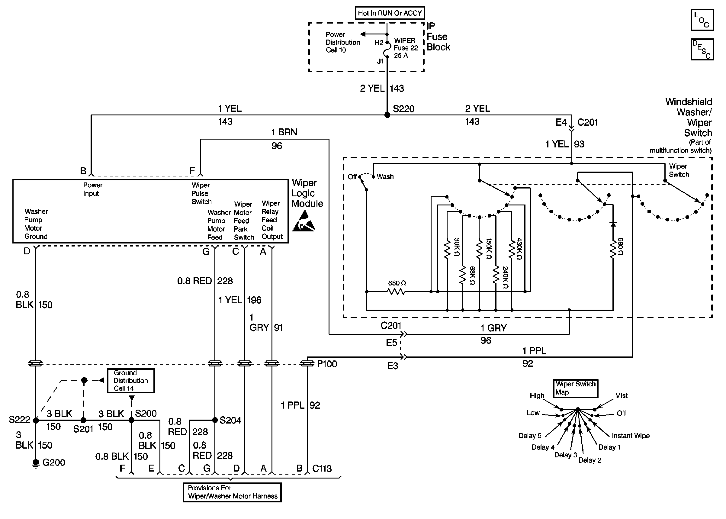
🢒 Wiper/Washer System (Pulse) Schematics
Cell 91
Cell 11: Hot in Run, Hot in Run and Accy Fuses
Cell 14: G200
Handling Electrostatic Discharge Sensitive Parts Notice
Wiper/Washer System Components