GM Service Manual Online
For 1990-2009 cars only
Makes
🢒
Chevrolet
🢒
1998
🢒
Chevy P12 Chassis
🢒
Body and Accessories
🢒
Horns
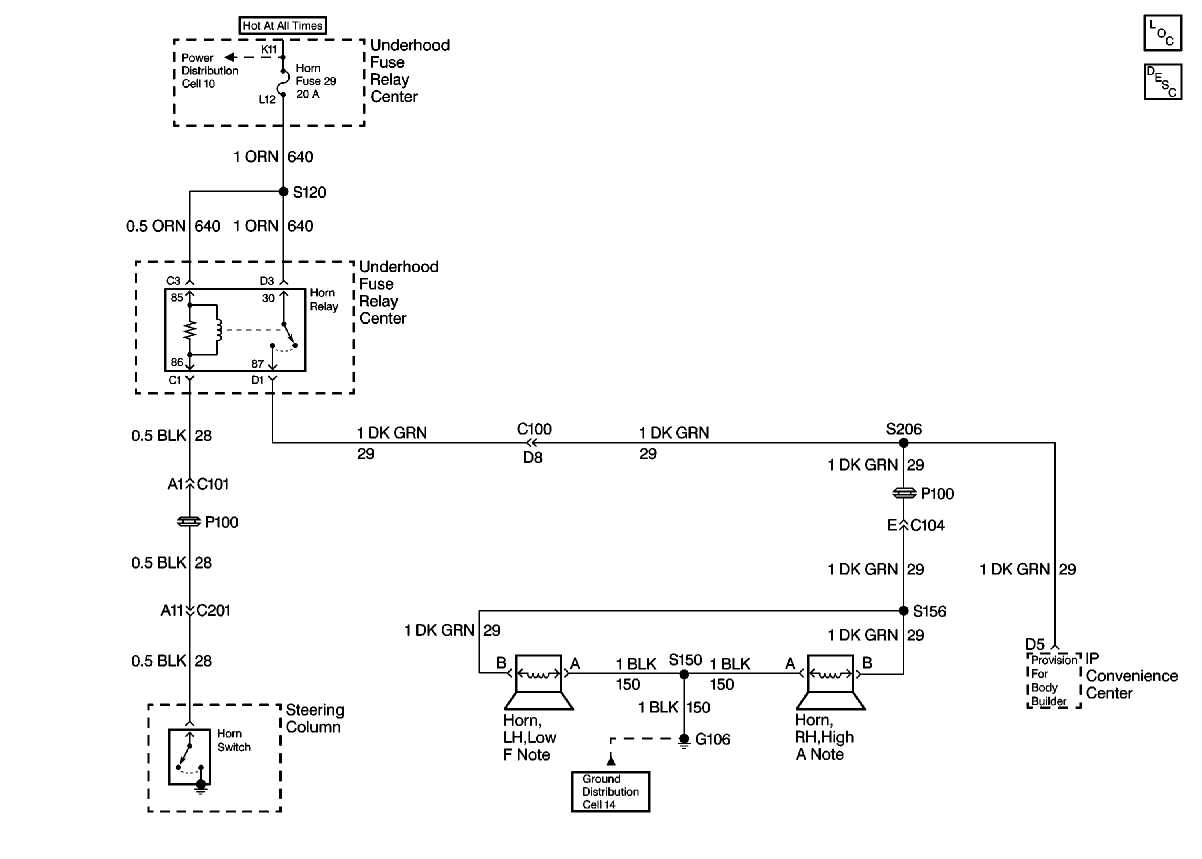
🢒 Horn Schematics
Cell 40
Cell 11: Horn, Brake Lamp, Pwr Accy #1, Radio Bat, Cig Ltr, Aux Pwr, Stop/Haz Fuses
Cell 14: G105, G106, G107, (Single Headlamps)
Cell 14: G105, G106, G107, (Dual Headlamps)
Horns Components
Horns Description