GM Service Manual Online
For 1990-2009 cars only

Removal Procedure

    Caution: Unless directed otherwise, the ignition and start switch must be in the OFF or LOCK position, and all electrical loads must be OFF before servicing any electrical component. Disconnect the negative battery cable to prevent an electrical spark should a tool or equipment come in contact with an exposed electrical terminal. Failure to follow these precautions may result in personal injury and/or damage to the vehicle or its components.

  1. Disconnect the negative battery cable.
  2. Raise the vehicle. Refer to Lifting and Jacking the Vehicle .
  3. Disconnect the exhaust pipes. Refer to Exhaust Pipe Replacement in Engine Exhaust.
  4. Drain the transmission oil.
  5. Remove the transmission oil level indicator tube. Refer to Transmission Oil Level Indicator Tube Replacement .
  6. Cover the transmission oil pan opening in order to prevent the entry of foreign material.

  7. Object Number: 240999  Size: SH
  8. Disconnect the oil cooler lines from the transmission case and the oil filter.

  9. Object Number: 241012  Size: SH
  10. Disconnect the shift cable from the transmission.

  11. Object Number: 201539  Size: SH
  12. Remove the modulator from the transmission.
  13. Disconnect the wiring harness connectors from the transmission.
  14. Remove the starter. Refer to Starter Motor Replacement in Engine Electrical.
  15. Disconnect the propeller shaft from the transmission. Refer to Three-Piece Propeller Shaft Replacement
  16. Disconnect the parking brake cable from the parking brake. Refer to Park Brake Cable Replacement .
  17. Support the engine with suitable jack stands.
  18. NOTICE: Carefully inspect the transmission and the surrounding areas to be sure no lines, hoses or wires will interfere with the transmission removal. In order to avoid damage to the transmission or the torque converter, support the transmission with a dolly jack. Do not let the torque converter fall.

  19. Support the transmission with a transmission jack/dolly that can hold a load of at least 349 kg (750 lb).
  20. 15.1. Position the dolly so that the transmission oil pan will not support the weight of the transmission.
    15.2. Fasten a safety chain over the top of the transmission and on both sides of the dolly.
    15.3. Cushion the transmission in order to prevent cracks or tears to the transmission housing.

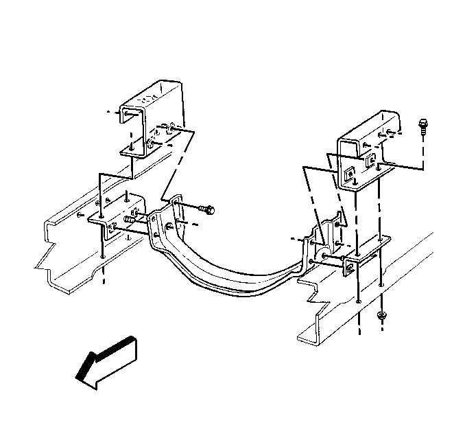
    Object Number: 240984  Size: SH
  21. Remove the transmission mount retaining bolts (10) and (11) from the brackets (3) and (16), and the mounts (6), (7), (14) and (15).
  22. Retain spacers (8) and (13), and washers (9) and (12) for reuse.

  23. Object Number: 241015  Size: SH
  24. Remove the transmission crossmember retaining bolts.
  25. Using a pry bar, turn the flexplate in order to align the torque converter to flywheel bolts with the access hole.
  26. Remove the flywheel to torque converter bolts.
  27. Mark the flywheel to torque converter alignment for reinstallation.

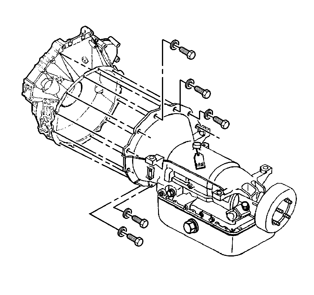
  28. Object Number: 205284  Size: SH
  29. Remove the transmission to engine bolts.
  30. Move the transmission back from the engine.
  31. Lower the transmission and remove from vehicle.

Installation Procedure

    NOTICE: Carefully inspect the transmission and the surrounding area to be sure no lines, hoses or wires will interfere with the transmission installation. When raising and moving the transmission, do not let the torque converter slip off the shaft. The transmission or torque converter can be damaged.

    Important: Do not install the transmission without installing the park brake.

  1. Raise the transmission.
  2. Position the transmission in place.

  3. Object Number: 205284  Size: SH
  4. Install the transmission to engine.
  5. Notice: Use the correct fastener in the correct location. Replacement fasteners must be the correct part number for that application. Fasteners requiring replacement or fasteners requiring the use of thread locking compound or sealant are identified in the service procedure. Do not use paints, lubricants, or corrosion inhibitors on fasteners or fastener joint surfaces unless specified. These coatings affect fastener torque and joint clamping force and may damage the fastener. Use the correct tightening sequence and specifications when installing fasteners in order to avoid damage to parts and systems.

  6. Install the transmission to engine bolts.
  7. Tighten
    Tighten the bolts to 55 N·m (41 lb ft).

  8. Position the torque converter to the flywheel.
  9. 5.1. Using the alignment marks, align the torque converter and the flywheel.
    5.2. Using a pry bar, turn the flexplate in order to align the holes for the flywheel to torque converter bolts with the access hole.
    5.3. Install the torque converter to flywheel bolts through the access hole.

    Tighten
    Tighten the bolts to 56 N·m (41 lb ft).


    Object Number: 241015  Size: SH
  10. Install the transmission crossmember.
  11. Install the transmission crossmember retaining bolts.
  12. Tighten
    Tighten the transmission crossmember retaining bolts to 120 N·m (89 lb ft).


    Object Number: 240984  Size: SH
  13. Install the transmission mount bolts (10) and (11).
  14. Tighten
    Tighten the transmission mount bolts to 195 N·m (144 lb ft).

  15. Remove the engine jack stands.
  16. Remove the transmission dolly.
  17. Connect the parking brake cable. Refer to Park Brake Cable Replacement .
  18. Install the propeller shaft to the transmission. Refer to Three-Piece Propeller Shaft Replacement .
  19. Install the starter. Refer to Starter Motor Replacement in Engine Electrical.
  20. Connect the wiring harness connectors to the transmission.

  21. Object Number: 201539  Size: SH
  22. Install the modulator to the transmission.

  23. Object Number: 241012  Size: SH
  24. Connect the shift cable to the transmission.

  25. Object Number: 241021  Size: SH
  26. Connect the oil cooler lines to the transmission and oil filter. Refer to Transmission Oil Cooler Line Replacement .
  27. Install the transmission oil level level indicator tube. Refer to Transmission Oil Level Indicator Tube Replacement .
  28. Connect the exhaust pipes. Refer to Exhaust Pipe Replacement in Engine Exhaust.
  29. Lower the vehicle. Refer to Lifting and Jacking the Vehicle .
  30. Caution: Unless directed otherwise, the ignition and start switch must be in the OFF or LOCK position, and all electrical loads must be OFF before servicing any electrical component. Disconnect the negative battery cable to prevent an electrical spark should a tool or equipment come in contact with an exposed electrical terminal. Failure to follow these precautions may result in personal injury and/or damage to the vehicle or its components.

  31. Connect the negative battery cable.
  32. Check the transmission oil. Refer to Transmission Fluid Check .