GM Service Manual Online
For 1990-2009 cars only
Makes
🢒
Chevrolet
🢒
1998
🢒
Chevy P12 Chassis
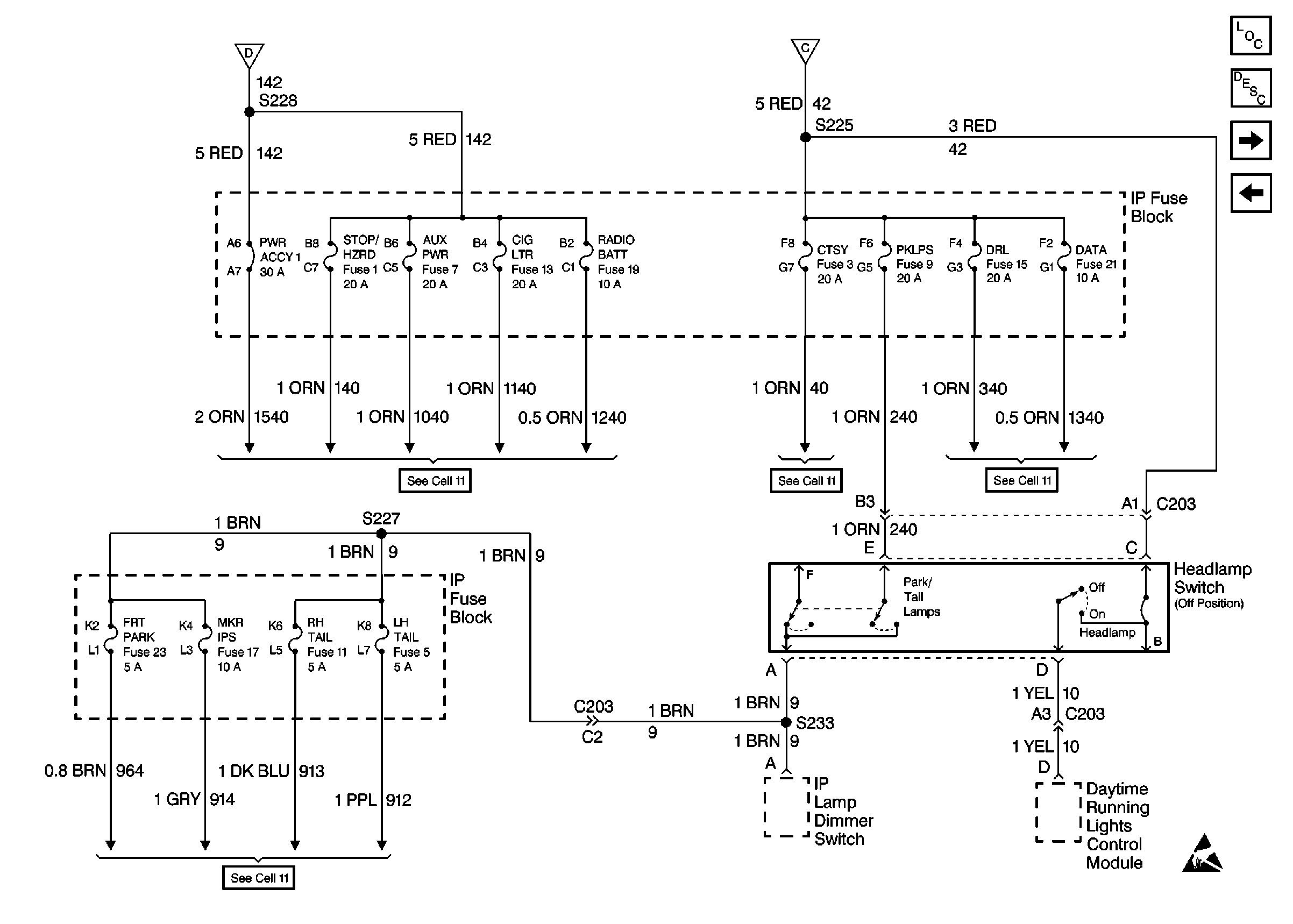
🢒 Cell 10: Always Hot Secondary Fuses
Cell 10: Always Hot Secondary Fuses
Cell 10: Always Hot Secondary Fuses
Power and Grounding Components
Cell 10: Ignition Switch, Switched Fuses
Cell 10: Battery, Always Hot Primary Fuses
Handling Electrostatic Discharge Sensitive Parts Notice
Cell 10: Battery, Always Hot Primary Fuses
Cell 10: Battery, Always Hot Primary Fuses
Cell 11: Horn, Brake Lamp, Pwr Accy #1, Radio Bat, Cig Ltr, Aux Pwr, Stop/Haz Fuses
Cell 11: Lighting Fuses
Cell 11: Lighting Fuses
Cell 11: Lighting Fuses