GM Service Manual Online
For 1990-2009 cars only
Makes
🢒
Chevrolet
🢒
1998
🢒
Chevy P12 Chassis
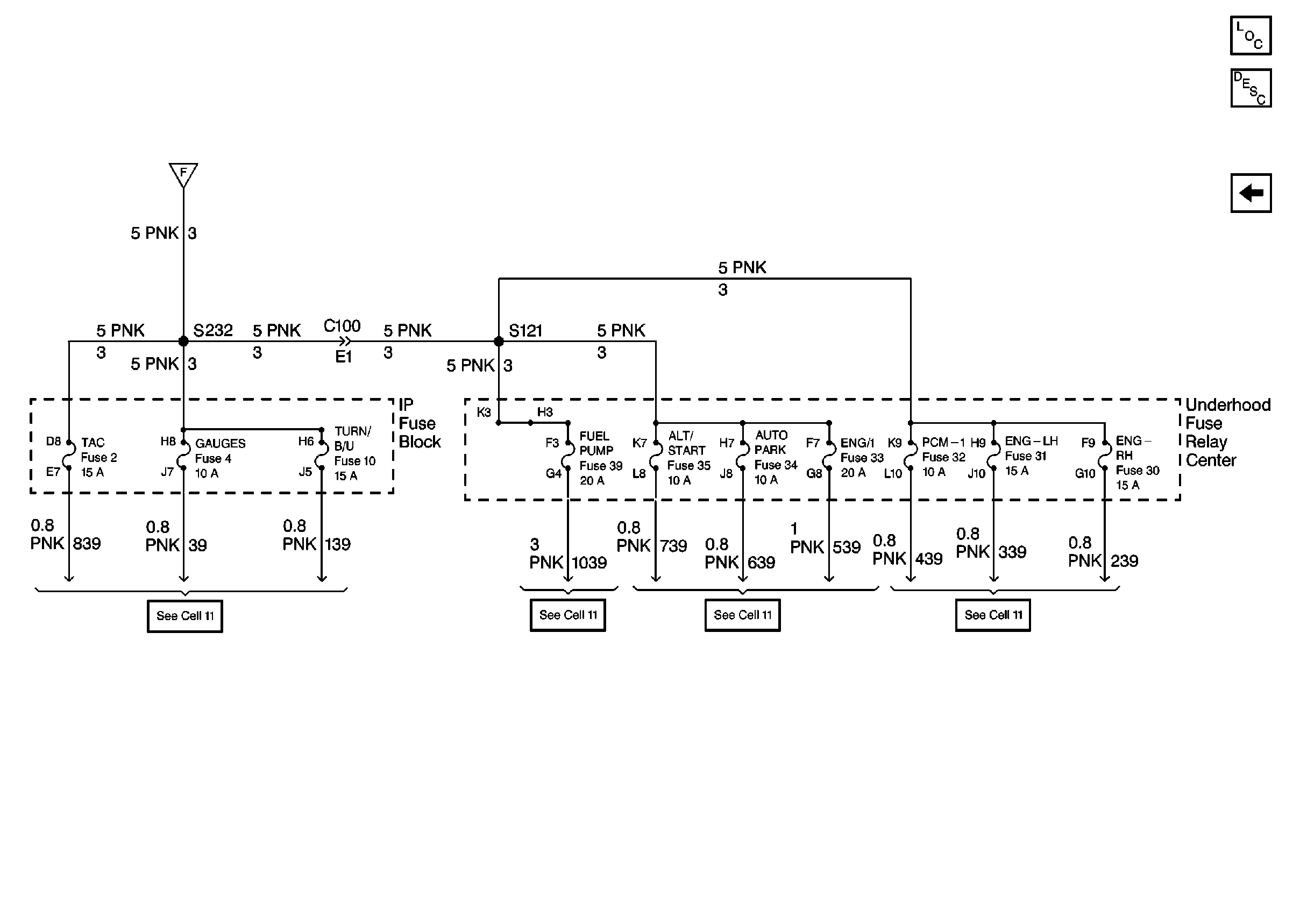
🢒 Cell 10: Hot in Run and Start Fuses
Cell 10: Hot in Run and Start Fuses
Cell 10: Hot in Run and Start Fuses
Power and Grounding Components
Cell 10: Ignition Switch, Switched Fuses
Cell 11: Gauges, Turn/Backup, and ETM fuses