GM Service Manual Online
For 1990-2009 cars only
Makes
🢒
Chevrolet
🢒
1998
🢒
Chevy P12 Chassis
🢒 Cell 117
Cell 117
Cell 117
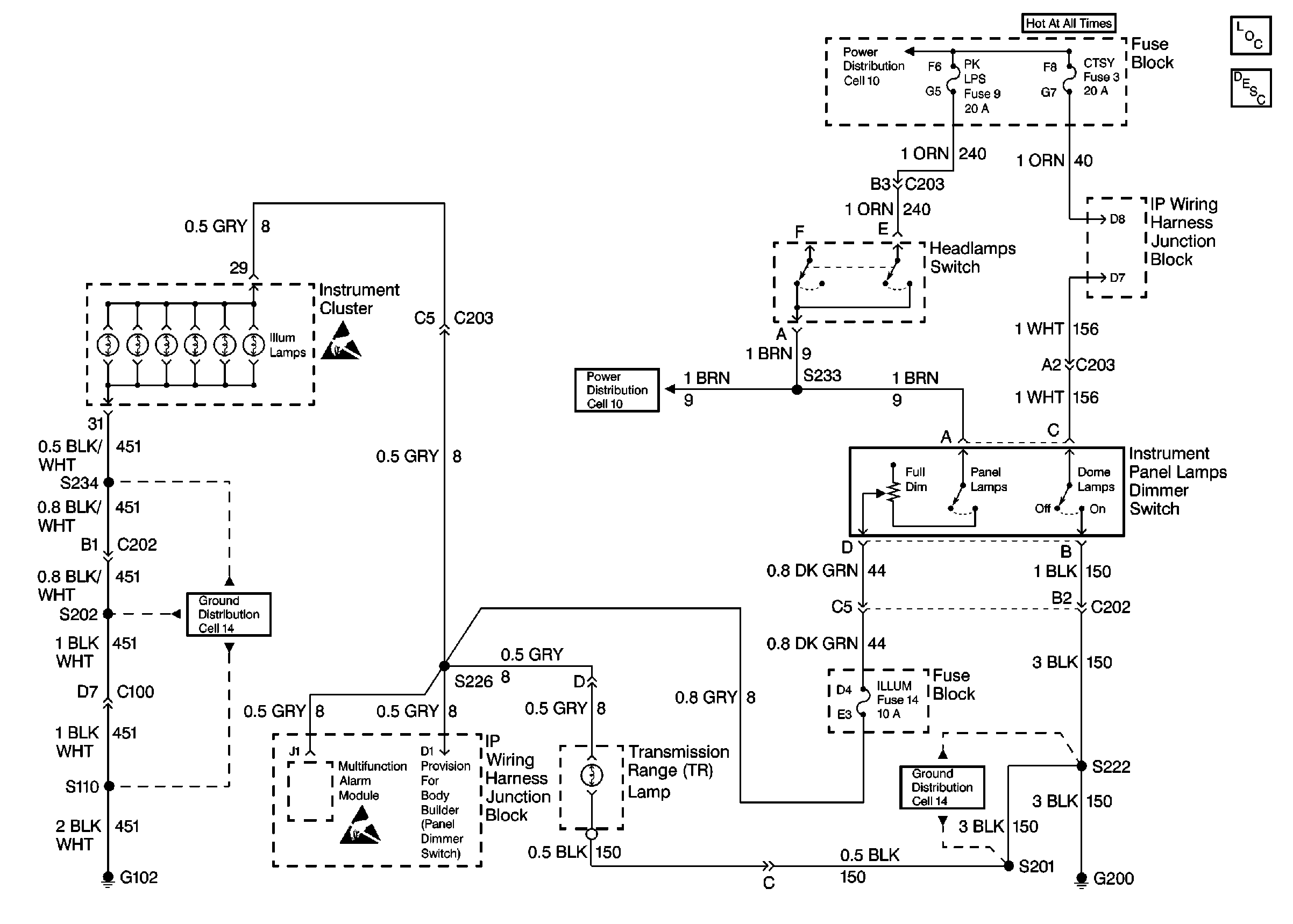
Lighting Systems Components
Exterior Lights Circuit Description
Handling ESD Sensitive Parts Notice
Cell 10: Fuse Block, Headlamp Switch
Cell 14: G102
Cell 14: G200
Handling ESD Sensitive Parts Notice
Cell 14: G200