GM Service Manual Online
For 1990-2009 cars only
Makes
🢒
Chevrolet
🢒
1999
🢒
Chevy P12 Chassis
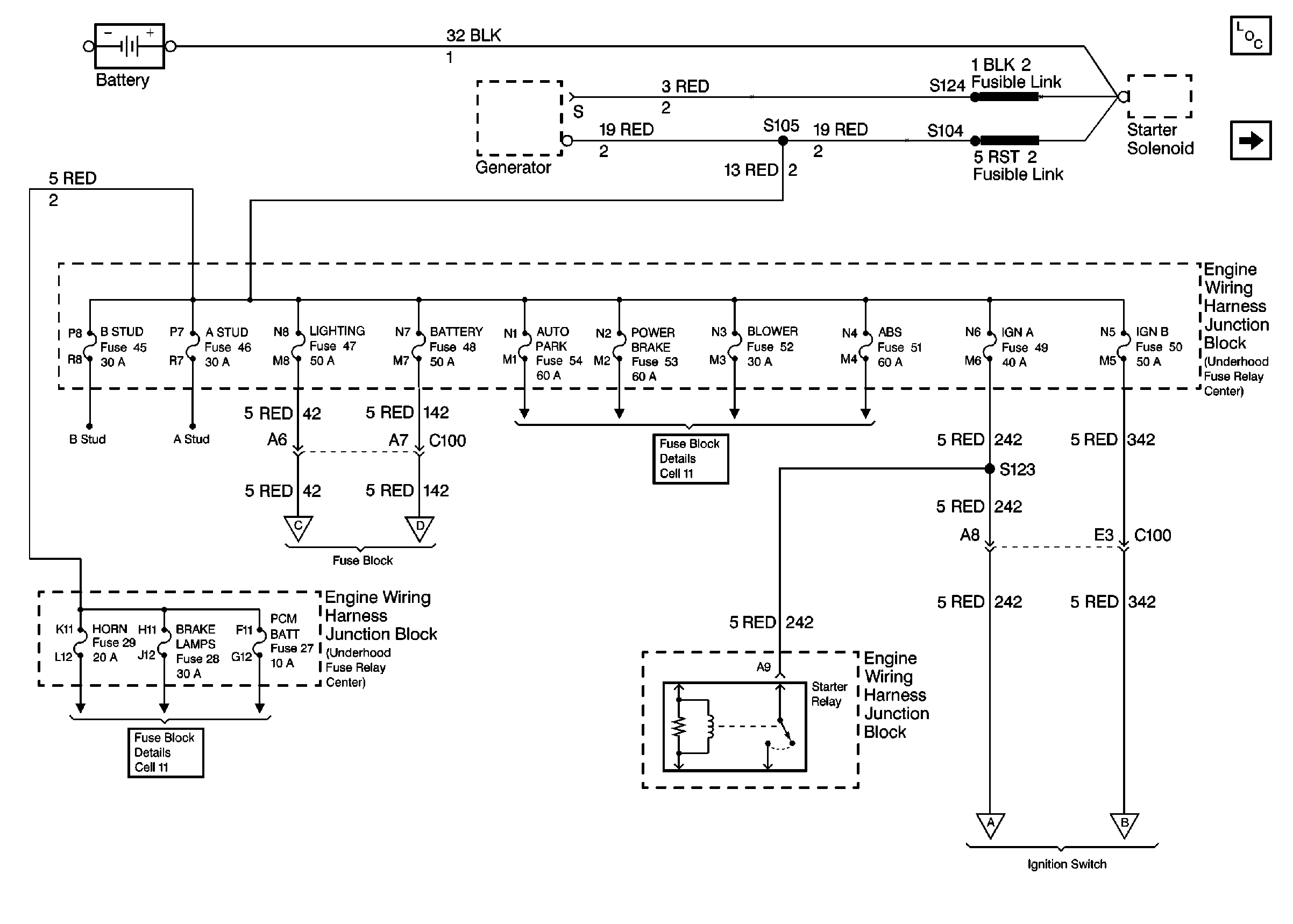
🢒 Cell 10: Battery, Starter, Junction Block
Cell 10: Battery, Starter, Junction Block
Cell 10: Battery, Starter, Junction Block
Power and Grounding Components
Cell 10: Fuse Block, Headlamp Switch
Cell 10: Fuse Block, Headlamp Switch
Cell 10: Fuse Block, Headlamp Switch
Cell 11: ABS, BLOWER, POWER BRAKE, and AUTO PARK fuses
Cell 11: HORN, BRAKE LPS, PCM BATT, A/C CMPR, and FUEL PUMP fuses
Cell 10: Ignition Switch, Fuse Block
Cell 10: Ignition Switch, Fuse Block