GM Service Manual Online
For 1990-2009 cars only
Makes
🢒
Chevrolet
🢒
1999
🢒
Chevy P12 Chassis
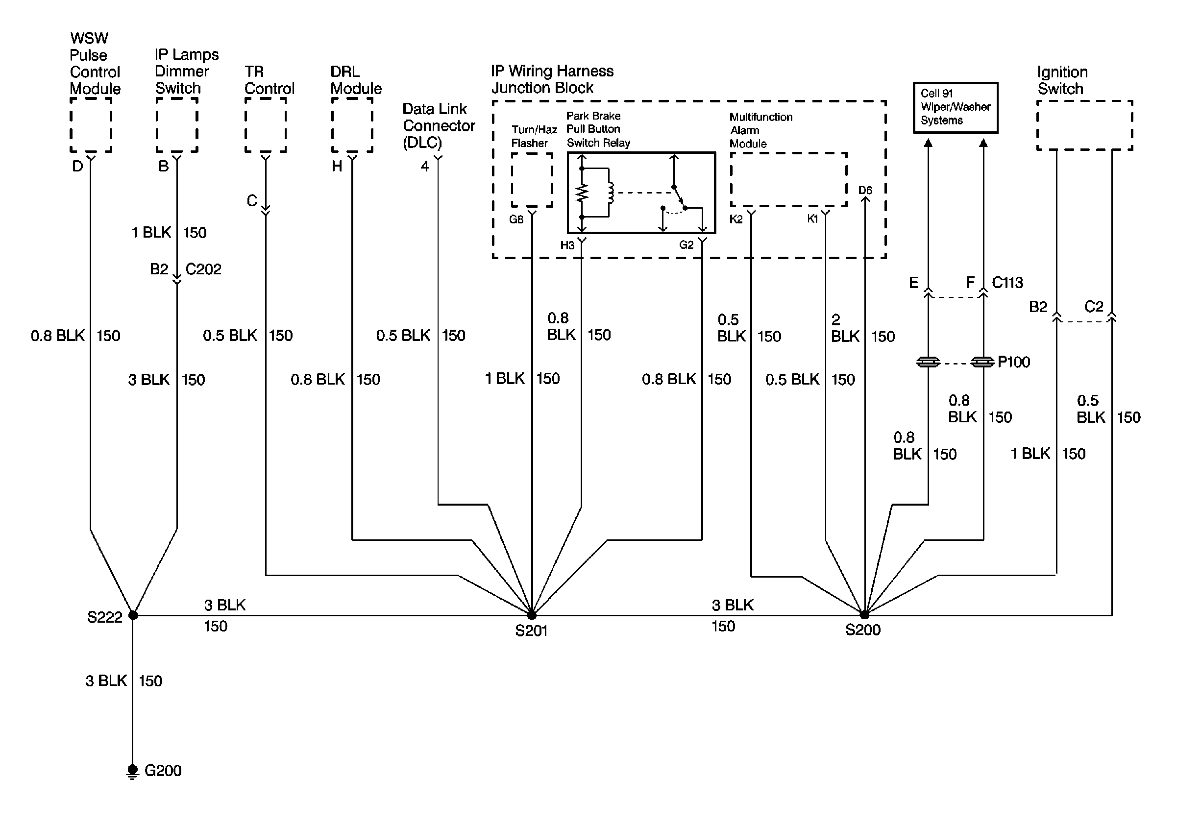
🢒 Cell 14: G200
Cell 14: G200
Cell 14: G200
Power and Grounding Components
Cell 14: G103
Cell 14: G102
Handling ESD Sensitive Parts Notice
Handling ESD Sensitive Parts Notice
Handling ESD Sensitive Parts Notice