GM Service Manual Online
For 1990-2009 cars only
Makes
🢒
Chevrolet
🢒
1999
🢒
Chevy P12 Chassis
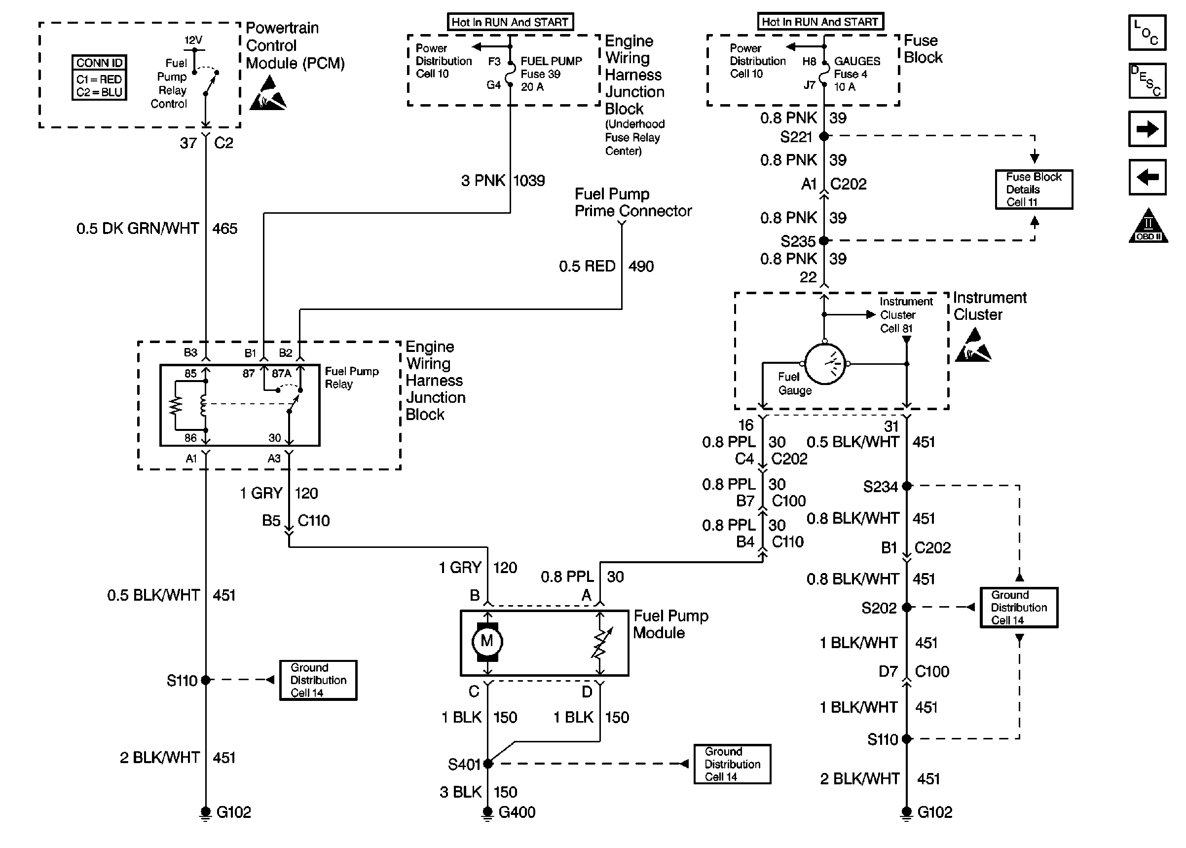
🢒 Cell 20: Fuel Controls 1 - Fuel Pump, Sender, Gauge
Cell 20: Fuel Controls 1 - Fuel Pump, Sender, Gauge
Cell 20: Fuel Controls 1 -- Fuel Pump, Sender, Gauge
Engine Controls Components
Fuel Supply Component Description
Cell 20: Fuel Controls 2 - Fuel Injectors
Cell 20: Ignition System 3 - KS, CKP, CMP, and Tachometer
OBD II Symbol Description Notice
Handling ESD Sensitive Parts Notice
Cell 10: Junction Block
Cell 10: Junction Block
Cell 11: GAUGES, TURN/BU, and TAC fuses