GM Service Manual Online
For 1990-2009 cars only

Removal Procedure

Important: Do not raise the engine by the crankshaft balancer in order to perform this service procedure. Damage to the crankshaft balancer or the crankshaft may occur.

    Caution: Before servicing any electrical component, the ignition and start switch must be in the OFF or LOCK position and all electrical loads must be OFF, unless instructed otherwise in these procedures. If a tool or equipment could easily come in contact with a live exposed electrical terminal, also disconnect the negative battery cable. Failure to follow these precautions may cause personal injury and/or damage to the vehicle or its components.

  1. Disconnect the Battery negative cable.

  2. Object Number: 234451  Size: SH
  3. Remove the oil level indicator and the tube from the engine. Refer to Oil Level Indicator and Tube Replacement .
  4. Raise the vehicle and support with safety stands. Refer to Lifting and Jacking the Vehicle in General Information.
  5. Drain the crankcase. Refer to Draining Fluids and Oil Filter Removal .

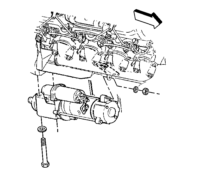
  6. Object Number: 186867  Size: SH
  7. Remove the starter from the engine block. Refer to Starter Motor Replacement .
  8. Remove the flywheel inspection cover, if equipped.
  9. Remove the oil cooler line retainer from the retaining bracket. Refer to Engine Oil Cooler Hose/Pipe Replacement .
  10. Important: Do not lift the engine by the crankshaft balancer in order to aid in removing the oil pan from the engine block. Damage to crankshaft balancer or crankshaft could occur.

  11. Remove the transmission from the vehicle (coil spring suspension only).
  12. Refer to the following procedures:

    •  Transmission Replacement (Manual).
    •  Transmission Replacement (Automatic).

    Object Number: 34060  Size: SH
  13. Remove the clutch if equipped. Refer to Clutch Assembly Replacement .

  14. Object Number: 64987  Size: SH
  15. Remove the flywheel from the crankshaft. Refer to Engine Flywheel Replacement .

  16. Object Number: 173182  Size: SH
  17. Remove the oil pan bolts from the engine block.
  18. Remove the oil pan from the vehicle.
  19. Remove the oil pan gasket from the engine block.
  20. Remove the oil from the sealing surfaces. Refer to Engine Block Cleaning and Inspection .

Installation Procedure

    Important: The oil pan must be installed and the fasteners tightened while the sealant is still wet to the touch.

  1. Apply sealant GM P/N 12345739 or the equivalent in 2 sealant points where the rear crankshaft bearing cap meets the engine block.
  2. Apply sealant GM P/N 12345739 or the equivalent in 2 sealant points where the engine front cover meets the block.

  3. Object Number: 351800  Size: SH
  4. Install the oil pan gasket on the oil pan.
  5. Install the oil pan gasket and the oil pan to the engine block.

  6. Object Number: 173182  Size: SH

    Notice: Use the correct fastener in the correct location. Replacement fasteners must be the correct part number for that application. Fasteners requiring replacement or fasteners requiring the use of thread locking compound or sealant are identified in the service procedure. Do not use paints, lubricants, or corrosion inhibitors on fasteners or fastener joint surfaces unless specified. These coatings affect fastener torque and joint clamping force and may damage the fastener. Use the correct tightening sequence and specifications when installing fasteners in order to avoid damage to parts and systems.

  7. Install the oil pan bolts to the engine block.
  8. Tighten
    Tighten the bolts to 25 N·m (18 lb ft).

  9. Install the oil pan drain plug.
  10. Tighten
    Tighten the bolts to 28 N·m (21 lb ft).


    Object Number: 34060  Size: SH
  11. Install the clutch assembly to the flywheel. Refer to Clutch Assembly Replacement .

  12. Object Number: 64987  Size: SH
  13. Install the flywheel to the crankshaft. Refer to Engine Flywheel Replacement .

  14. Object Number: 32688  Size: SH
  15. Install flywheel inspection cover to the transmission.
  16. Install the transmission in the vehicle.
  17. Refer to the following procedures:

    •  Transmission Replacement (Automatic).
    •  Transmission Replacement (Manual).

    Object Number: 186867  Size: SH
  18. Install the starter to the engine block. Refer to Starter Motor Replacement .
  19. Install the engine oil cooler lines to the retainer. Refer to Engine Oil Cooler Hose/Pipe Replacement .
  20. Remove the safety stands and lower the vehicle.

  21. Object Number: 234451  Size: SH
  22. Install the oil level indicator and tube. Refer to Oil Level Indicator and Tube Replacement .
  23. Fill the crankcase with new engine oil. Refer to the owner's manual for the proper grade and quantity.
  24. Connect the battery negative cables.