Removal Procedure
Notice: When replacing any hydraulic components, the hydraulic system should
be flushed with Dexron® III transmission fluid. This is to ensure that
the hydraulic system is free of contaminants such as metal particles that
may have been circulated through the system as a result of a component failure.
- Move the column shift lever to park and apply the manual parking
brake.
- Position a drain pan to catch the fluid that leaks out. Do not
reuse the old fluid.
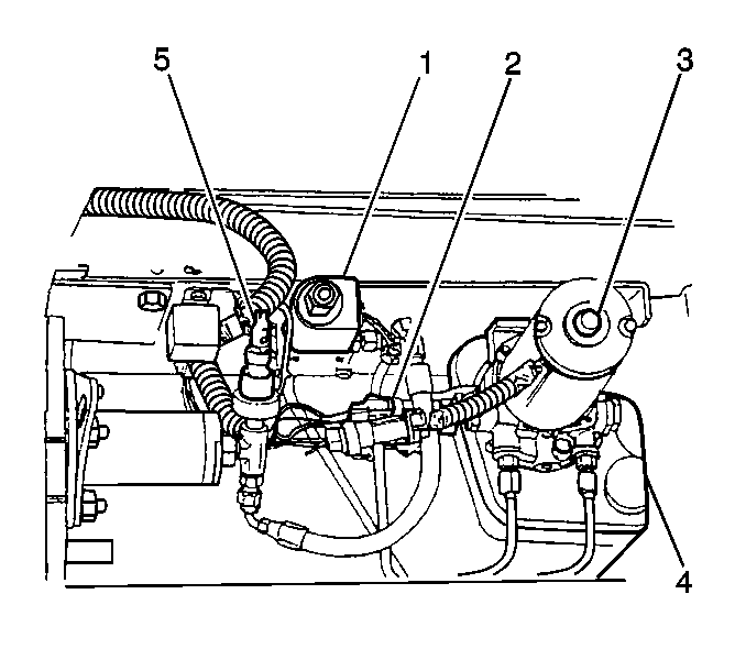
- Access the panel on the inboard side of the component box.
- Remove the parking brake
pump motor assembly electrical connector.
- Remove the pressure indicator switch (5) electrical connector.
- Remove the hydraulic pipes from the solenoid valve (1).
- Remove the parking brake pump motor assembly (3) mounting bolts.
- Remove the parking brake pump motor assembly.
- Remove the pressure indicator
switch (2) from parking brake pump motor assembly (1).
Installation Procedure
Notice: Use the correct fastener in the correct location. Replacement fasteners
must be the correct part number for that application. Fasteners requiring
replacement or fasteners requiring the use of thread locking compound or sealant
are identified in the service procedure. Do not use paints, lubricants, or
corrosion inhibitors on fasteners or fastener joint surfaces unless specified.
These coatings affect fastener torque and joint clamping force and may damage
the fastener. Use the correct tightening sequence and specifications when
installing fasteners in order to avoid damage to parts and systems.
- Connect the pressure
indicator switch (2) to the parking brake pump motor assembly (1).
Tighten
Tighten the switch to 12 N·m (106 lb in).
- Install the parking brake
pump motor assembly (3).
- Install the parking brake pump motor assembly mounting bolts.
Tighten
Tighten parking brake pump motor assembly mounting bolts to 37 N·m
(27 lb ft).
- Install the hydraulic pipes.
Tighten
Tighten the hydraulic pipe fittings to 16 N·m (12 lb ft).
- Install the pressure indicator switch (5) electrical connector.
- Install the parking brake pump motor assembly (3) electrical connector.
- Install the access panel on the inboard side of the component
box.
Tighten
Tighten the access panel fasteners to 12 N·m (106 lb in).
- Fill the pump motor reservoir (4) with Dexron® III transmission
fluid.
- Cycle the system at least six times.
- Turn the ignition switch ON and move the shift lever from Park
to Neutral.
- Check the fluid level. Refer to
Checking and Adding Park Brake Fluid
.
- Release the manual parking brake.